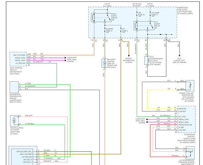
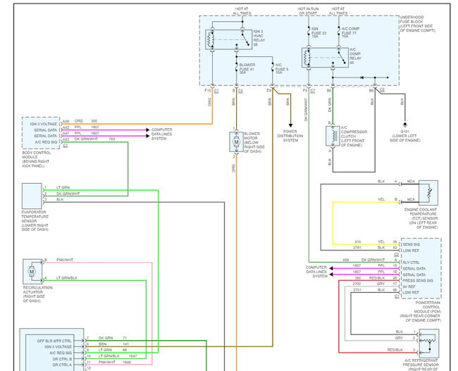
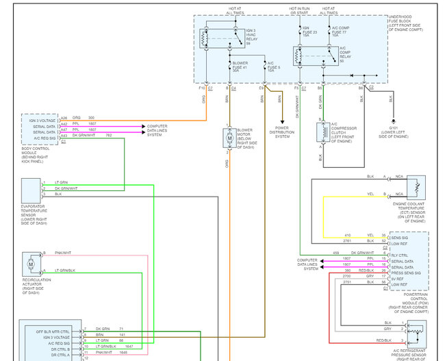
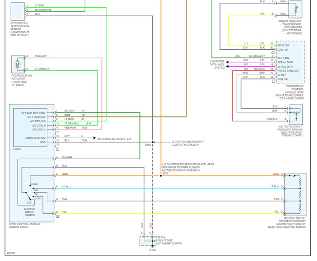
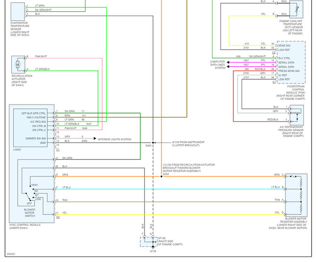
Wednesday, May 10th, 2023 AT 7:58 AM
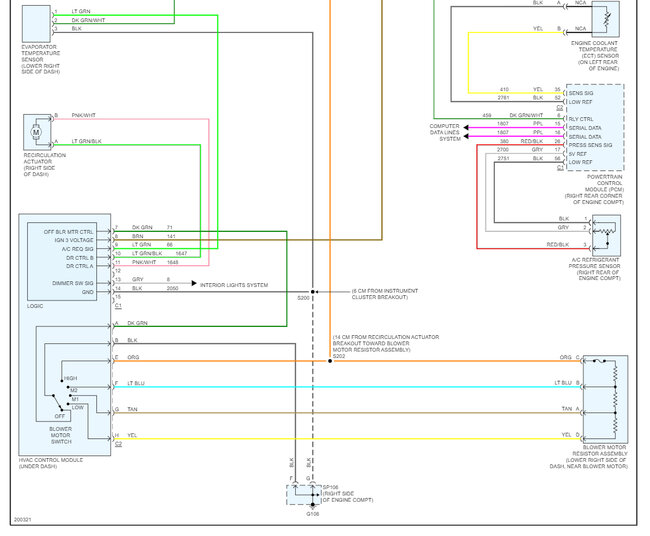
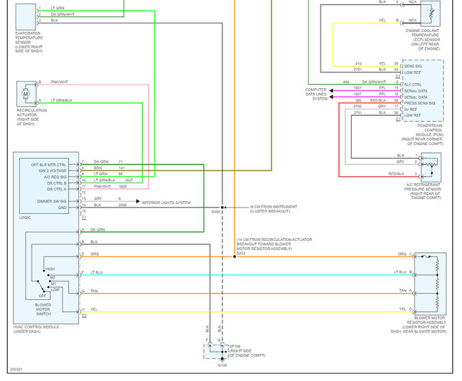
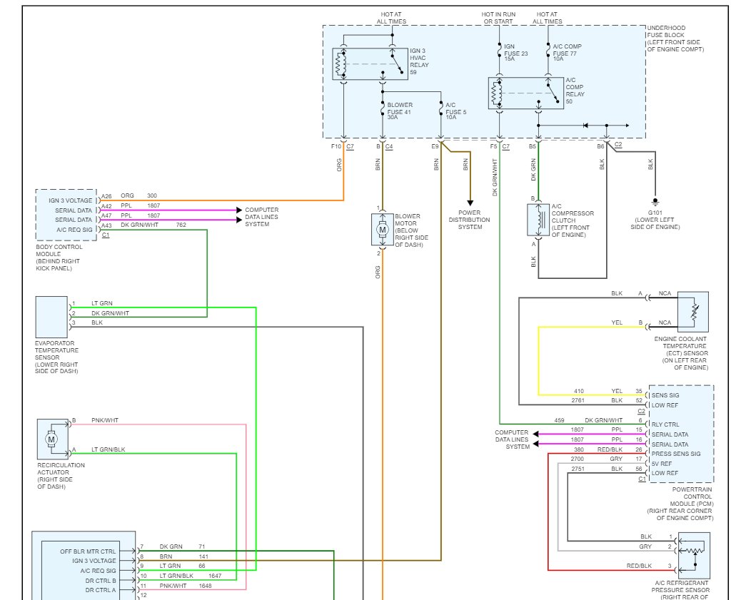
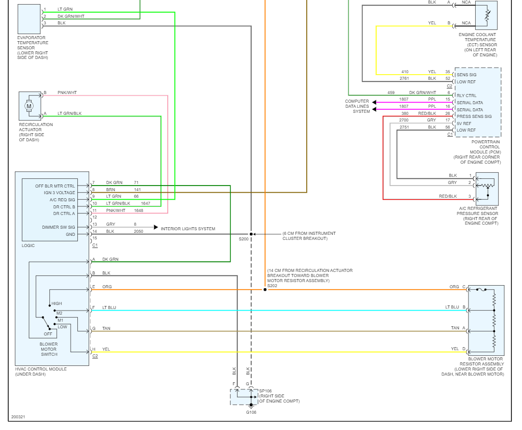
Heater and A/C started out working only on certain settings then it quit completely. Replaced resistor, blower motor, harnesses, and check fuses. What's my next step? Thinking control panel or maybe a new part is bad.




