Monday, September 16th, 2013 AT 10:00 AM
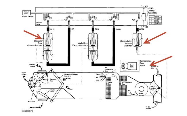
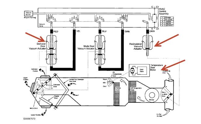
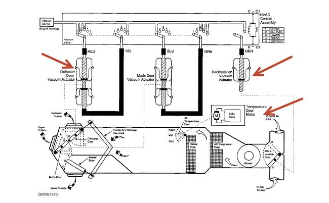
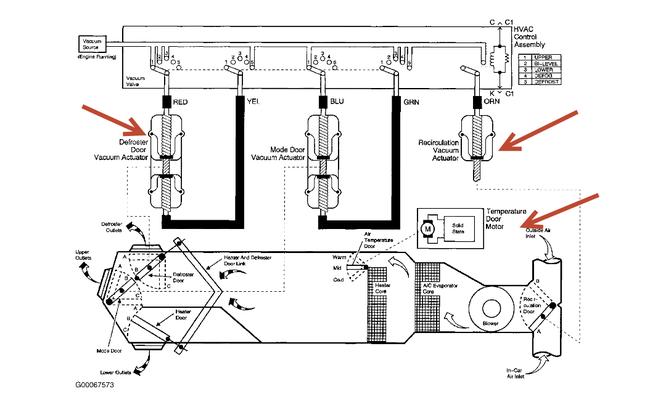
Winter with heater and summer with ac, after about 3 hours on the road the air quits blowing but the fan sound on and fan noise changes if you turn the knob up or down but still no air at any knob setting.




