HVAC blower not working

Tiny
3BETHMC88
  • MEMBER
  • 2000 CHRYSLER VOYAGER
  • 2.4L
  • 6 CYL
  • 2WD
  • AUTOMATIC
  • 170,000 MILES
Replaced fuse, relay and motor. Still nothing from blower motor. Heat or A/C.
Wednesday, May 26th, 2021 AT 8:21 AM

3 Replies

Tiny
JACOBANDNICKOLAS
  • MECHANIC
  • 110,194 POSTS
Hi,

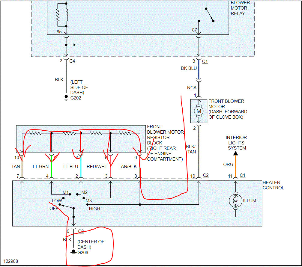
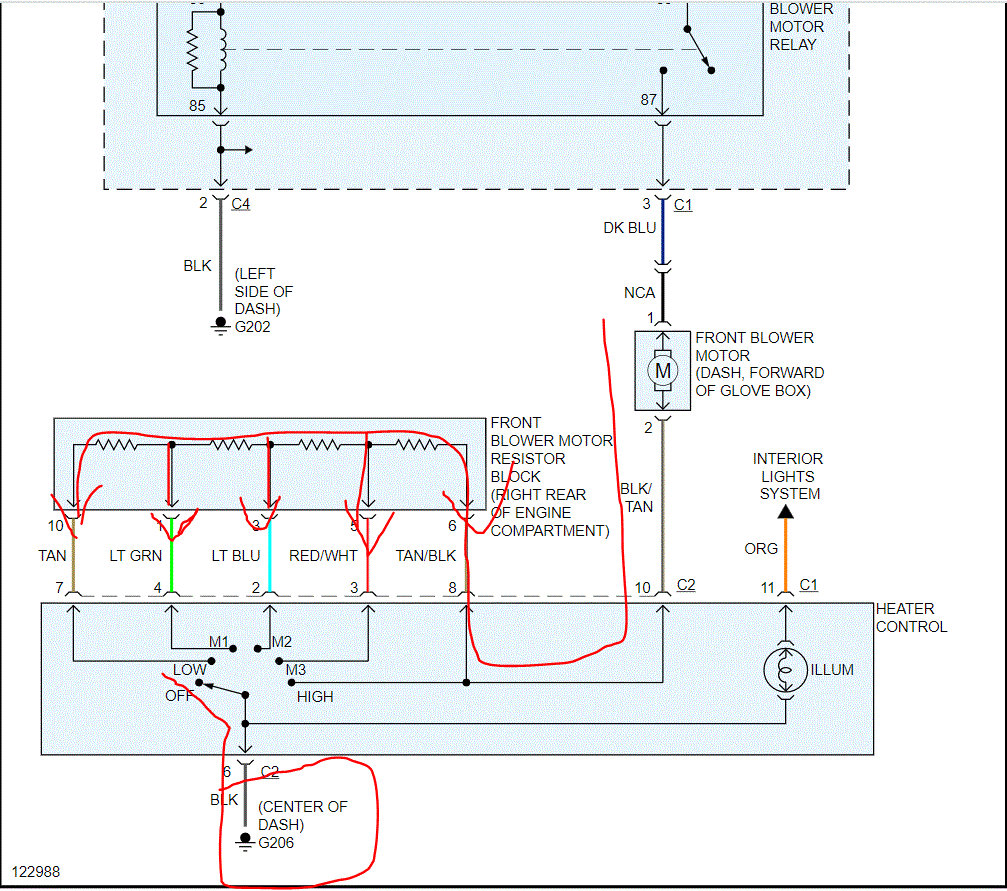
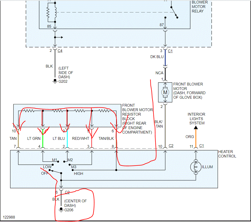
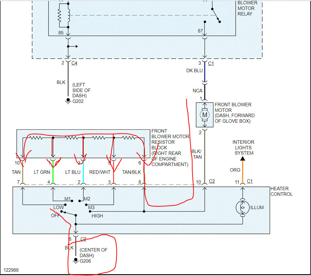
I need to first try to explain how the power runs through this system. Power isn't sent from the switch. Instead, it goes from the fuse (107), to the relay, then to the blower motor, the resister (based on speed requested), and then through the switch to ground. It's the opposite of what most people would expect.

Since everything is new, I have a feeling you lost ground. There is a black wire from the heater controller which ground center dash. I need you to disconnect the controller and check for continuity to the ground via that black wire.

I attached the wiring schematic for the system below. I have an arrow pointing the direction power travels. Note that if there is no ground, it doesn't matter if power is available. If there is no ground, the circuit isn't complete and the motor won't run.

If you find the ground is good, confirm the pins at the connector are good. If they are, then we need to start at the opposite end, the fuse, and trace the wiring to see where power is lost.

Here is a link that you may find helpful:

https://www.2carpros.com/articles/how-to-check-wiring

Let me know what you find or if you have other questions.

Take care,

Joe

See pics below.

Was this
answer
helpful?
Yes
No
+1
Wednesday, May 26th, 2021 AT 7:39 PM
Tiny
3BETHMC88
  • MEMBER
  • 5 POSTS
Thanks Joe! Will check first thing in the morning. Will let you know results!
Was this
answer
helpful?
Yes
No
Wednesday, May 26th, 2021 AT 8:32 PM
Tiny
JACOBANDNICKOLAS
  • MECHANIC
  • 110,194 POSTS
You are very welcome. Sounds like a plan. I look forward to hearing from you.

Take care,

Joe
Was this
answer
helpful?
Yes
No
Wednesday, May 26th, 2021 AT 8:55 PM

Please login or register to post a reply.