Monday, September 2nd, 2024 AT 7:03 AM
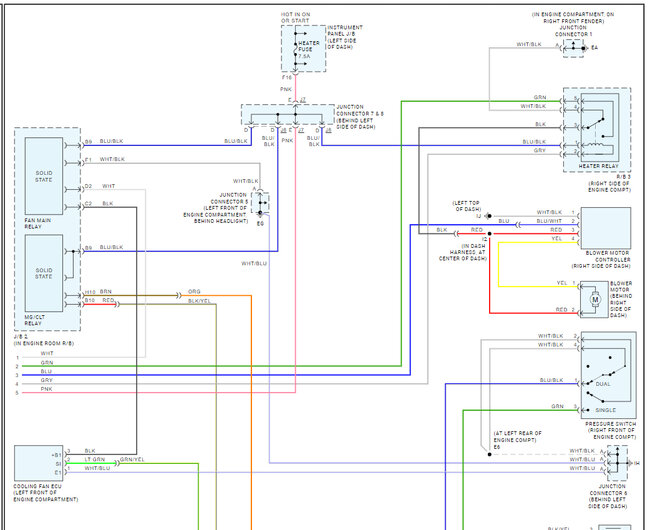
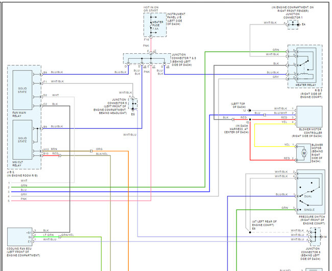
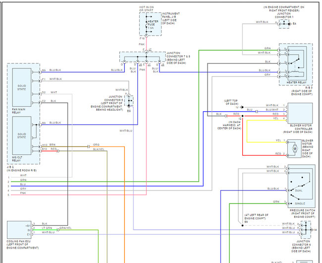
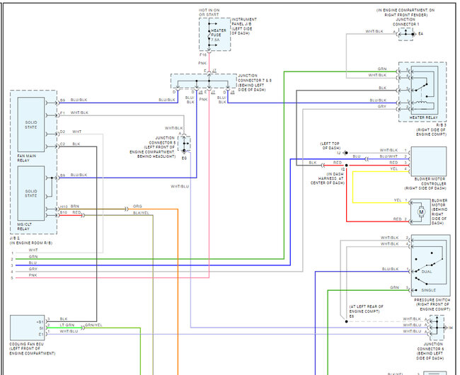
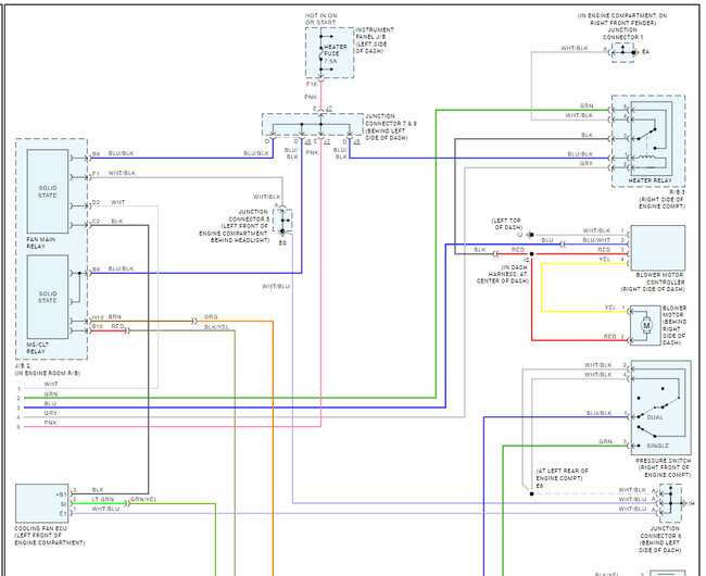
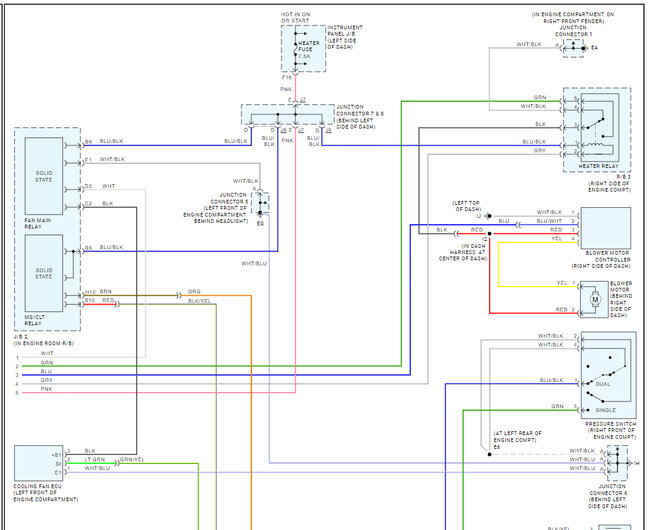
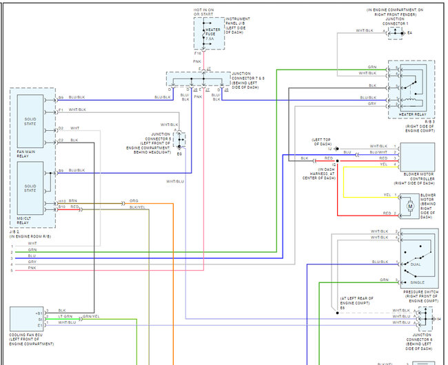
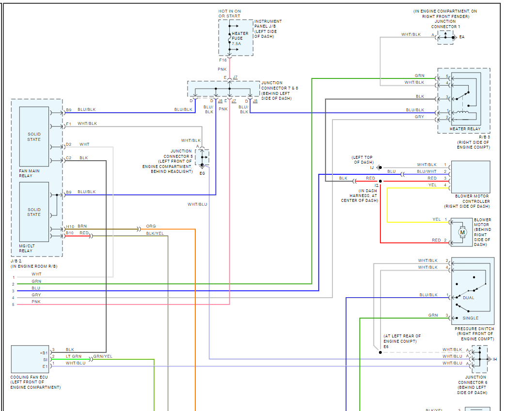
Which wire or color on back of A/C head unit should have power when ignition is on? No response at all from unit so I want to check ground and power.







