Sunday, August 30th, 2015 AT 2:25 PM
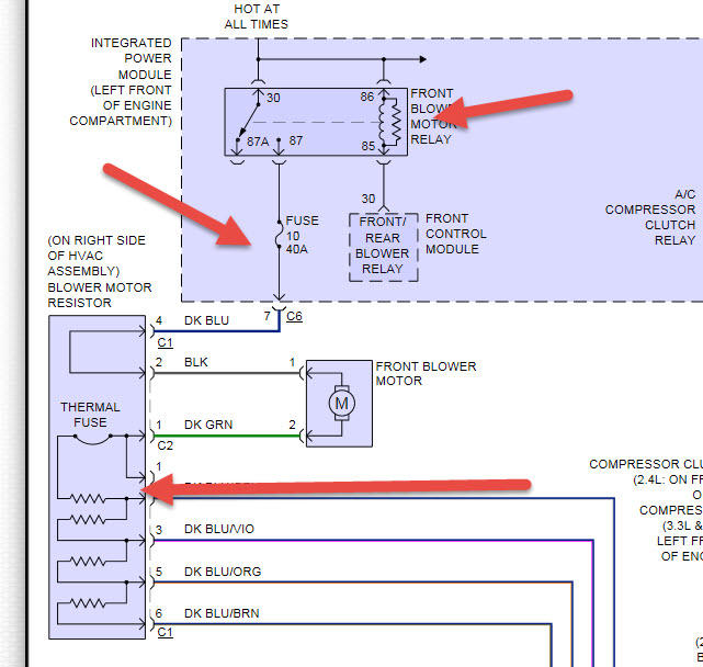
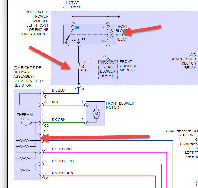
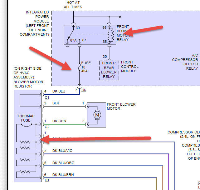
FOR THE LAST MONTH SO MY AIR CONDITIONER WOULD STOP BLOWING THE AIR THROUGH THE VENTS. I CAN FEEL THAT THE AIR IS COLD. I HAVE NEVER CHANGED THE CABIN AIR FILTER. I AM TRYING TI LOCATE IT NOW. AT TIMES WHEN I WOULD TAP UNDER DASH ON PASSENGER SIDE THE AIR WOULD START BLOWING AGAIN


