A/C fan motor intermittently shuts off and turns on?

Tiny
MARK420
  • MEMBER
  • 1999 ISUZU AMIGO
  • 6 CYL
  • 2WD
  • AUTOMATIC
  • 100,000 MILES
Then fan on the ac runs a little while and shuts off then after a couple minutes it comes back on.
Sunday, September 29th, 2024 AT 3:47 PM

1 Reply

Tiny
JACOBANDNICKOLAS
  • MECHANIC
  • 110,192 POSTS
Hi,

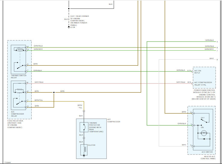
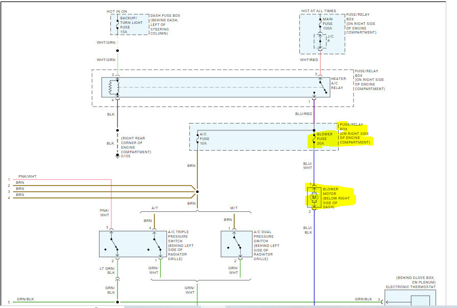
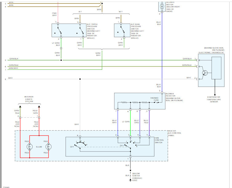
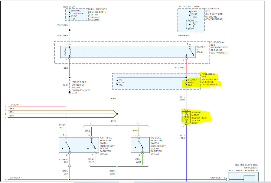
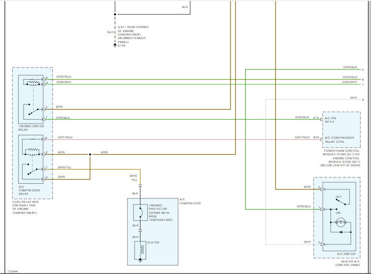
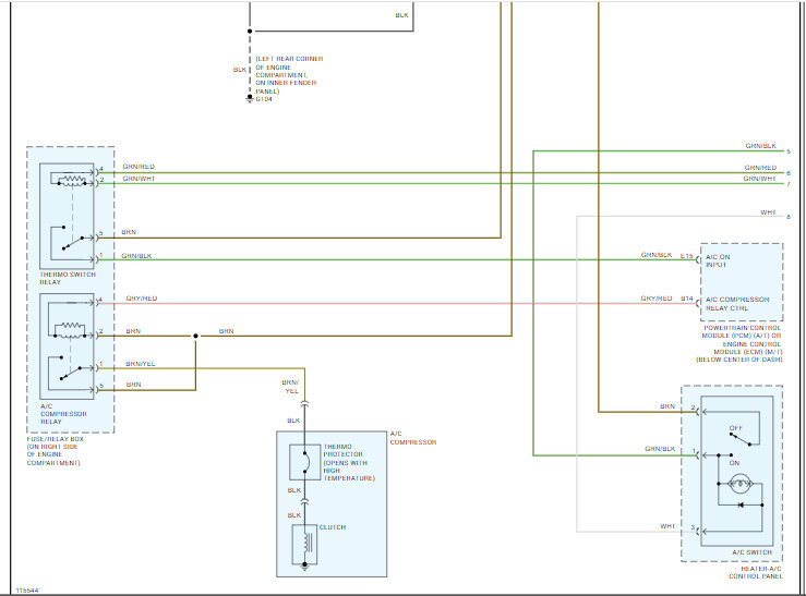
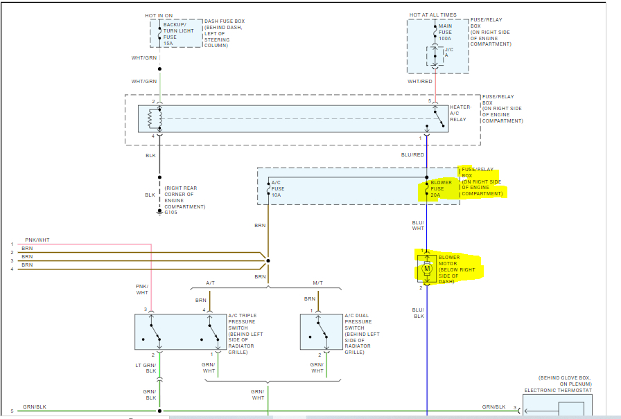
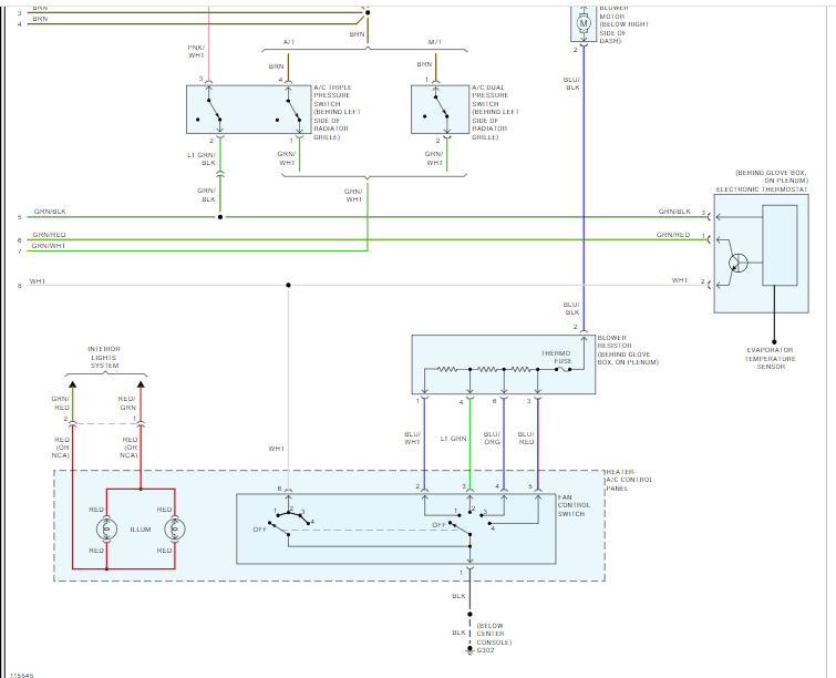
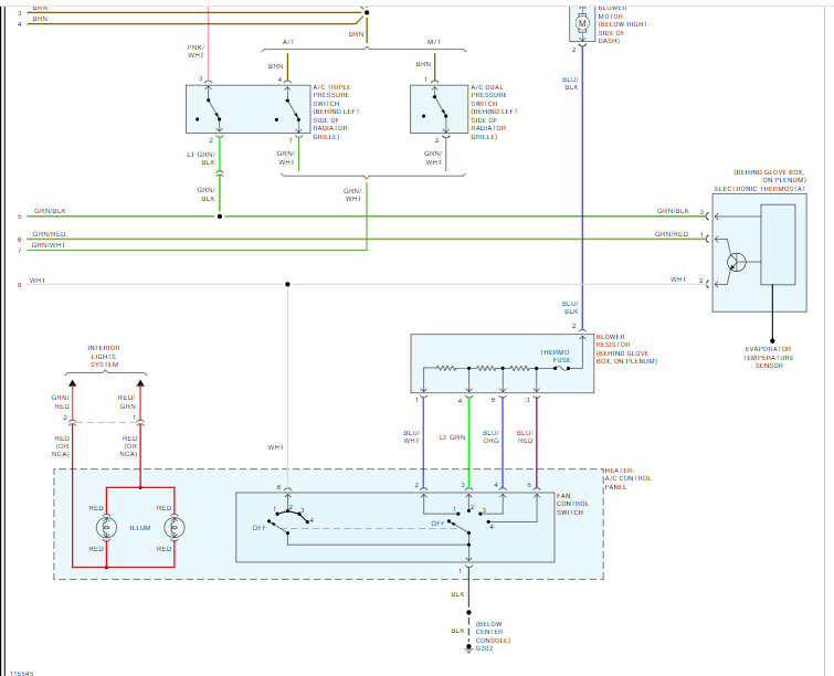
I need to know which fan you are referring to. Is it the condenser fan under the hood or is it the blower motor fan inside the vehicle?

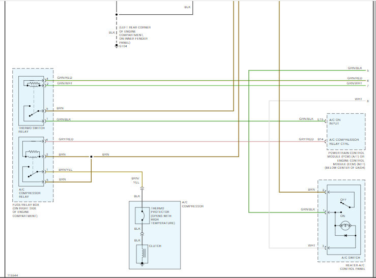
If it is the A/C condenser fan under the hood, it will cycle with the A/C compressor, so that isn't a concern.

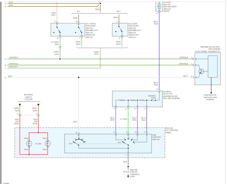
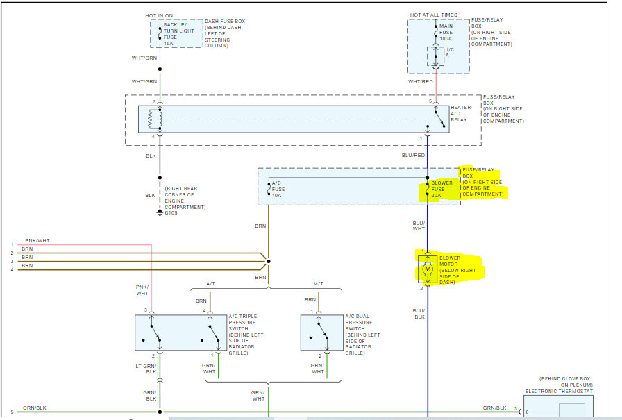
If it is the interior fan, check wire connectors at the fan motor (under right side of dash) and controller connections.

I attached the wiring schematic below for both fans. Also, check to make sure you don't have a loose or corroded fuse. See pics.

Let me know.

Joe

See pics below.
Was this
answer
helpful?
Yes
No
Sunday, September 29th, 2024 AT 7:40 PM

Please login or register to post a reply.