Radiator fan not coming on when the A/C turned on?

Tiny
BHAMDOC1973
  • MEMBER
  • 2010 AUDI A5
  • 3.2L
  • V6
  • 4WD
  • AUTOMATIC
  • 92,000 MILES
HVAC unit works fine. Fan not coming on when ac turned on. A/C compressor turning. These are the codes I found.
Tuesday, September 17th, 2024 AT 11:49 AM

8 Replies

Tiny
BHAMDOC1973
  • MEMBER
  • 2,018 POSTS
I think its the pressure switch. I removed the front plastic cover and found it but everywhere online it looks different. Can you get me part number? Here is mine and what I found online.
Was this
answer
helpful?
Yes
No
Tuesday, September 17th, 2024 AT 2:48 PM
Tiny
KEN L
  • MASTER CERTIFIED MECHANIC
  • 55,177 POSTS
I don't think the pressure switch will make the blower motor stop working. Here is a guide to help test to see if the blower motor is bad:

https://www.2carpros.com/articles/how-to-test-an-automotive-hvac-system-blower-fan-motor-a-detailed

I would check the blower motor wiring connections and the wiring at the speed resistor which I have seen burn up the wiring at the connectors. Here is the location for both.

please consider helping us keep the site going by using our GoFundMe page?

https://gofund.me/c7d318ad

Check out the images (below). Please let us know what happens.
Was this
answer
helpful?
Yes
No
Tuesday, September 17th, 2024 AT 4:12 PM
Tiny
BHAMDOC1973
  • MEMBER
  • 2,018 POSTS
No. I meant the engine fan not coming on, blower works fine.
Was this
answer
helpful?
Yes
No
Tuesday, September 17th, 2024 AT 4:14 PM
Tiny
KEN L
  • MASTER CERTIFIED MECHANIC
  • 55,177 POSTS
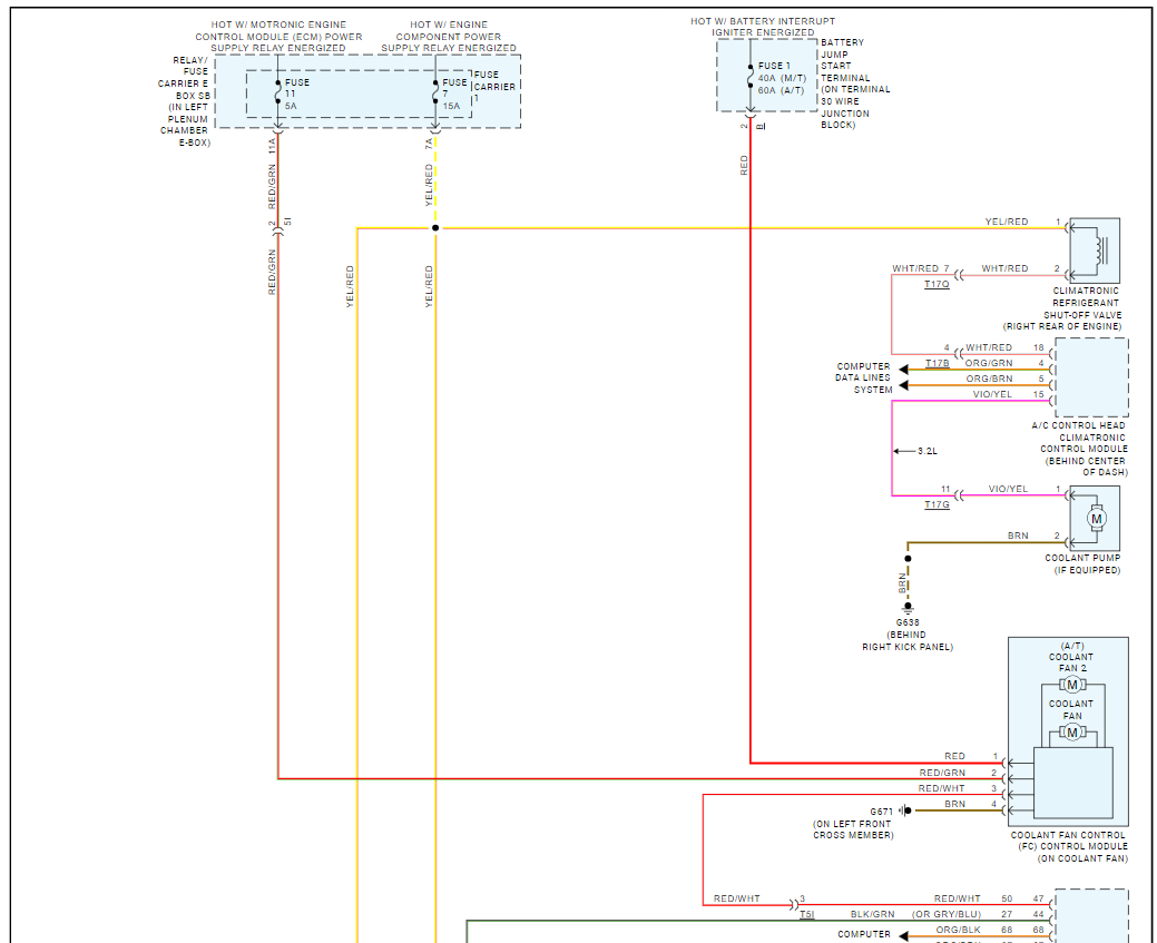
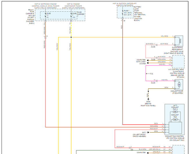
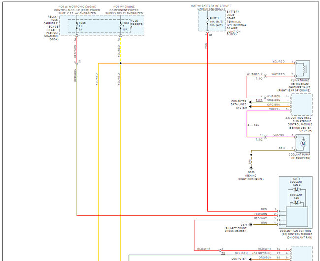
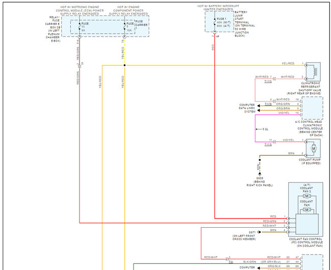
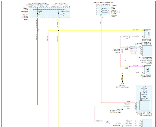
Okay, here are the radiator fan wiring diagrams so you can see how the system works. That pressure switch looks like a high-pressure switch, I don't have the part number for it.
Was this
answer
helpful?
Yes
No
Wednesday, September 18th, 2024 AT 8:34 AM
Tiny
BHAMDOC1973
  • MEMBER
  • 2,018 POSTS
If the switch is bad will it stop the compressor and therefore the fan from coming on?
Was this
answer
helpful?
Yes
No
Wednesday, September 18th, 2024 AT 8:35 AM
Tiny
KEN L
  • MASTER CERTIFIED MECHANIC
  • 55,177 POSTS
Does the system have refrigerant in it? This will cause the problem you are having. Try unplugging the pressure switch and then jump it to see if anything changes.
Was this
answer
helpful?
Yes
No
Wednesday, September 18th, 2024 AT 5:33 PM
Tiny
BHAMDOC1973
  • MEMBER
  • 2,018 POSTS
Replacing the sensor strangely fixed it you hardly see that on audis. Thanks for the help.
Was this
answer
helpful?
Yes
No
Saturday, September 21st, 2024 AT 3:39 PM
Tiny
KEN L
  • MASTER CERTIFIED MECHANIC
  • 55,177 POSTS
Glad you could get it fixed, thanks for letting us know. Please use 2CarPros anytime we are here to help.
Was this
answer
helpful?
Yes
No
Sunday, September 22nd, 2024 AT 10:06 AM

Please login or register to post a reply.