Saturday, June 13th, 2020 AT 4:44 PM
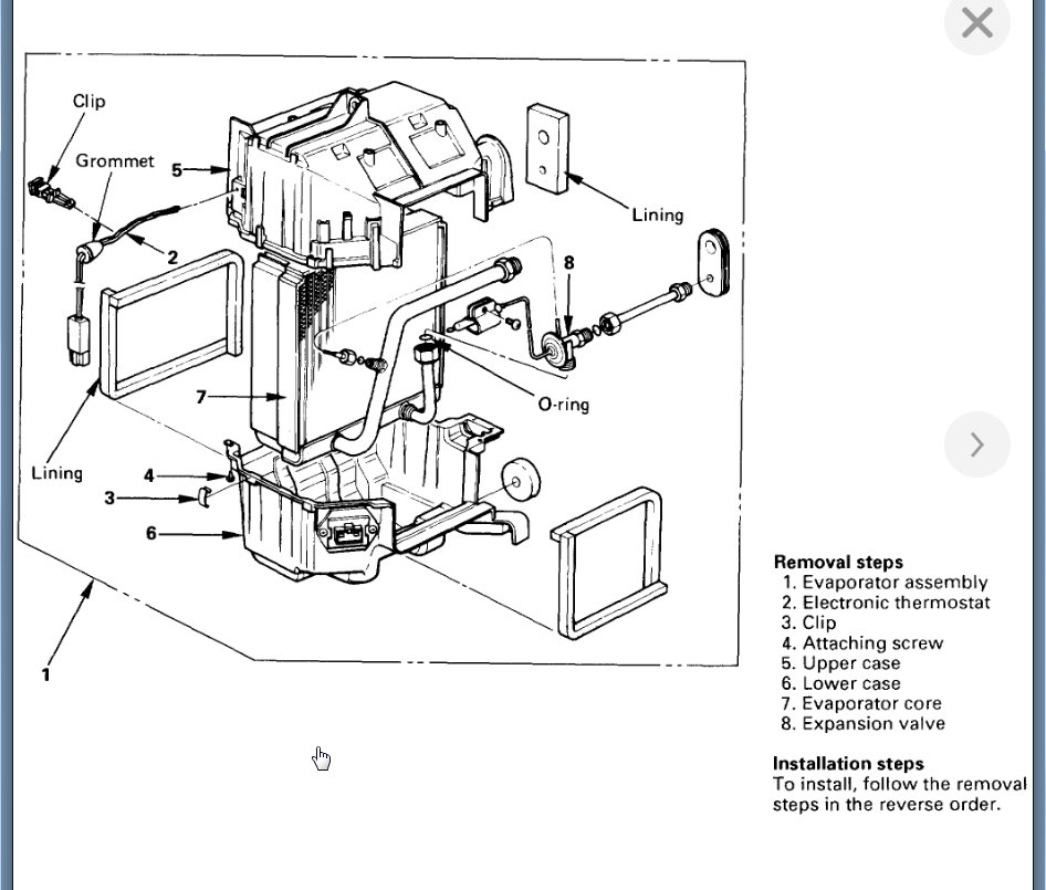
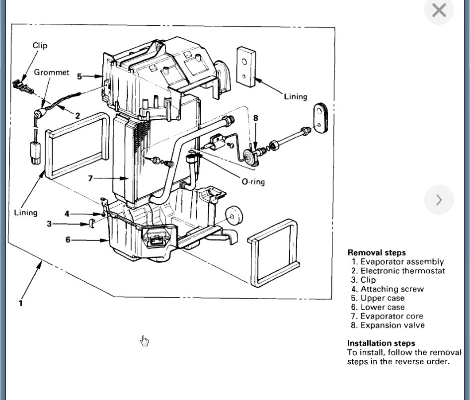
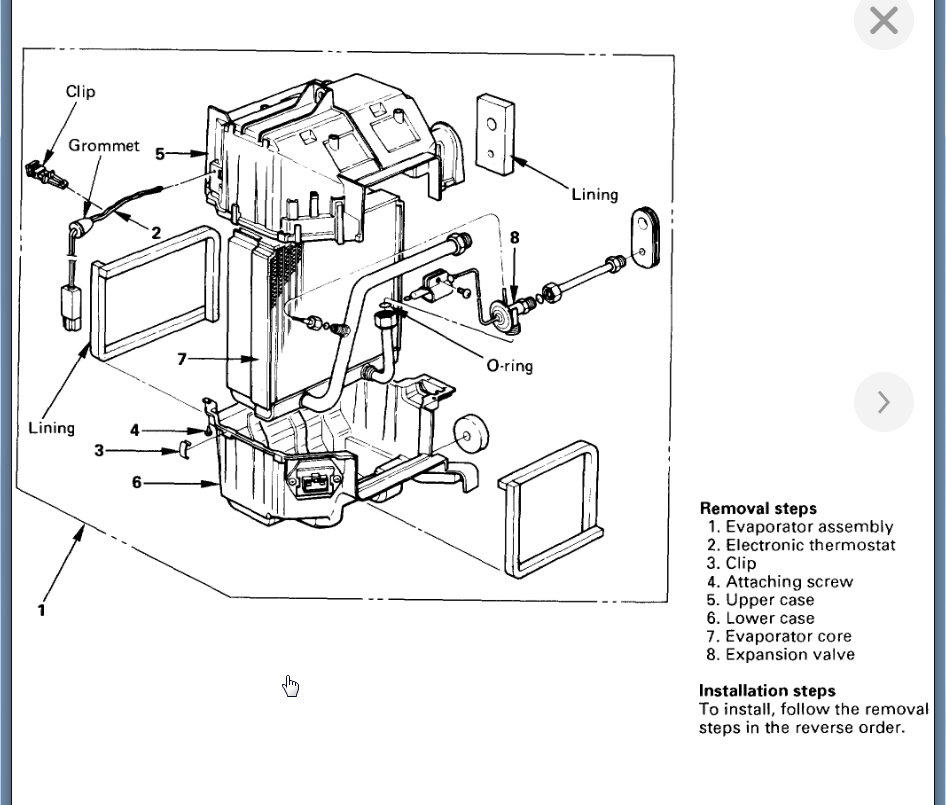
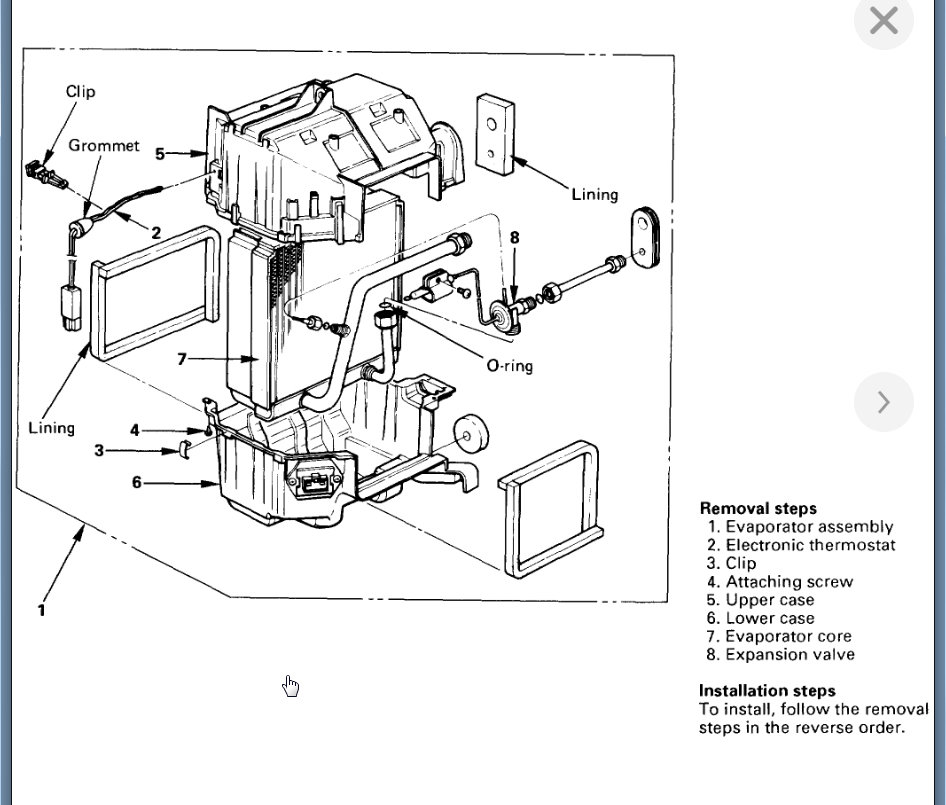
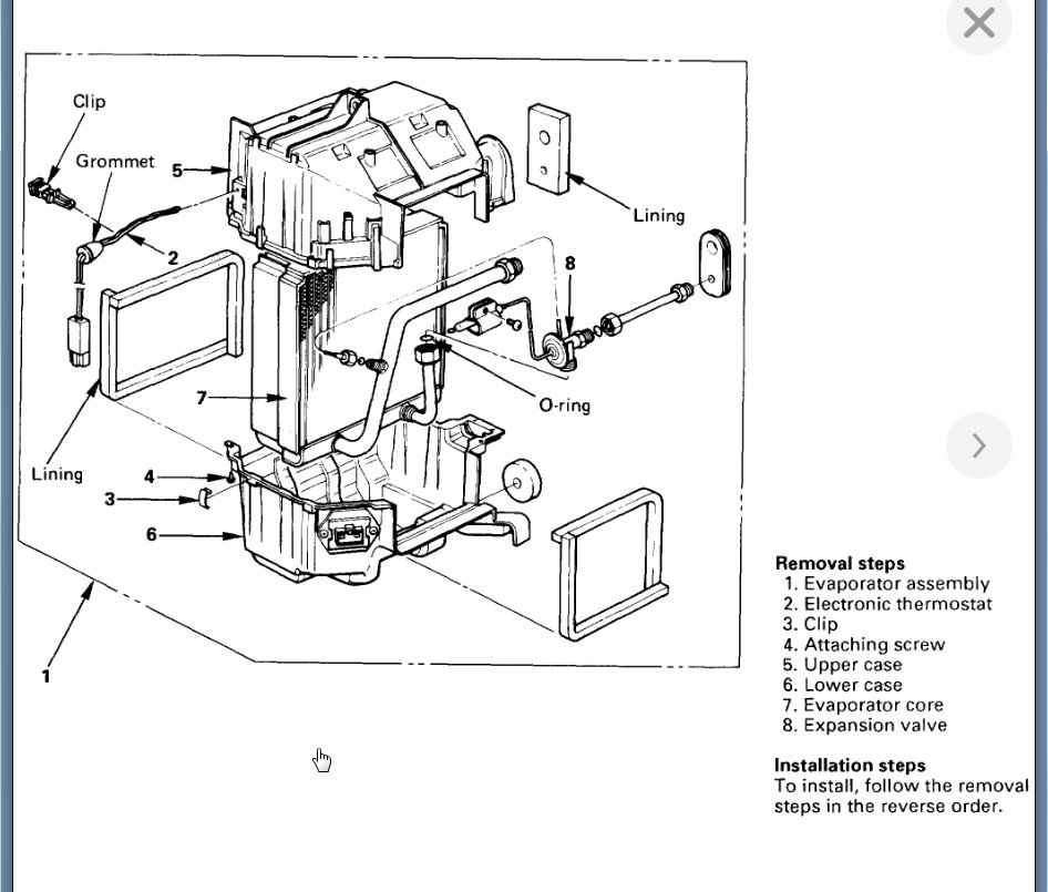
Just got the A/C compressor, and the dryer changed out. I am not able to locate the expansion valve. If I could get the location and what I need to do to access it that would be awesome. Thanks







