Friday, June 3rd, 2016 AT 4:02 PM
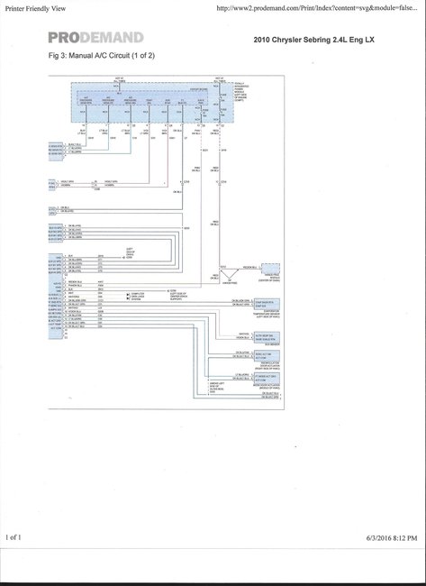
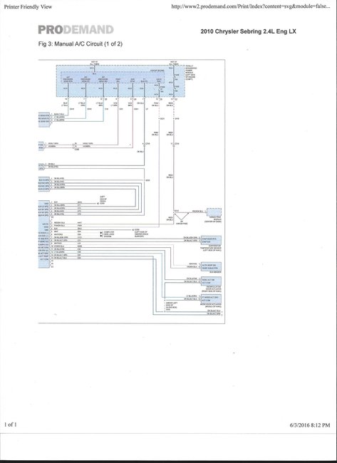
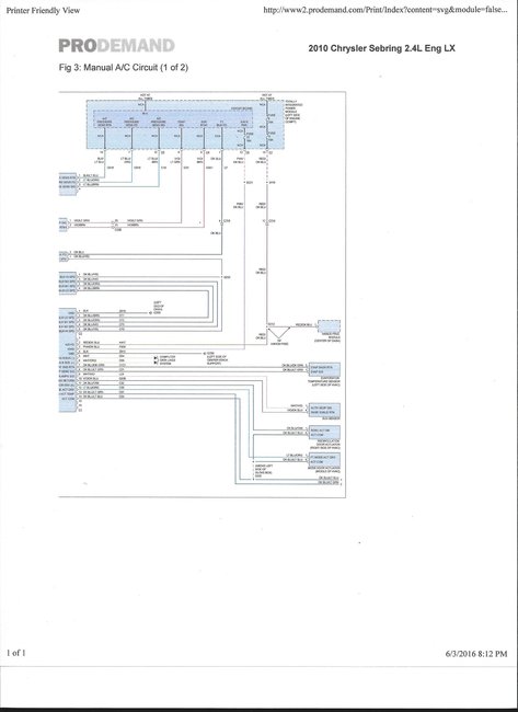
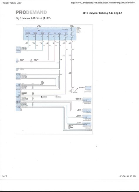
Air conditioner was only working on high and then stopped completely. Attempted repair by replacing blower motor resistor and blower motor. Not sure what else to check. Air conditioning lines under the hood are cold. I can hear a slight drag on the engine when attempting to run the air conditioner, but still nothing seems to engage and blow air.



