A/C cooling fan

Tiny
TREY PEEPLES
  • MEMBER
  • 2014 RAM 1500
  • 5.7L
  • V8
  • 4WD
  • AUTOMATIC
  • 110,000 MILES
When going down the road the A/C is cool. When sit for 10 to 15 minutes A/C condenser fan goes off and compressor stops. If I get going back down the road A/C blows cold. Replaced the A/C condenser fan relays. Still doing the same thing. Could it be the fan getting hot and not working properly? Or is there a sensor of some sort that tells the fan to come on?
Wednesday, September 4th, 2019 AT 8:12 PM

1 Reply

Tiny
KENW1
  • MECHANIC
  • 213 POSTS
Welcome to 2CarPros.

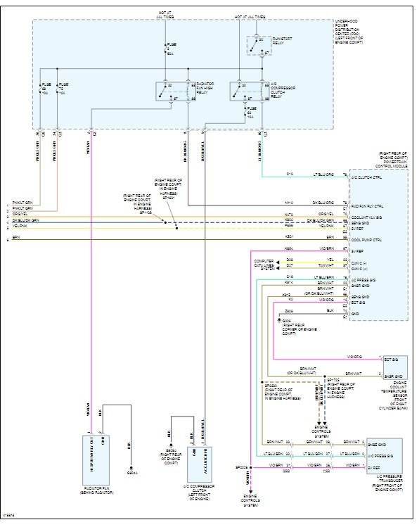
There is a pressure sensor in the smaller diameter line that controls the fan and clutch engagement on the compressor. I'll post info on replacing it along with the wiring diagram below.

Another common thing that causes the poor cooling and pressure issues at idle is a failing expansion valve. Replacement is not difficult but you will need to have the refrigerant evacuated and recharged. Info on that below as well.

Most often it's the expansion valve

PRESSURE SWITCH
1. Disconnect and isolate the negative battery cable.

2. Disconnect the wire harness connector (1) from the A/C pressure transducer (2) located on the A/C discharge line (3).

3. Remove the A/C pressure transducer from the fitting on the A/C discharge line and remove and discard the O-ring seal.

EXPANSION VALVE

1. Disconnect and isolate the negative battery cable.

2. Recover the refrigerant from the refrigerant system

3. Remove the nut (1) that secures the A/C liquid line (2) and A/C suction line (3) to the A/C expansion valve (4).

4. Disconnect the A/C liquid and suction lines and from the A/C expansion valve and position the refrigerant lines out of the way.

5. Remove the O-ring seals from the liquid and suction line fittings and discard.

6. Install plugs in, or tape over the opened liquid and suction line fittings.

7. Remove the two bolts (1) that secure the A/C expansion valve (2) to the evaporator tube tapping block (3).

8. Remove the A/C expansion valve from the evaporator tube tapping block and remove and discard the O-ring seals.

9. Install plugs in, or tape over the opened evaporator tube fittings and all expansion valve ports.
Was this
answer
helpful?
Yes
No
Saturday, September 7th, 2019 AT 8:15 AM

Please login or register to post a reply.