A/C Control Panel wiring diagram needed

Tiny
SABINE BAUER
  • MEMBER
  • 2013 CHEVROLET MALIBU
  • 2.4L
  • 4 CYL
  • 2WD
  • AUTOMATIC
  • 93,000 MILES
Hello! I just destroyed the connector terminal that goes into the A/C Panel. Now I want to rewire the connector but I am not sure in which order the three cables should be connected. Anybody here that can help me?
Cheers from Germany,
Sabine
Thursday, June 23rd, 2022 AT 11:30 PM

4 Replies

Tiny
JACOBANDNICKOLAS
  • MECHANIC
  • 110,192 POSTS
Hi,

That doesn't sound good. Listen, I would be happy to help but I need to know if you have automatic or manual climate control.

Let me know.

Take care,

Joe
Was this
answer
helpful?
Yes
No
Friday, June 24th, 2022 AT 9:12 PM
Tiny
SABINE BAUER
  • MEMBER
  • 4 POSTS
That’s how the panel looks like.
Was this
answer
helpful?
Yes
No
Saturday, June 25th, 2022 AT 3:19 AM
Tiny
SABINE BAUER
  • MEMBER
  • 4 POSTS
The connector is just a terminal socket with three cables going in.
Was this
answer
helpful?
Yes
No
Saturday, June 25th, 2022 AT 3:21 AM
Tiny
JACOBANDNICKOLAS
  • MECHANIC
  • 110,192 POSTS
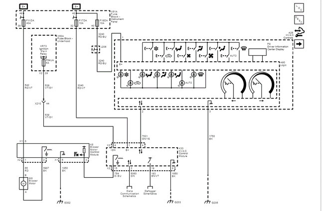
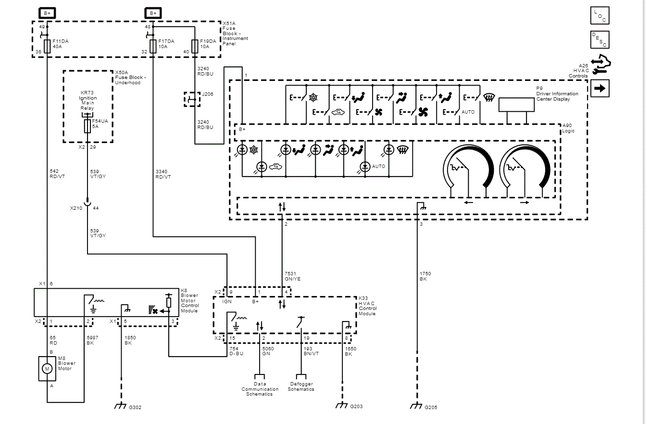
Hi,

That's for automatic climate control. I attached the wiring schematic below for the controller and control module.

Take a look through it and let me know if it helps. Also, here is a link you may find helpful:

https://www.2carpros.com/articles/how-to-check-wiring

Take care,

Joe

See pic below.
Was this
answer
helpful?
Yes
No
+1
Saturday, June 25th, 2022 AT 8:35 PM

Please login or register to post a reply.