Monday, September 4th, 2023 AT 6:58 AM
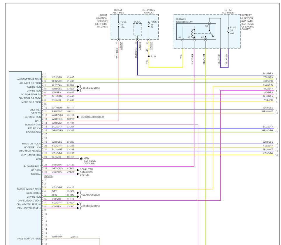
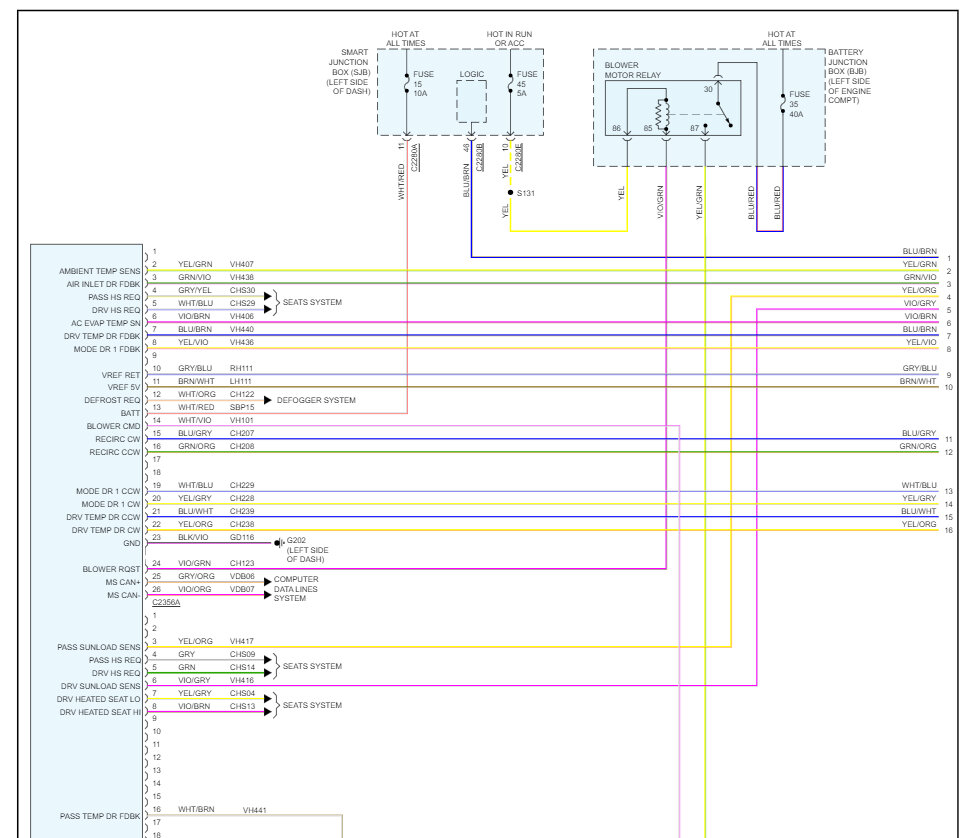
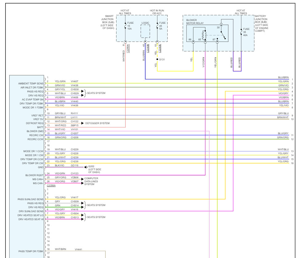
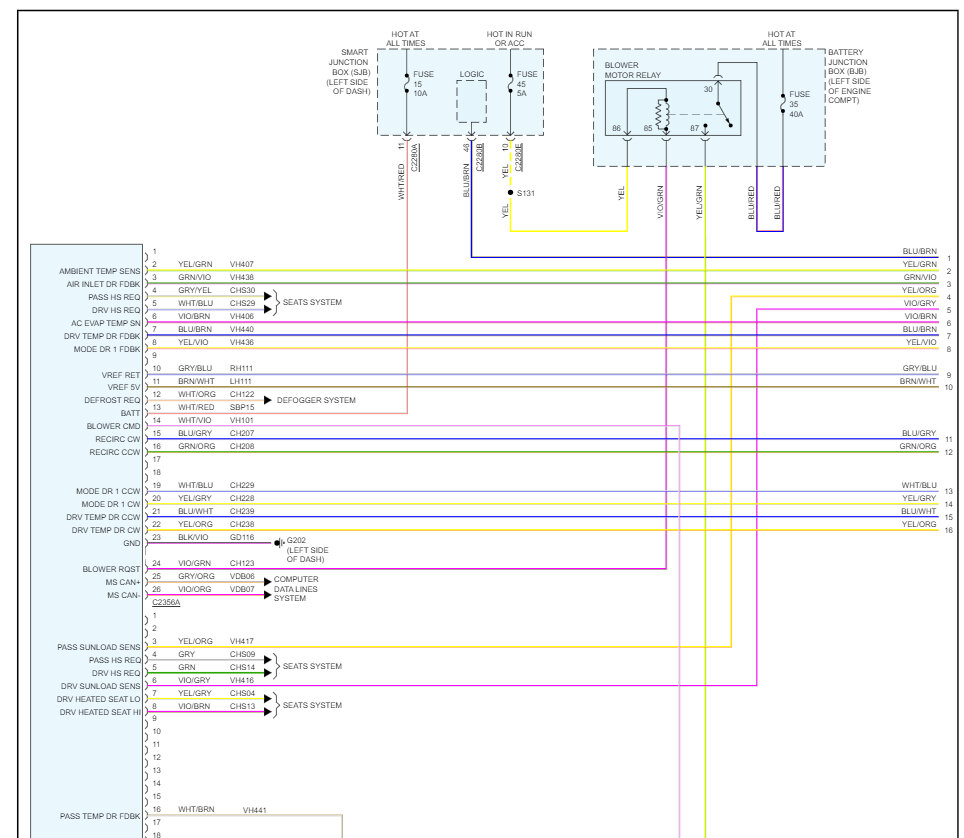
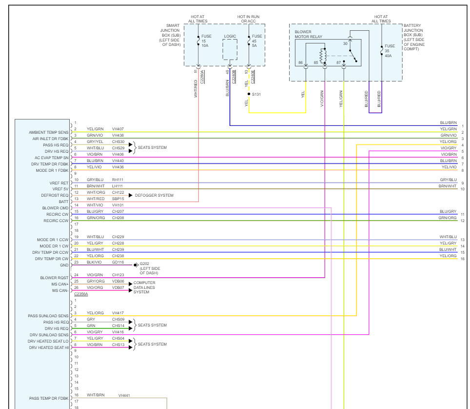
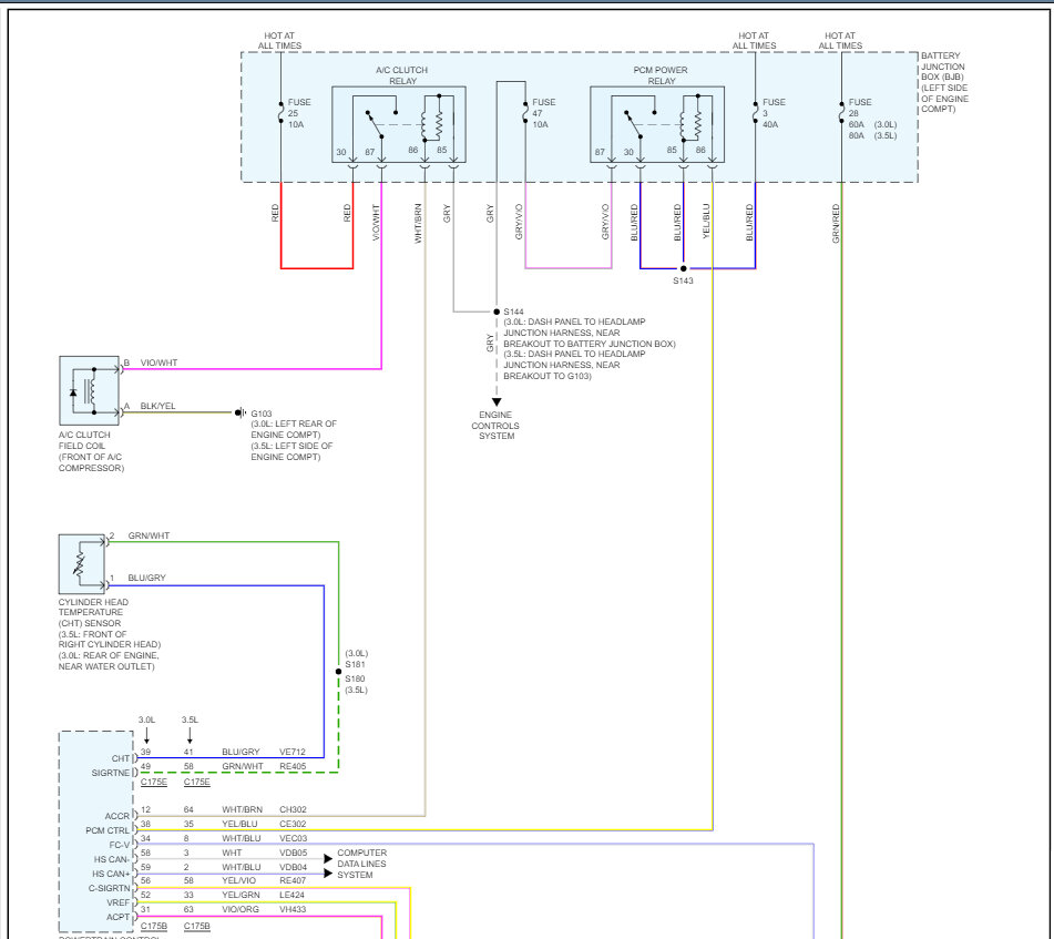
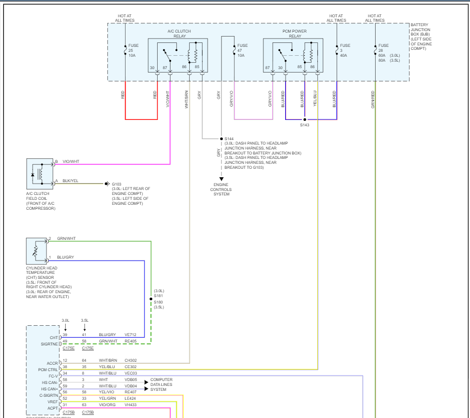
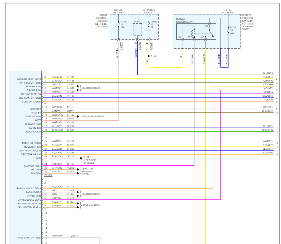
The control panel for the A/C will not come on and it does not light up. All the fuses and relays are good. What would cause this problem? The blower motor resistor plug was changed. Everything was coming on and working fine, they unplugged the resistor and moved the wires to get them up out of the way. And plugged it back in and nothing has come back on.








