A/C condenser fan not turning on when A/C is on?

1995 OLDSMOBILE CIERA
110,000 MILES • 3.1L • 6 CYL • 2WD • AUTOMATIC
Avatar
RACERXX
  • MEMBER
  • 5 POSTS
This question is on the car listed above. When the AC is turned on, the condenser fan does not turn on. The A/C compressor, condenser and accumulator were all replaced. The A/C works fine, and the radiator fan turns on but not the condenser fan. I have checked the fuses and relays, and all are working properly. I also applied battery current directly to the condenser fan and it turns on. What else can I do to check why the A/C condenser fan is not turning on?
Apr 15, 2023 at 5:02 PM
Advertisement
Avatar
BRENDON S
  • CAR REPAIR CONTRIBUTOR
  • 653 POSTS
Hello RACERXX,

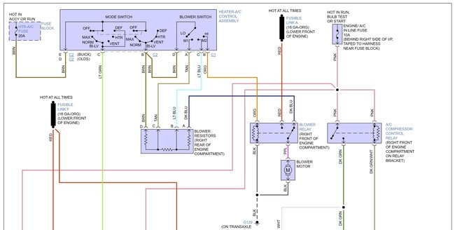
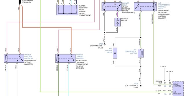
On the relay you should have 4 terminals and should be numbered.

85-Power in for control
86-Relay control to PCM
30-Power in for fan
87-Power to fan

You should have power at all times on terminal 30. I would use a multimeter, pull out the relay and see if you have 12 volts there. You can use battery negative for the ground.

If you do have power, there I would make a jumper wire with 12-gauge wire and 2 male flat blade crimp terminals. This will bypass the control side of the relay and verify all the wiring to the fan is good, at least the side of the circuit that powers it.

Does the fan operate?

We already know we don't have power to the fan, but we also know it works, so now we have to figure out if it is the switched side having an issue or the control side.

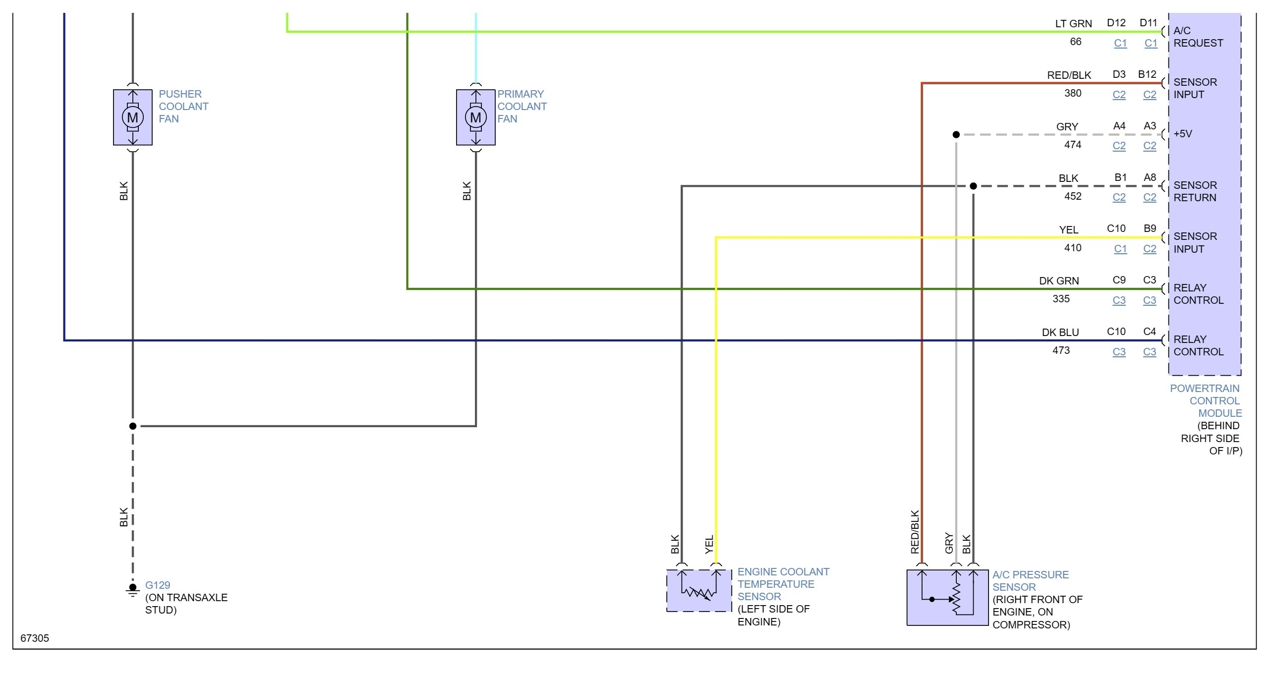
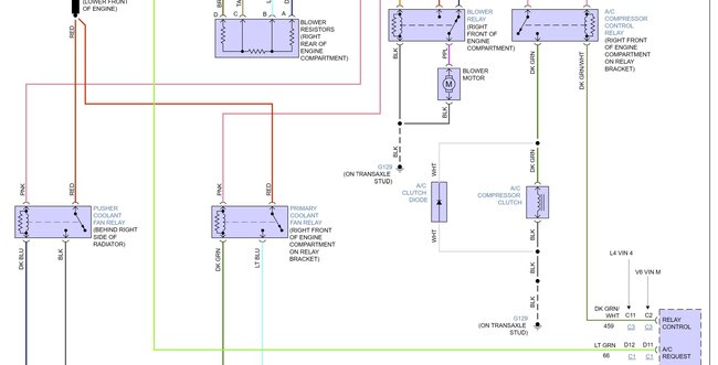
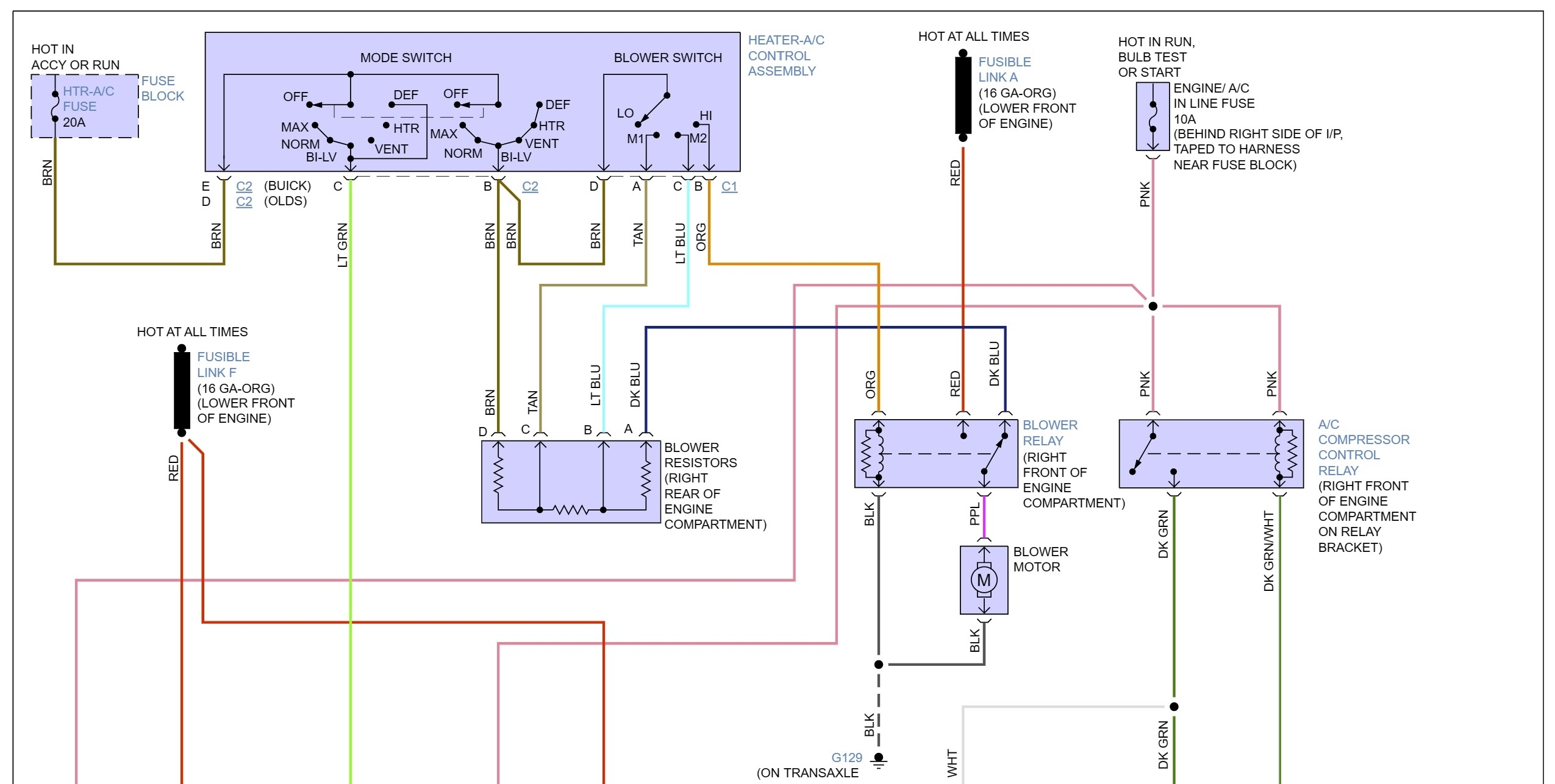
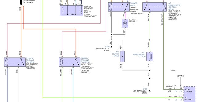
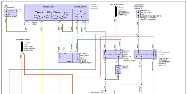
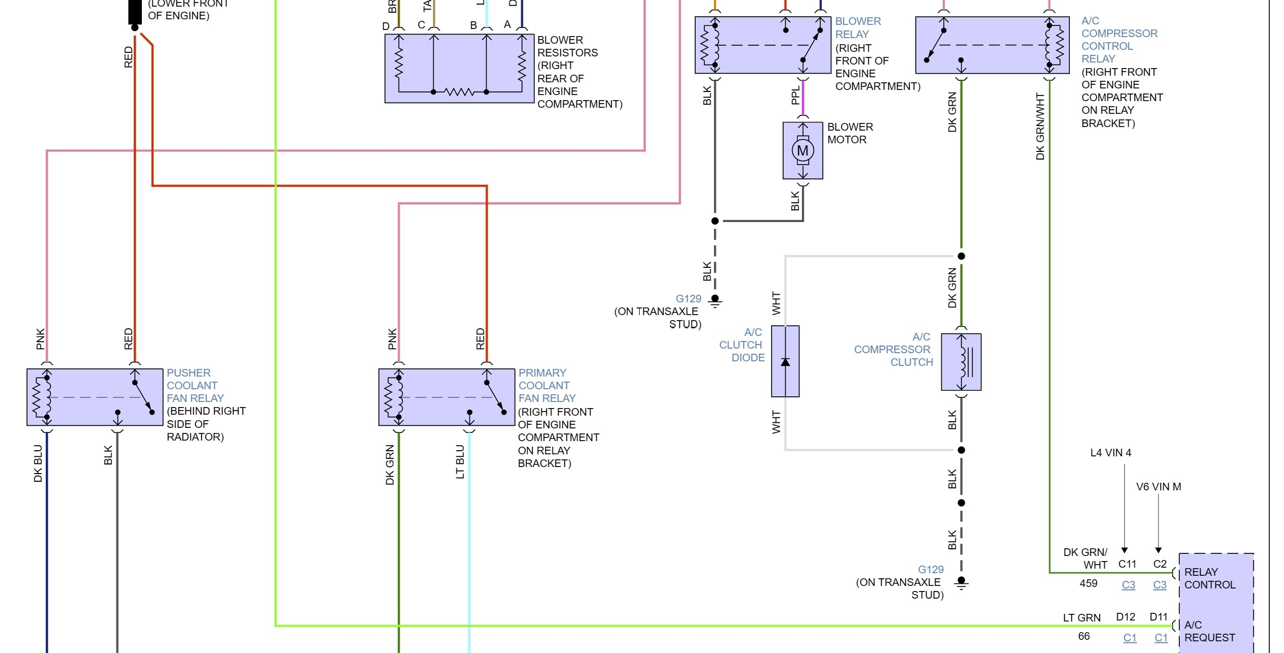
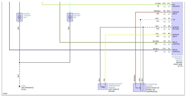
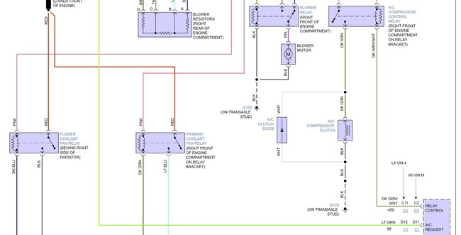
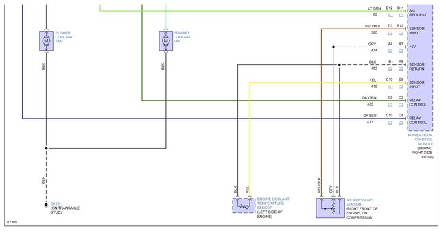
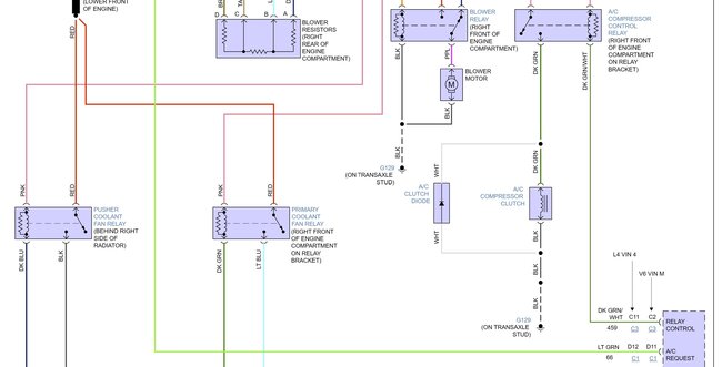
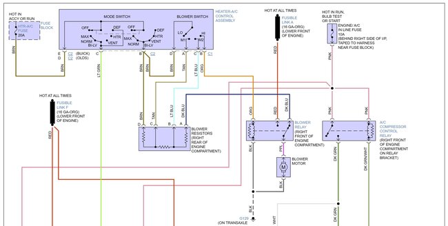
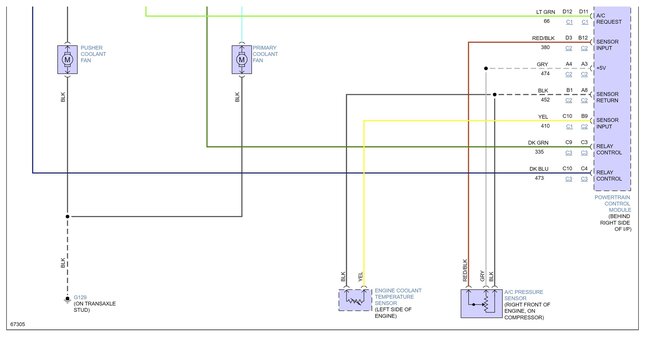
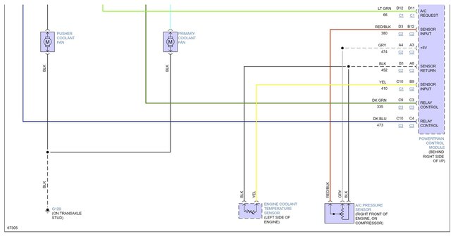
I am adding some wiring diagrams for you.

If you don't have a multi-meter, you can pick one up from a local auto parts store. A test light will work for testing for the presence of power but won't give us any information on the amount of voltage. Also, you will need this tool to perform other test down the road as we will be testing every part of the circuit to isolate and find the issue.

Start there and let me know what happens.

Thank you,
Brendon
Apr 16, 2023 at 10:06 AM
Advertisement
Avatar
RACERXX
  • MEMBER
  • 5 POSTS
Hi, thank you for the information that you sent me. There is power on the terminal 30 but when I jumped it the condenser fan does not turn on. I let the air conditioner run for a good while and the condenser fan turned on. Is this normal? The radiator fan turns on for a while and then turns off.
Apr 28, 2023 at 1:15 PM
Avatar
BRENDON S
  • CAR REPAIR CONTRIBUTOR
  • 653 POSTS
Good morning, RacerXX,

Okay. So, when you jumped from terminal 30 to terminal 87 with the relay out the fan didn't operate?

Then you started it and let it run with the A/C on and the fan ended up kicking on.

When the car was running and the A/C was on and the fan turned on, did you have the relay back in or were you using the jumper wire?

Thank you,
Brendon
Apr 29, 2023 at 4:05 AM
Advertisement
Repair Safety Notice: This information is for general instructional purposes only. Vehicle repair can be dangerous. Verify all information, follow manufacturer service procedures, use proper tools and safety equipment, and consult a qualified repair shop when needed.