HOME
ASK A QUESTION
REPAIR GUIDES
BECOME A MEMBER
LOG IN
Login with Facebook
OR
Remember me
NOT A MEMBER?
FORGOT PASSWORD?
CONTACT US
PRIVACY POLICY
TERMS AND CONDITIONS
☰
Home
Chrysler
300
Climate Control
Air Conditioner
Condenser
Replace/Remove
AC condenser installation
DADDYA
MEMBER
2006 CHRYSLER 300
3.5L
6 CYL
2WD
AUTOMATIC
123,000 MILES
When installing a new condenser with the receiver/drier attached, do you have to add PAG46?
Sunday, July 23rd, 2017 AT 8:43 AM
5 Replies
HMAC300
MECHANIC
48,601 POSTS
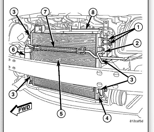
To replace the oil that was in old condenser so you do not burn up the compressor. it takes one ounce. See picture and video.
https://youtu.be/ipmmluZmgaU
Please let us know what happens.
Cheers
Image (Click to make bigger)
Was this
answer
helpful?
Yes
No
Sunday, July 23rd, 2017 AT 12:12 PM
DADDYA
MEMBER
29 POSTS
The new compressor came with five ounce's. Do I add an ounce in the new condenser?
Was this
answer
helpful?
Yes
No
Sunday, July 23rd, 2017 AT 2:06 PM
HMAC300
MECHANIC
48,601 POSTS
Yes it will circulate all through the system.
Was this
answer
helpful?
Yes
No
+1
Sunday, July 23rd, 2017 AT 3:44 PM
DADDYA
MEMBER
29 POSTS
Thank you HMAC300.
Was this
answer
helpful?
Yes
No
Monday, July 24th, 2017 AT 3:53 AM
KEN L
MASTER CERTIFIED MECHANIC
54,725 POSTS
Please let us know if you need anything else to get the problem fixed.
Cheers, Ken
Was this
answer
helpful?
Yes
No
Monday, July 24th, 2017 AT 4:13 PM
Please
login
or
register
to post a reply.
Related Air Conditioner Condenser Replace/Remove Content
Air Conditioner Fuse?
The Air Compressor Does Not Run. Is There A Fuse For That And Where Is It Located?
Asked by
rosasegura241
·
1 ANSWER
8 IMAGES
2006
CHRYSLER 300
A/c Blowing Hot Air
Air Conditioning Problem - 6 Cyl Two Wheel Drive Automatic The A/c All The Sudden Started To Blow Hot Air, Do You Know What Wrong? ...
Asked by
jjbb
·
5 ANSWERS
8 IMAGES
2006
CHRYSLER 300
Ac Discharge Lines
I Installed A New Ac Compressor And Stud On The Discharge Lines Up Different From The Discharge Fitting End. Can I Spin It In The Same...
Asked by
DaddyA
·
3 ANSWERS
2006
CHRYSLER 300
Ac Not Blowing Good In Front Fans
The First Problem Was That I Could Not Control My A/c On How Much Air Was Blowing So It Would Constantly Blow On Full Max Until The Blower...
Asked by
Trigun05
·
1 ANSWER
1 IMAGE
1999
CHRYSLER 300
A/c Problems
I Have A 1999 Chrysler 300m 3.5l V6 93k Miles My Air Conditioning Recently Quit Working. I Noticed It Started Getting Weaker So I Had It...
Asked by
bdahl77
·
2 ANSWERS
CHRYSLER 300
VIEW MORE
Ask a Car Question. It's Free!
Air Conditioner Recharge - Simple
Air Conditioner - Add Refrigerant
Air Conditioner - Vacuum Down and Recharge