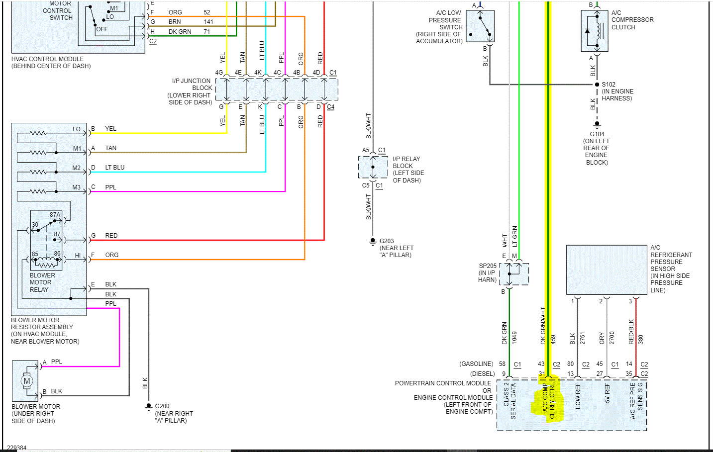
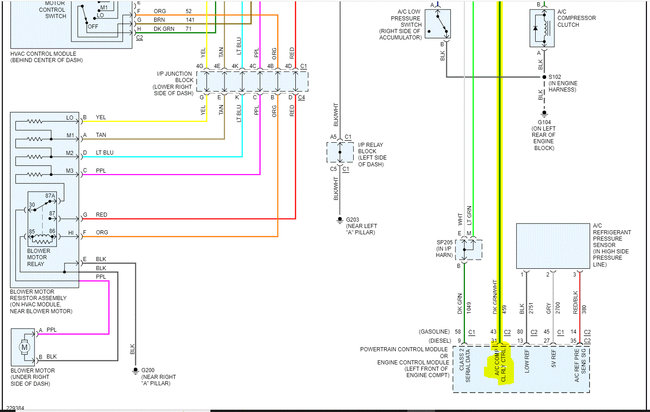
I did have to change the wiring for the blower motor this winter because the heat wasn't working. It turned out the resistor was bad, so I replaced it and the plug as it was burnt. I am wondering if I have a bad HVAC module
With the A/C turned on and running I have 4.5v on the plug for the low-pressure switch. I have not checked the voltage at the high side plug. I know I am getting power to the compressor because it will kick on when I jump the relay 87 to 30.
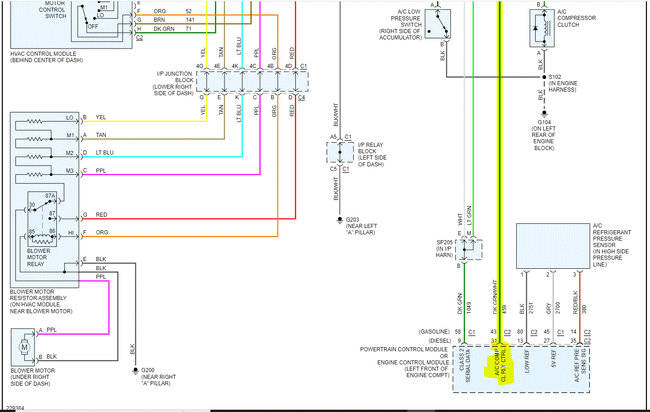
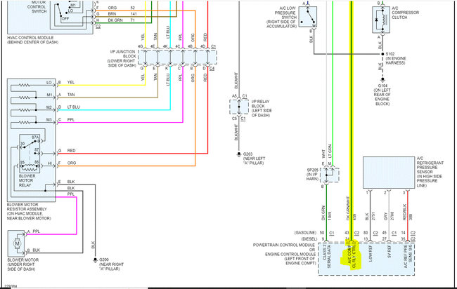
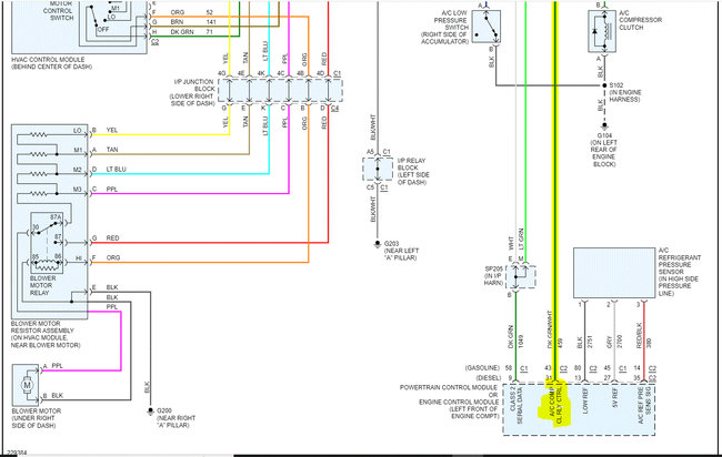
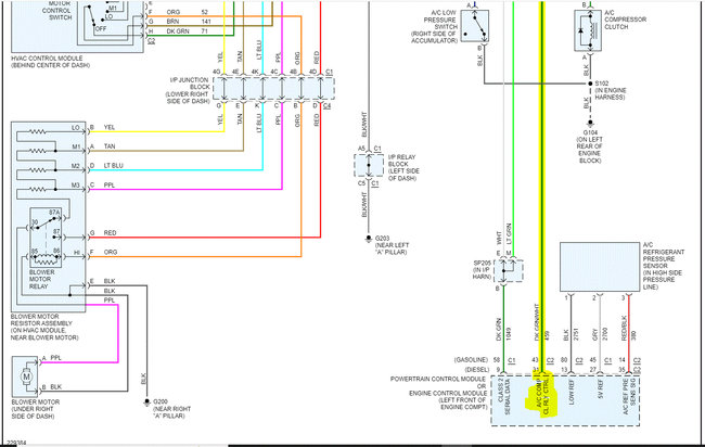
I am kind of at a loss and any help would be appreciated. I could use a wiring diagram for the A/C system if anyone had one that could help. Thanks.
Wednesday, April 27th, 2022 AT 10:12 AM


