Then another "expert" replaced the compressor with a used one, and the same situation again. He made five reparations and recharging (including the compressor replacing) trying to replace some gasket rings, some hoses (as he said), but after the fifth intervention said that the internal (in the cabin) evaporator (radiator) is maybe leaking and must be replaced.
Third "expert" recharged and replaced some sealing rings again and the situation was the same. On his second inspection he said that compressor is leaking also.
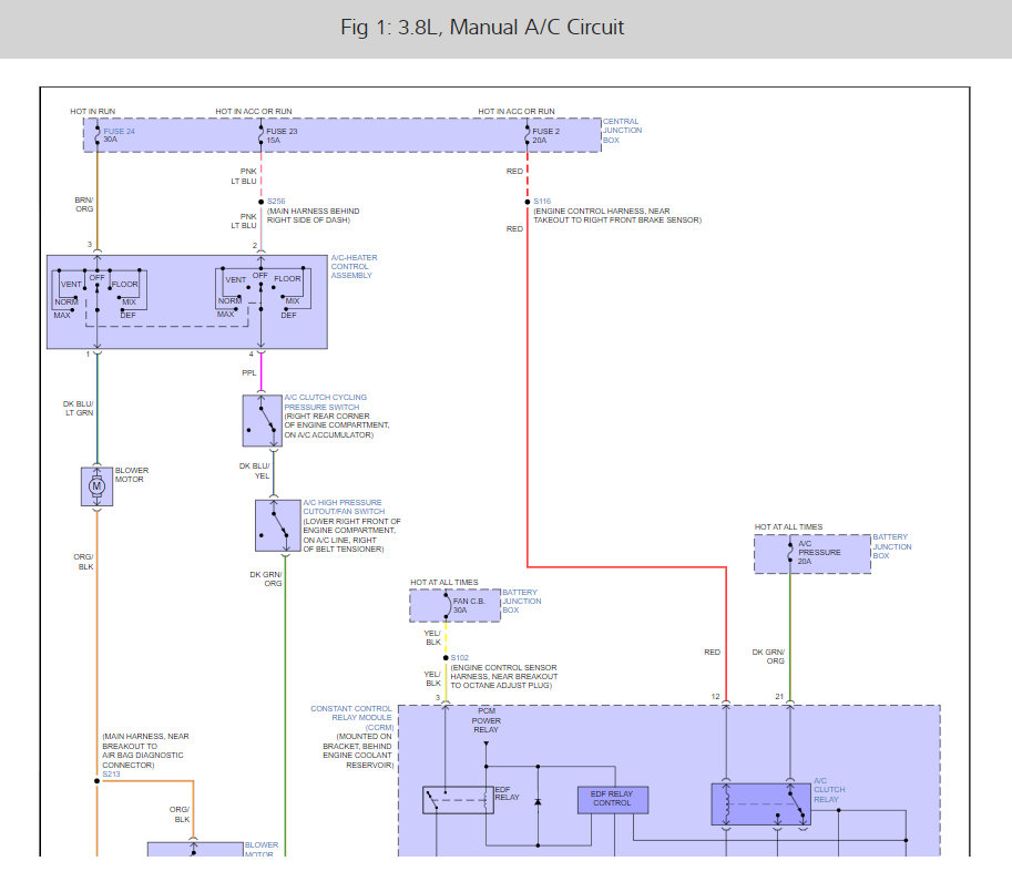
(I must notice here that after every recharging the A/C was blowing very cold air and worked perfectly the first week. After 10-12 days the coldness was going lower and lower, and the symptom was continuous on and off cycle of the compressor)
Finally, the fourth "expert" confirmed that compressor is leaking and better to buy brand new one.
I purchased from a local dealer by part number and win number and received the same but with smaller clutch wheel diameter on the front side.
The mechanic said it would not be a problem, and he will adjust the belt tensioner.
When I took the car, he told me that it works perfectly.
But what I noticed:
When parked in place and turn on the A/C, compressor starts cycling On and Off in about 2-3 seconds interval. If I press the gas pedal a little, it starts and stays on even after releasing the pedal.
When I drive and turn the A/C on, it blows pretty cold air, but I can clearly hear the clicking of compressor from a little opened window, it makes On and Off at intervals of about 10 seconds.
I tried two almost useless steps, the first one to completely clear and wash the outside radiator (in the front of car) even it was clear, and the second one to try with another compressor relay but result was the same.
Any advice? Thanks in advance.
Friday, July 1st, 2022 AT 3:03 PM



















