A/C compressor not turning on

Tiny
CYC1OPSE
  • MEMBER
  • 2003 CHEVROLET SILVERADO
  • 6.0L
  • V8
  • 4WD
  • MANUAL
  • 200,000 MILES
I have read much of your information here and would just like to get a wiring diagram that is correct for my truck. I have tested a lot but would like to test more before getting into more details.

Please help me find a wiring diagram - for manual A/C controls. The fifth fan speed also normally will not work - could the compressor not coming on be related?
Saturday, November 27th, 2021 AT 6:46 PM

4 Replies

Tiny
AL514
  • MECHANIC
  • 5,595 POSTS
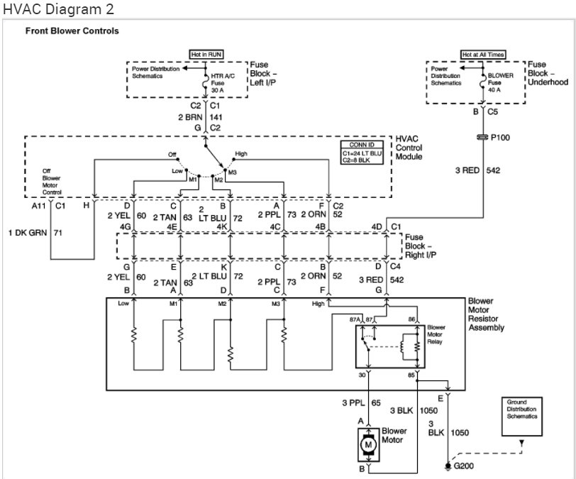
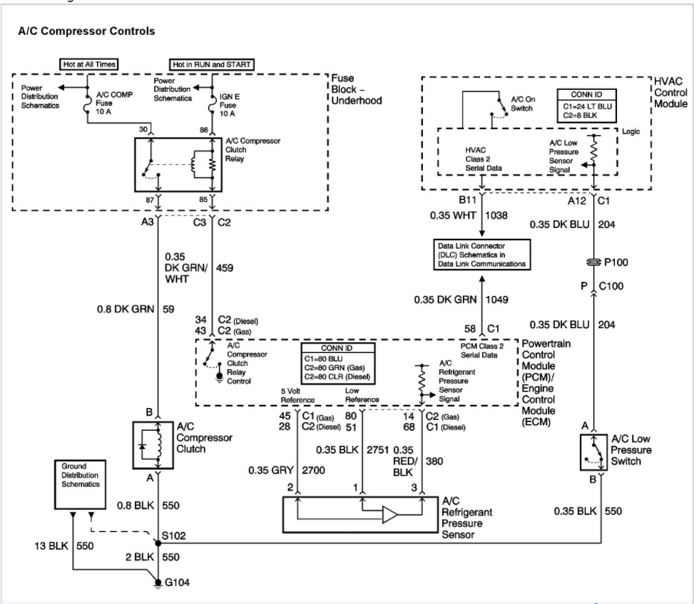
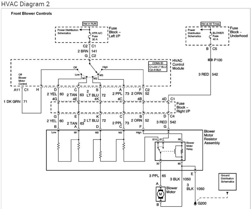
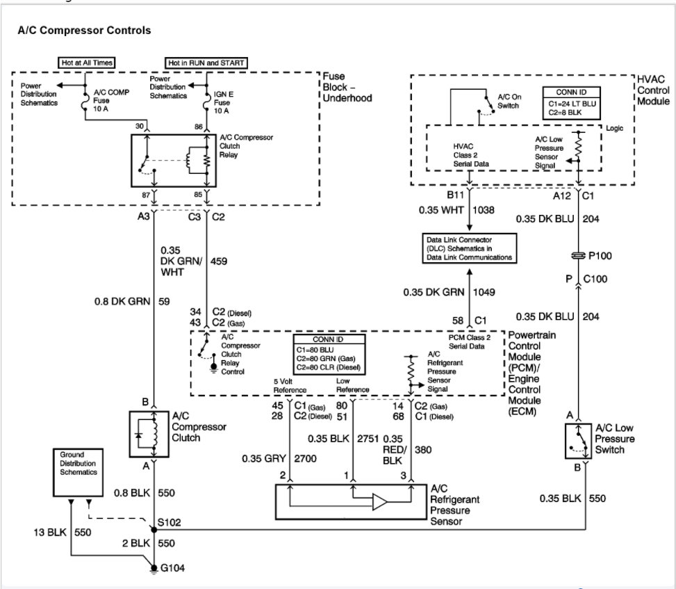
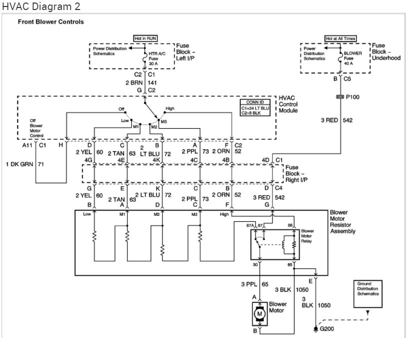
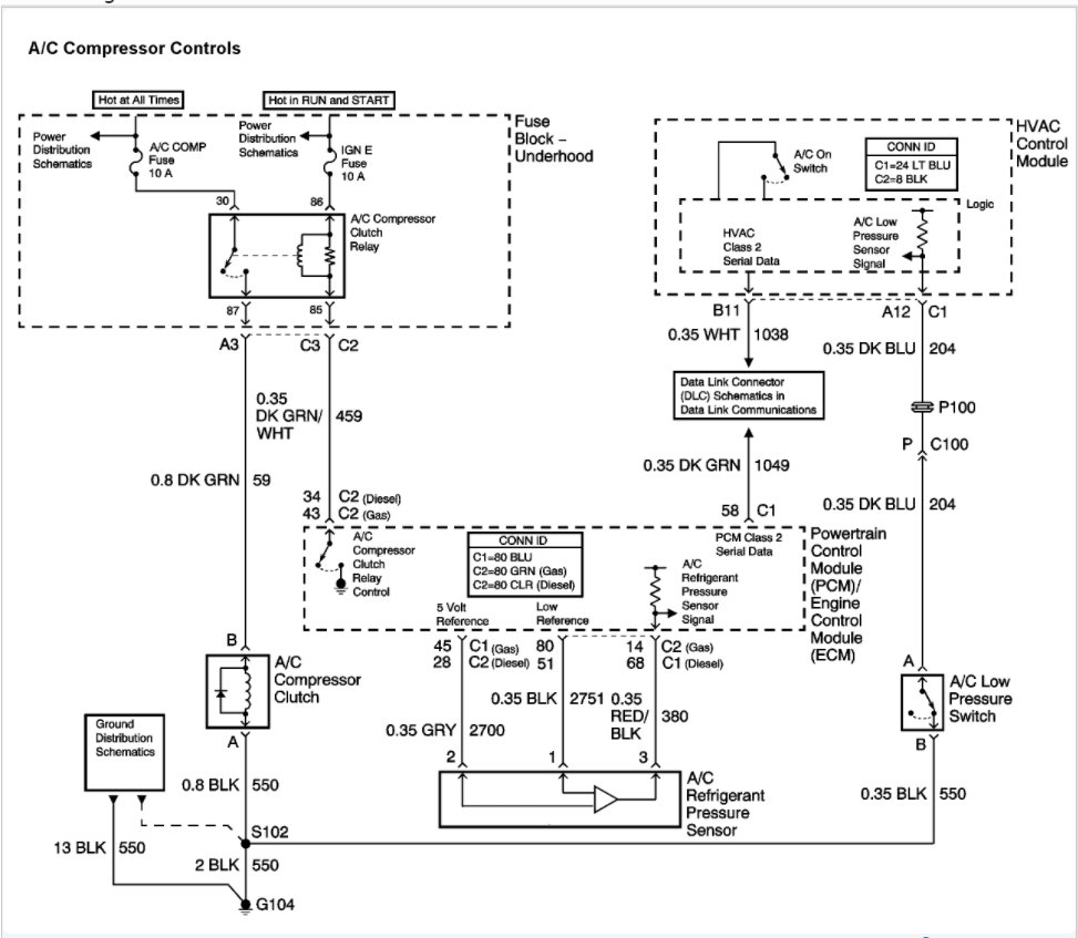
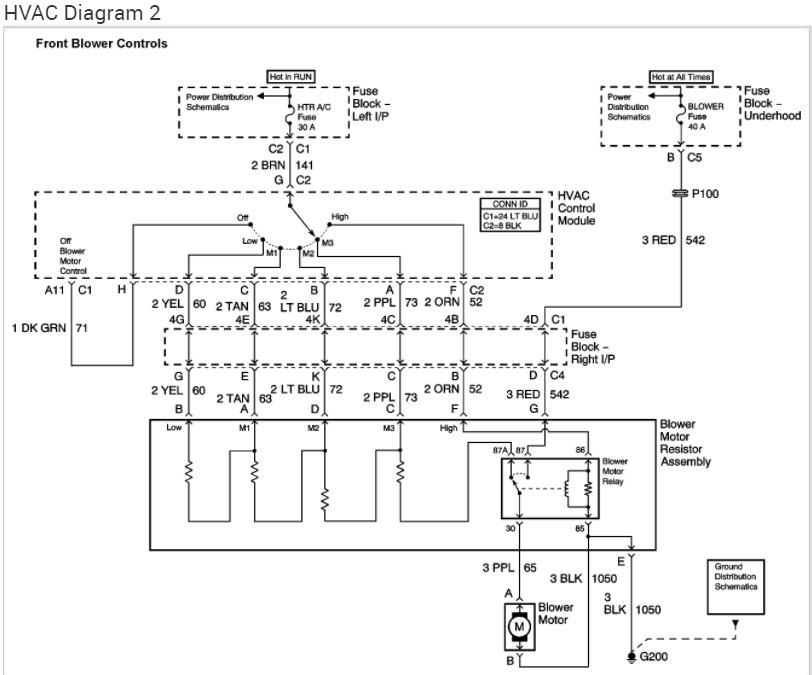
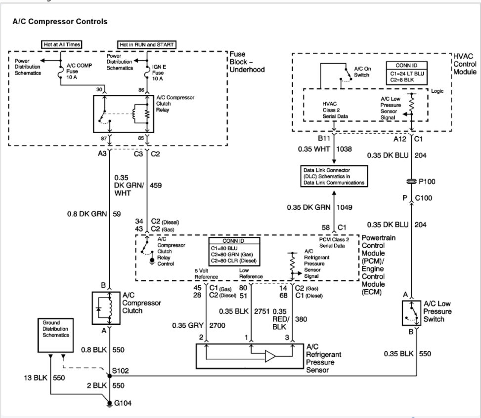
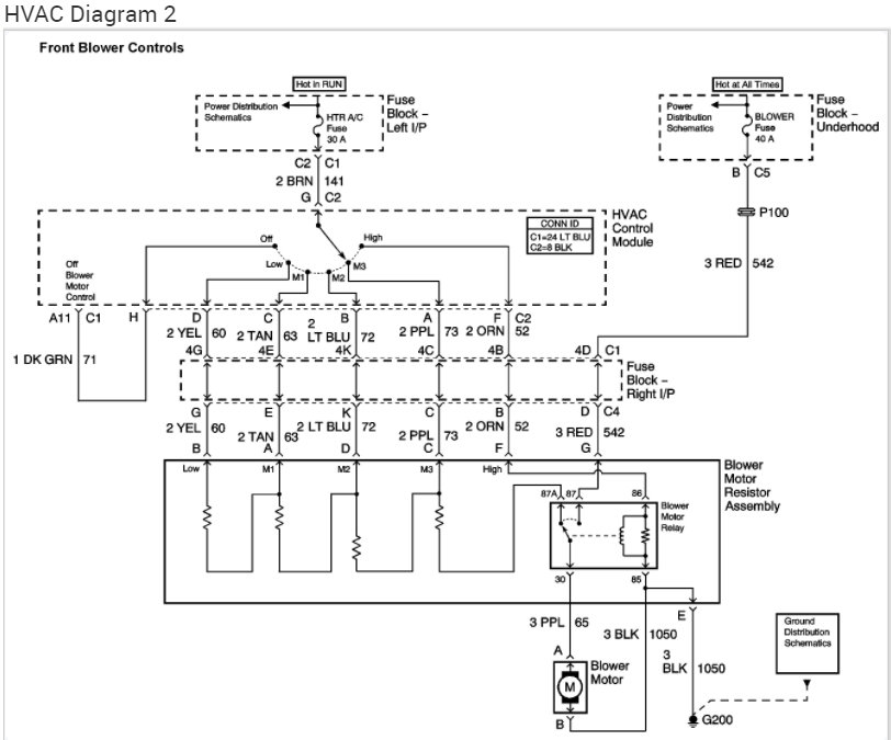
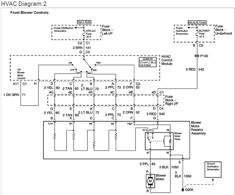
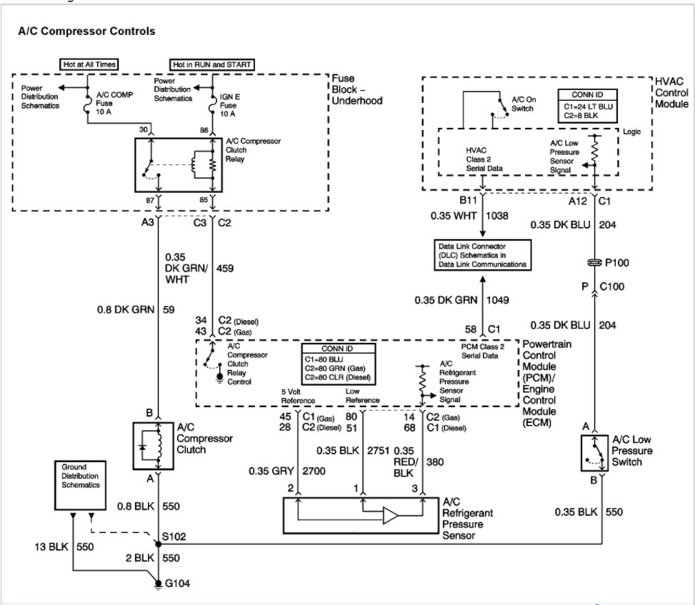
Hello, below is the diagram for the manual A/C compressor circuit, I will post anymore I find that are relevant.
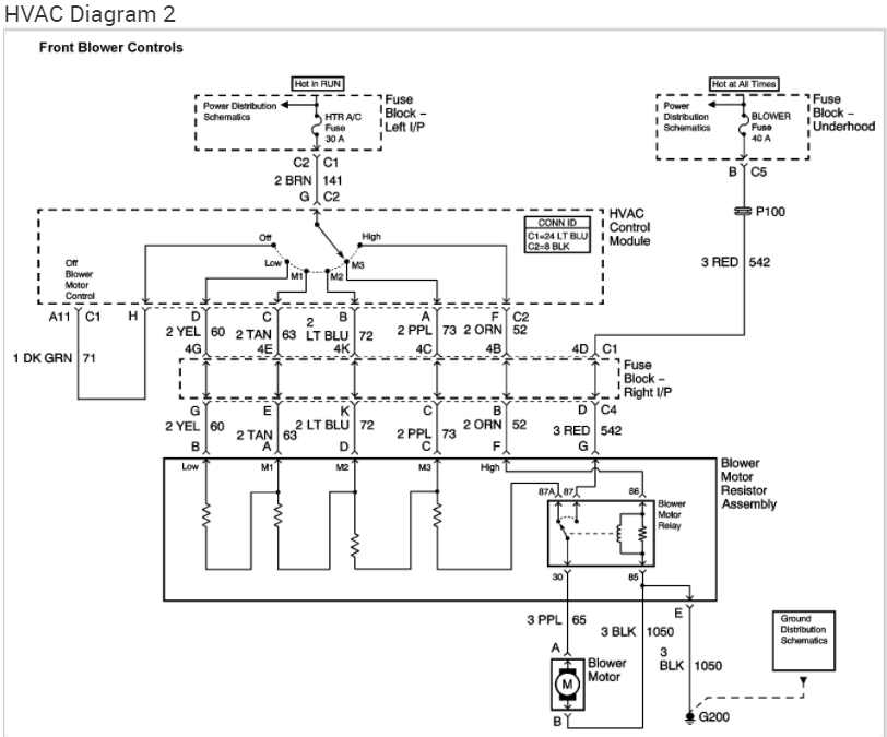
If you were wondering I think your fifth speed issue is either this Blower Motor Relay or the 40Amp Blower fuse. Because the only time the Blower Motor Relay switches over is in the fifth speed, here in pink on third diagram, for the other four speeds the relay stays in its rest position. The HVAC Control Module does the switching between the four speeds and then grounds the relay to switch over to the fifth speed as you can see in yellow.

https://www.2carpros.com/articles/car-air-conditioner-not-working-or-is-weak
Was this
answer
helpful?
Yes
No
+2
Saturday, November 27th, 2021 AT 8:38 PM
Tiny
CYC1OPSE
  • MEMBER
  • 3 POSTS
I will check things out and let you know what I find. Thanks so much.
Was this
answer
helpful?
Yes
No
Sunday, November 28th, 2021 AT 6:27 PM
Tiny
CYC1OPSE
  • MEMBER
  • 3 POSTS
Thank you so much for your info AL W! It finally got hot enough here to make me get back on my A/C problem. The red wire on the high-pressure switch connector broke when I was trying to expose it to test it. It was very weak. Repaired the wire, tested the 3 wires based on the info you sent me, and problem solved, compressor working again. I will tackle the high-speed fan problem in a few days.

Thanks, you so much for the information you sent me.
Was this
answer
helpful?
Yes
No
Sunday, March 20th, 2022 AT 8:15 PM
Tiny
AL514
  • MECHANIC
  • 5,595 POSTS
Thats great news. Glad you got it going again. If you need any other diagrams just let us know. Have a nice day.
Was this
answer
helpful?
Yes
No
Monday, March 21st, 2022 AT 8:58 AM

Please login or register to post a reply.