Wednesday, August 23rd, 2023 AT 4:49 PM
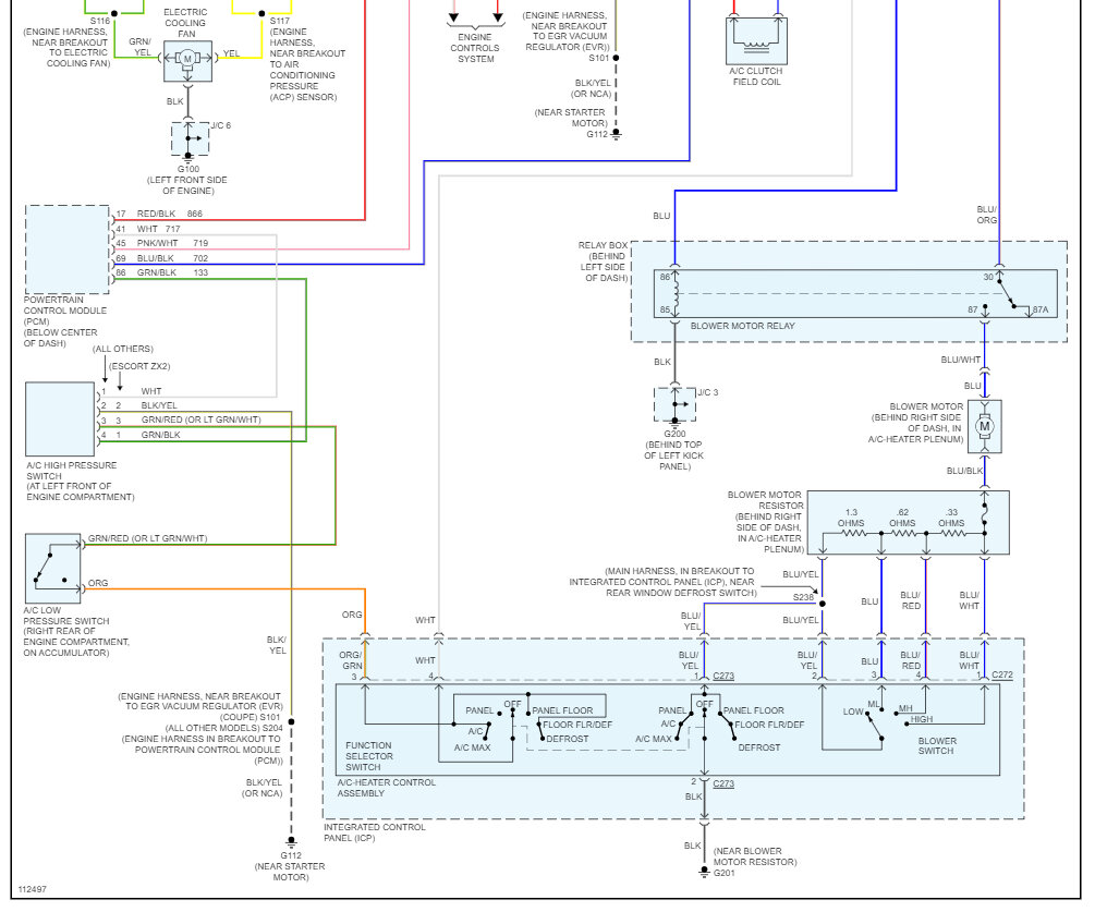
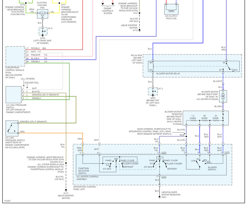
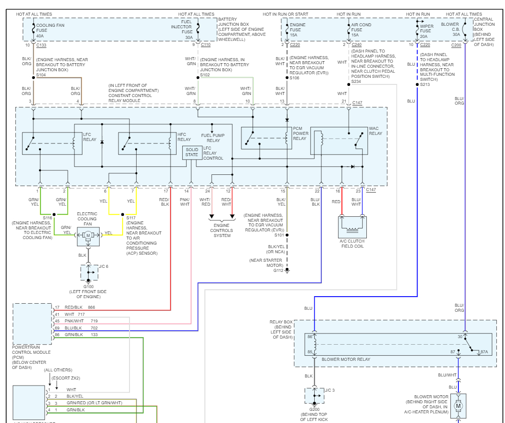
I had lot of problems with the system and most of them solved (for example last year when it was leaking from dryer and 5 mechanics told me it is the cabin evaporator, and I found the leak with mosquito UV lamp). Everything was okay one year since about two months ago when compressor started short cycling on lower RPMs, and the blowed air wasn't cool enough even on high RPMs. A mechanic recharged the system telling me that 50g of frayon were missing. Everything started normally again about 20 days, when the same problem appeared again. I found a leak on low pressure line (pipe-hose-pipe at one of the joints, normally again with the mosquito lamp). The hose was replaced and reassembled with a new one and the system was recharged. Now when I'm driving, I notice that compressor makes short cycling again (but blowed air is cool enough as I think), then when stand in place on idle, compressor stays turned on and air blows cold. Please help me with some further instructions. Thanks in advance.



















