My A/C is not working, the A/C clutch won't engage

Tiny
TIM TEUNISSEN
  • MEMBER
  • 1998 DODGE RAM
  • 5.9L
  • V8
  • 4WD
  • AUTOMATIC
  • 203,000 MILES
Hi there, so my A/C is not working, the A/C clutch won't engage. I checked the fuses they are good. I swapped the A/C relay with the horn relay and nothing. I jumped the relay and then it works. So I thought low refrigerant, so I tried jumping the low pressure switch and still didn't engage. When to the high pressure switch and tried jumping it still nothing. I checked the voltage at both and they both checked good. What am I missing?
Thanks in advance.
Friday, June 26th, 2020 AT 5:18 PM

4 Replies

Tiny
KASEKENNY
  • MECHANIC
  • 18,907 POSTS
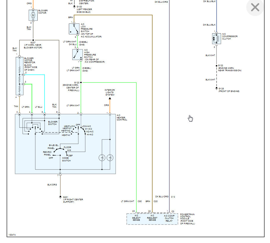
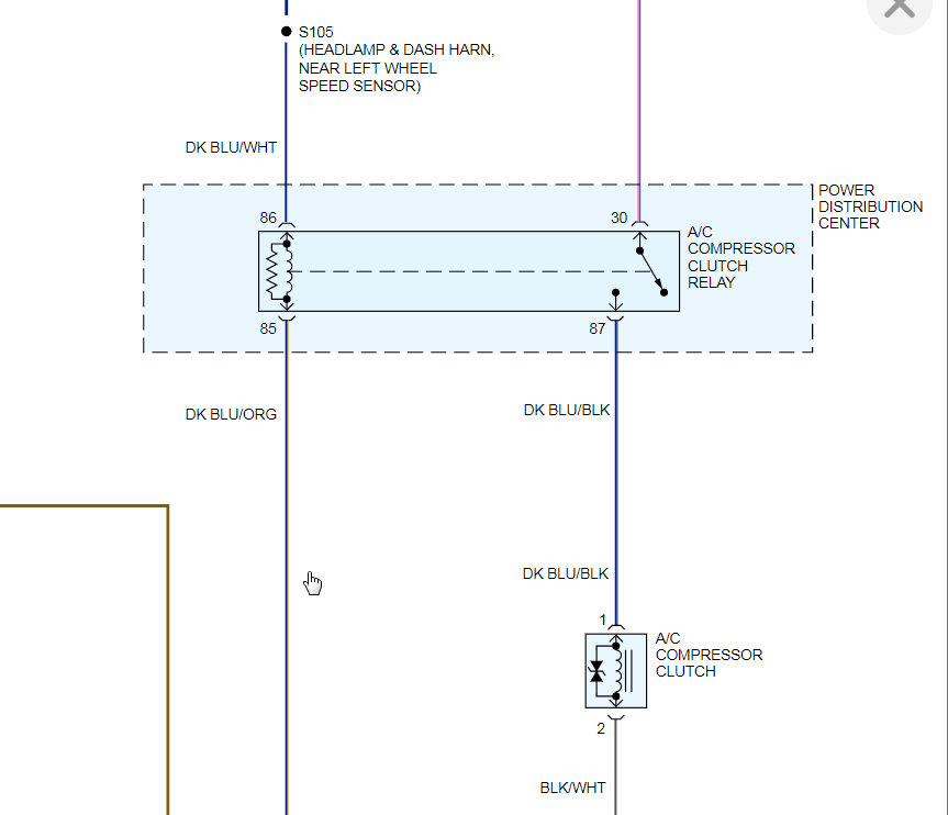
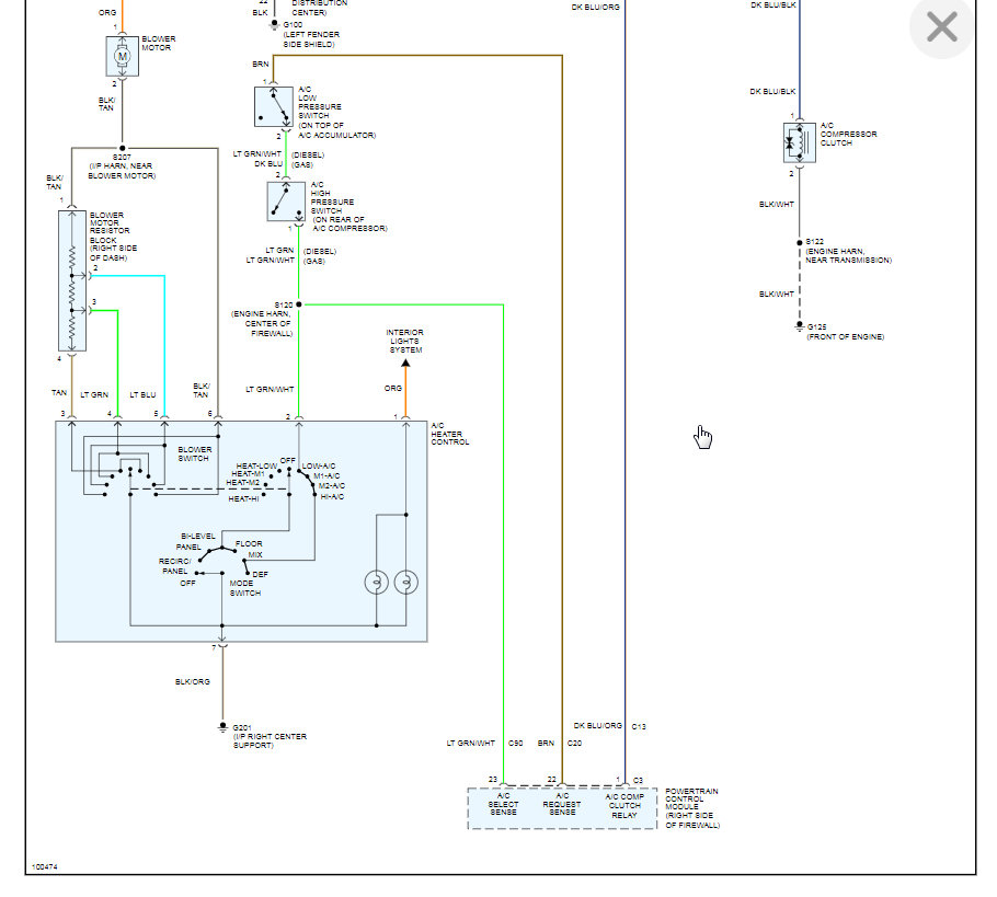
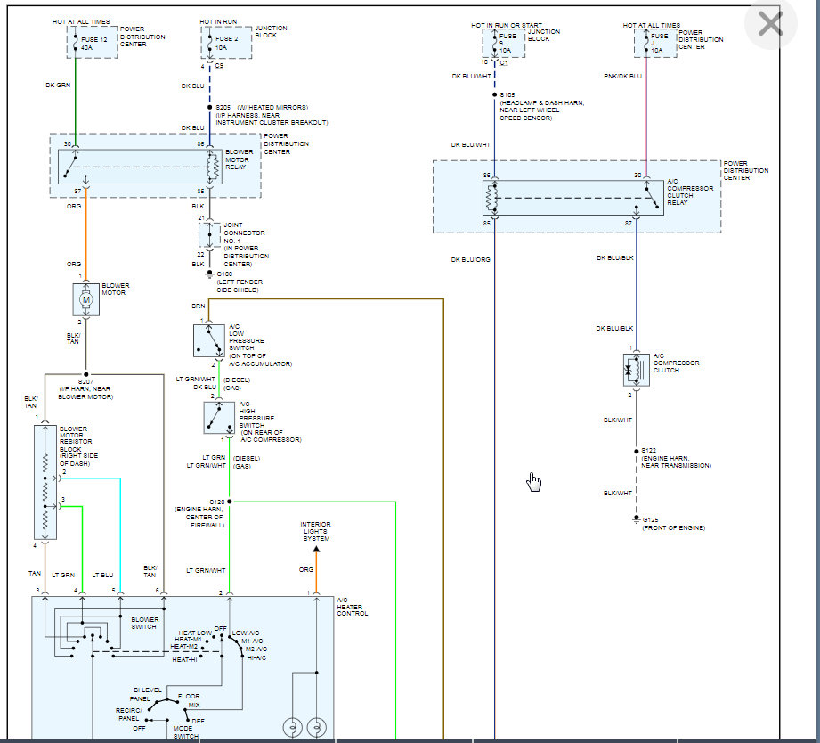
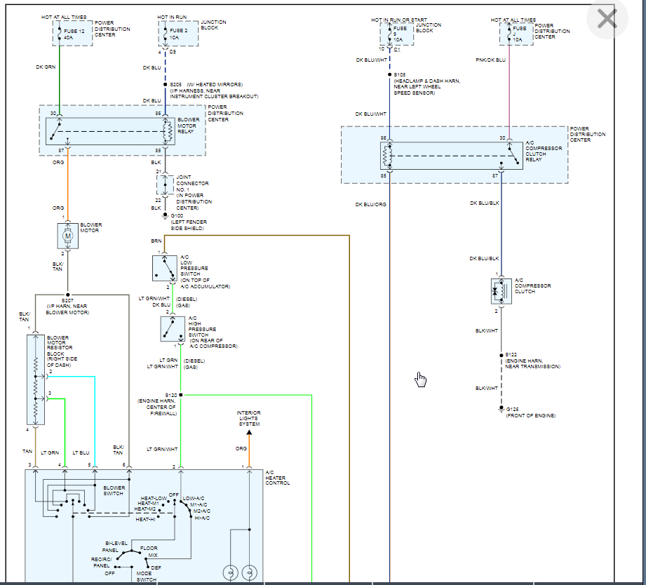
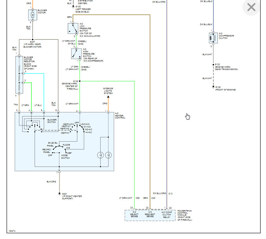
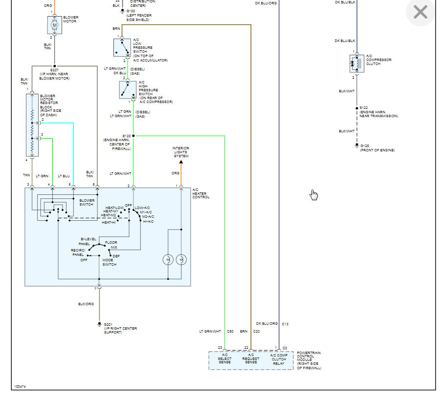
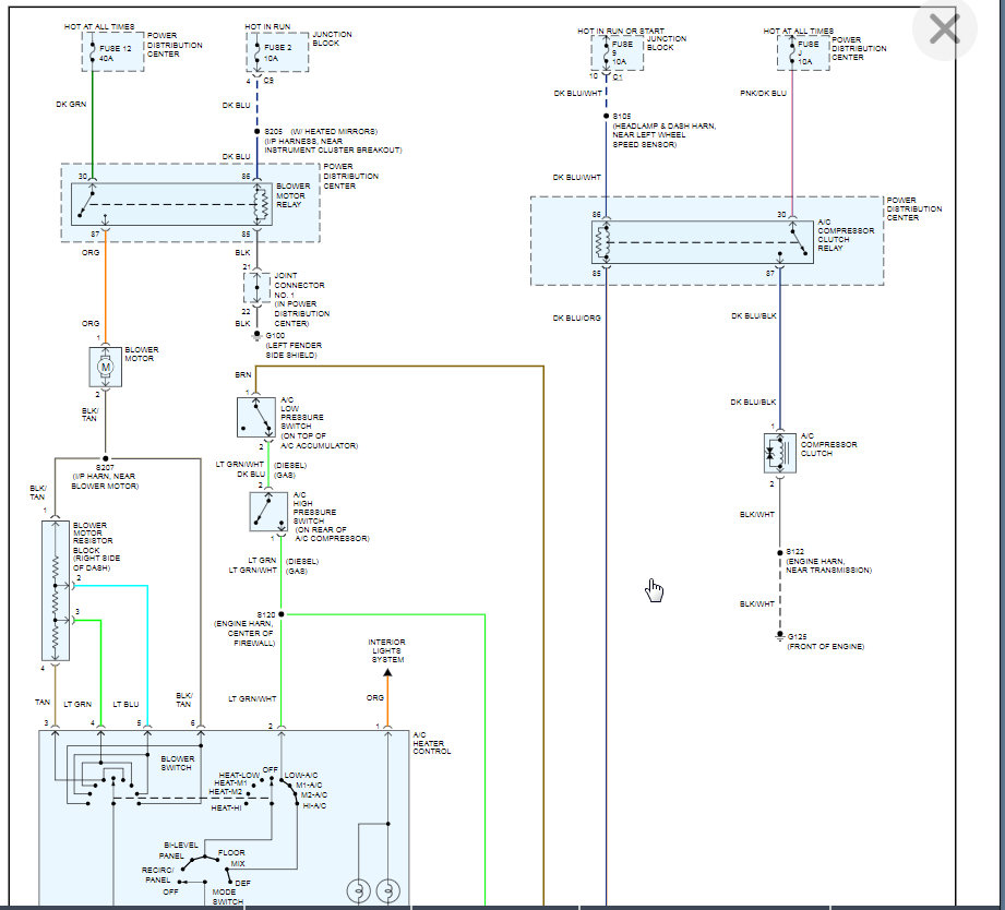
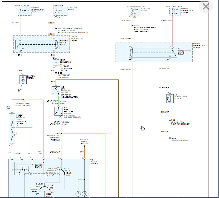
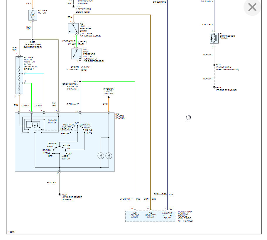
I attached the wiring diagram. When you jumped the relay, I assume you jumped from 86 to 87? If that is the case, can you put your meter across pin 86 to 85 with the engine on and A/C turned on?

I assume the PCM is not grounding the relay. So what has to happen is the PCM gets the input from the high and low switches that you tested and when it sees they are closed, it then closes (grounds) the relay that closes the relay and sends power to the clutch.

So take a look at the wiring diagram after reading this and you will be able to follow the power flow through and see that if the PCM is not grounding the relay then the relay will not close and turn the compressor on. It sounds like you have proven out everything but this part of it.

Let me know what questions you have. Thanks
Was this
answer
helpful?
Yes
No
Friday, April 23rd, 2021 AT 11:45 AM
Tiny
TIM TEUNISSEN
  • MEMBER
  • 3 POSTS
Thank you, I will hopefully get that checked in the next couple of days and will update you with what I find.
Was this
answer
helpful?
Yes
No
Friday, April 23rd, 2021 AT 11:45 AM
Tiny
TIM TEUNISSEN
  • MEMBER
  • 3 POSTS
Okay, so I'm not getting ground from the PCM it seems. I did notice today that I could feel some air coming out by my feet. If I have a slight loss in vacuum or the actuator door isn't fully closing would this also stop the PCM from sending signal?
Was this
answer
helpful?
Yes
No
Friday, April 23rd, 2021 AT 11:45 AM
Tiny
KASEKENNY
  • MECHANIC
  • 18,907 POSTS
No. The air distribution would be a totally different issue. The compressor/AC system just cool the air and then where that air is directed inside the cab are different systems even though they are related by the air system. Just different functions.

If you found an issue with the PCM then that should fix the temp of the air. If you are then only getting it out of one set of vents we will have to tackle that separately.
Was this
answer
helpful?
Yes
No
-1
Friday, April 23rd, 2021 AT 11:45 AM

Please login or register to post a reply.