A/C clutch fuse keeps blowing?

Tiny
TABITHATATE
  • MEMBER
  • 2006 FORD MUSTANG
  • 4.0L
  • 4 CYL
  • 2WD
  • AUTOMATIC
  • 184,333 MILES
I put a new compressor/clutch on car add Freon etc. When I turn on the A/C the fuse keeps blowing, what could cause this?
Tuesday, May 30th, 2023 AT 7:08 PM

3 Replies

Tiny
AL514
  • MECHANIC
  • 5,590 POSTS
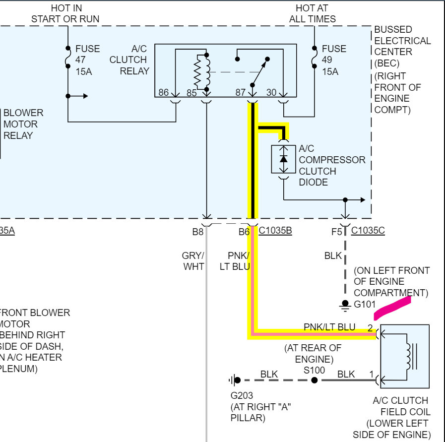
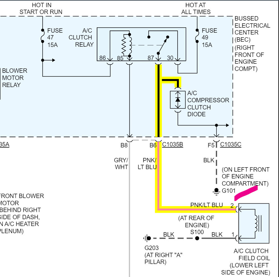
Hello, it might be a bad A/C compressor clutch diode, The diode is responsible for the transient high voltage spike that occurs when the clutch is turned off. When the clutch turns off the magnetic field collapses and induces a very high voltage spike in the opposite direction. I'll post a diagram of the diode so you can see where it is and the idea behind it.
In the diagram below, you can see when the A/C Clutch relay is turned off it opens and power is taken away from the Compressor Clutch, any coil of wire will produce a magnetic field, some more than others depending on their design. But the A/C compressor clutch is a strong heavy magnet, it has to be to hold the A/C clutch into the compressor making it turn. But when it's turned off, there is a huge voltage spike, sometimes into the hundreds of volts. The A/C compressor clutch diode shunts this high voltage to ground as it dissipates around the clutch windings. So, replace the diode and also replace the AC clutch relay as well. I'm not sure if you're having the Fuse 49 or Fuse 47, but the relay has a coil of wire in it too and can cause the same voltage spike if the resistor inside the relay has failed.
In the 2nd diagram you notice there is a resistor inside the relay, this is to help suppress the voltage spike from the relay turning off, same idea. So, replacing both should take care of the issues.
If it keeps popping the fuse the circuit will have to be checked for a short to ground. Somewhere from that fuse panel to the compressor, checking the harness at any contact points would be a good idea as well.
Was this
answer
helpful?
Yes
No
Wednesday, May 31st, 2023 AT 12:00 PM
Tiny
TABITHATATE
  • MEMBER
  • 1 POST
Thanks very much, we will check this. As soon as copper scrap hose back up I'm going to donate. You guys are great and do a good job of describing things, so we understand. Y'all are one of my first sources thanks so much for y'all time and helping us save.
Was this
answer
helpful?
Yes
No
Thursday, June 1st, 2023 AT 10:20 AM
Tiny
AL514
  • MECHANIC
  • 5,590 POSTS
It's no worries, that's what we're here for, if you want to test the circuit ahead of time for a short to Ground, just unplug the compressor clutch, and with a multimeter set on Ohms setting (or Continuity Check where it will beep), touch the meter leads from the pin 2 of the compressor harness plug and the other meter lead to Ground(battery negative). With the key off you shouldn't have any path to Ground. If you do, next unplug the A/C Compressor Clutch Diode and retest, if you still have a path to Ground, there is a section of the pink/light blue wire that is shorted to ground somewhere. Usually this happens at a contact point where the wiring harness is clipped or bolted to the engine block or bracket. Somewhere engine vibrations could cause the harness to rub through and the wire is contacting ground.
Although I would replace the A/C clutch relay as well, because if the diode failed and is an open circuit, the high voltage spike will jump the internal relay contacts and eventually weld the contacts together. A functioning Diode helps to prevent that from happening.
If you have any more issues let us know. Almost anything is possible with vehicles these days. Hope everything works out well.
Was this
answer
helpful?
Yes
No
Thursday, June 1st, 2023 AT 10:59 AM

Please login or register to post a reply.