My A/C blower fan is not working.

Tiny
KATHYBRISTOW
  • MEMBER
  • 2008 DODGE RAM
  • 4.7L
  • V8
  • 2WD
  • AUTOMATIC
  • 201,963 MILES
My A/C blower fan is not working.
Sunday, September 15th, 2019 AT 12:10 PM

1 Reply

Tiny
ASEMASTER6371
  • MECHANIC
  • 52,796 POSTS
Good afternoon,

It sounds like the blower motor has gone out but to be sure this guide will show you how to test the blower motor and check the system power and grounds.

https://www.2carpros.com/articles/blower-fan-motor-works-on-high-speed-only

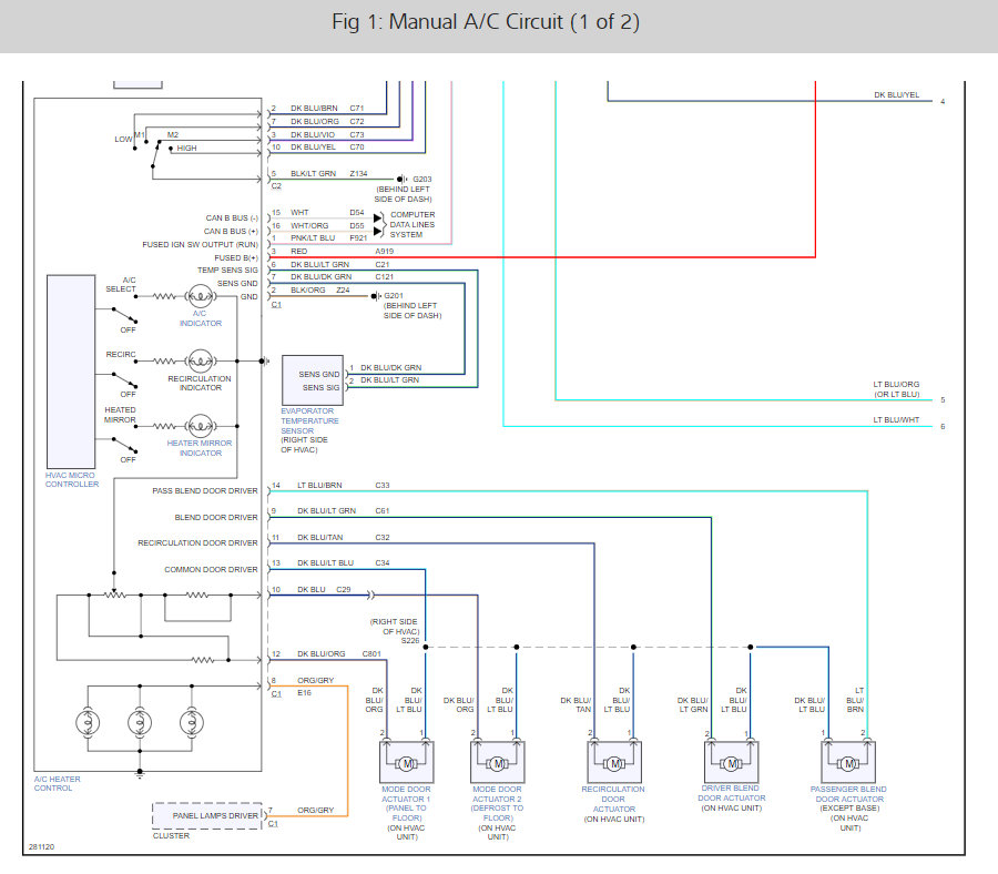
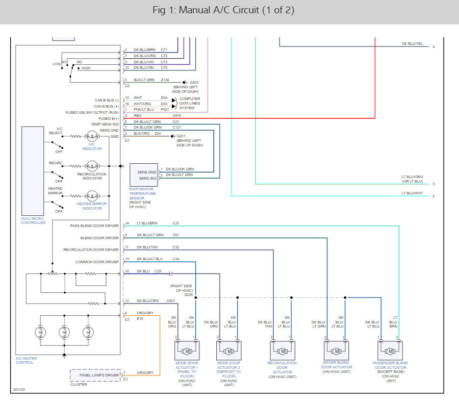
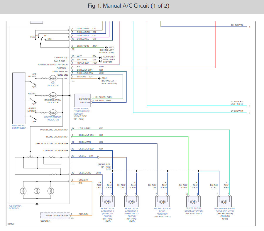
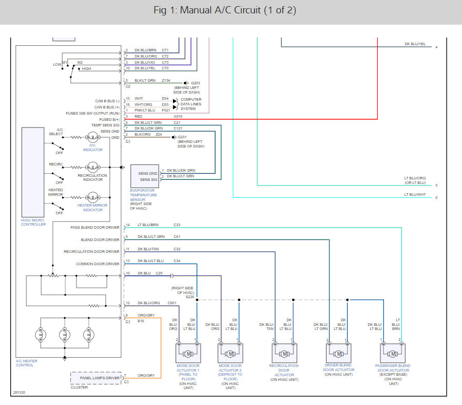
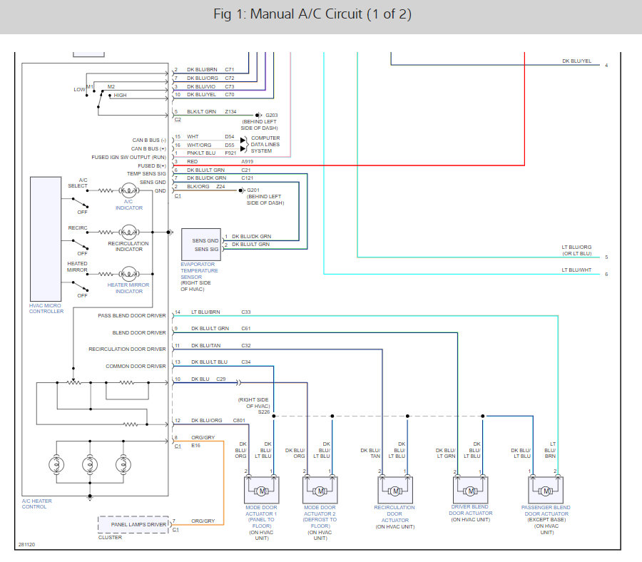
Also I have included the blower motor wiring diagrams and a guide so you can run some tests with the blower motor location as well. Check out the diagrams (Below). Please let us know what you find. We are interested to see what it is.

Was this
answer
helpful?
Yes
No
Friday, April 23rd, 2021 AT 10:41 AM

Please login or register to post a reply.