Friday, March 28th, 2025 AT 6:14 AM
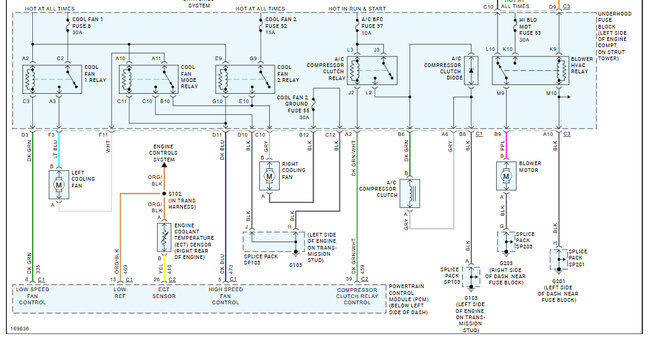
Car wouldn't start. Found out that the A/C BFC fuse was blown, replaced it and it fired right up. How and why? Left out the A/C compressor relay, fuse still blew and unhooked the compressor connector, fuse still blew. So, according to compressor wiring diagram I need the wiring diagram for all the wires that go to the compressor circuit. In other words, what does it look like where the wires are coming from, that diagram?




