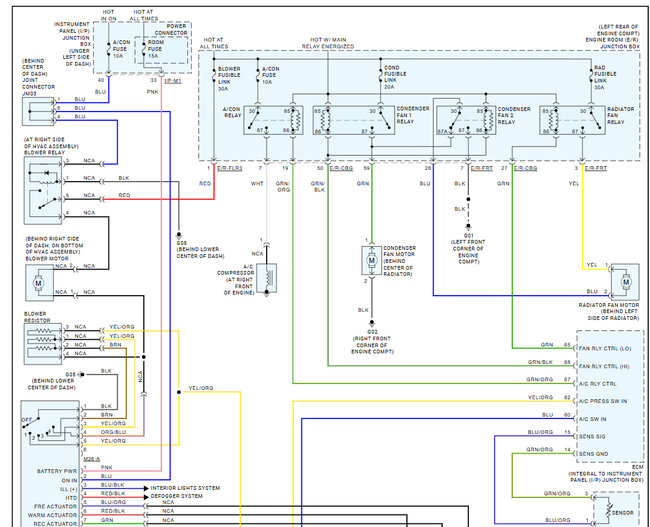
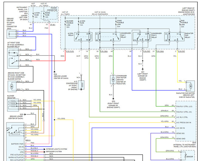
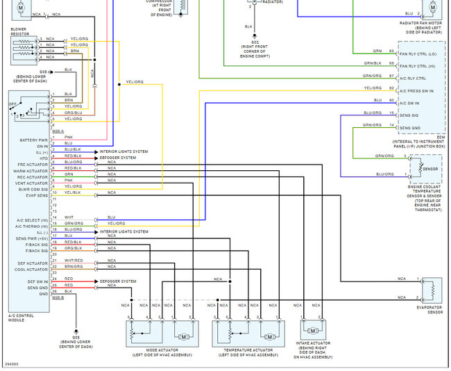
Saturday, February 8th, 2025 AT 11:13 AM
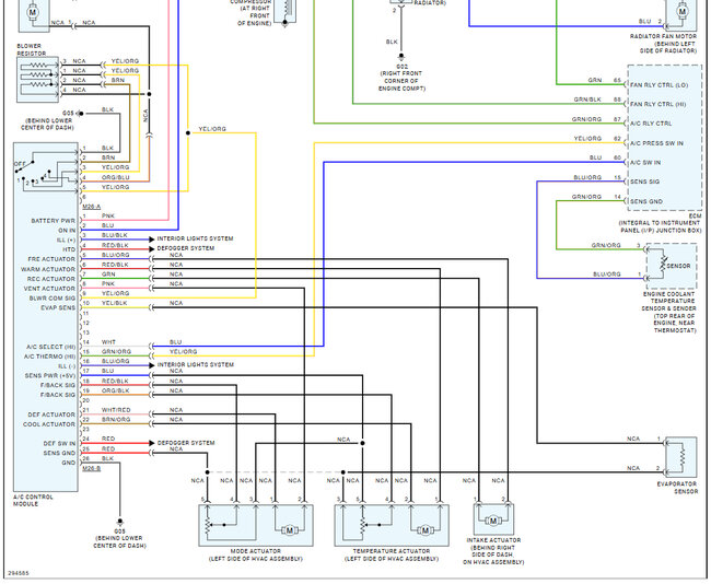
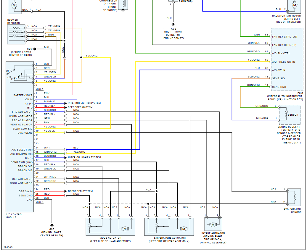
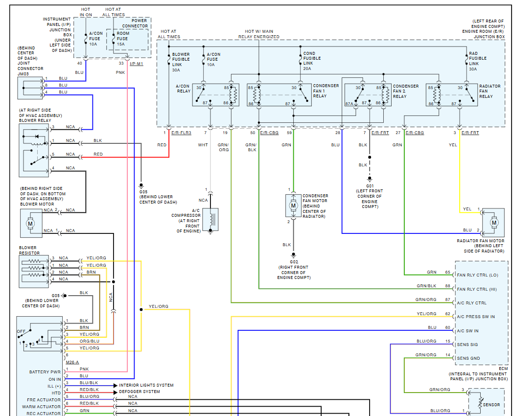
A/C and Heating are intermittent. Sometimes when hitting a bump, the A/C or heat will either turn off or come back on when it is in the run mode.





