Monday, July 11th, 2022 AT 10:13 AM
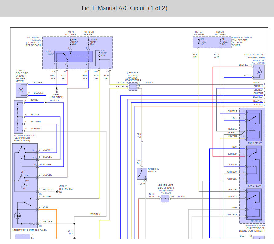
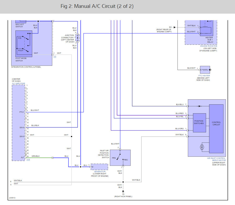
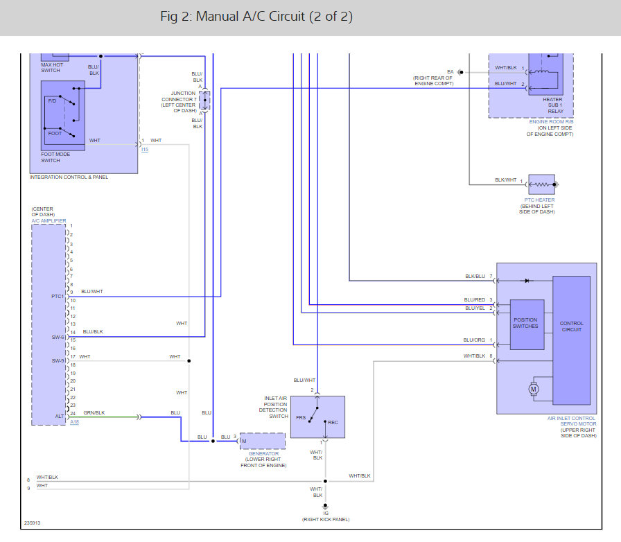
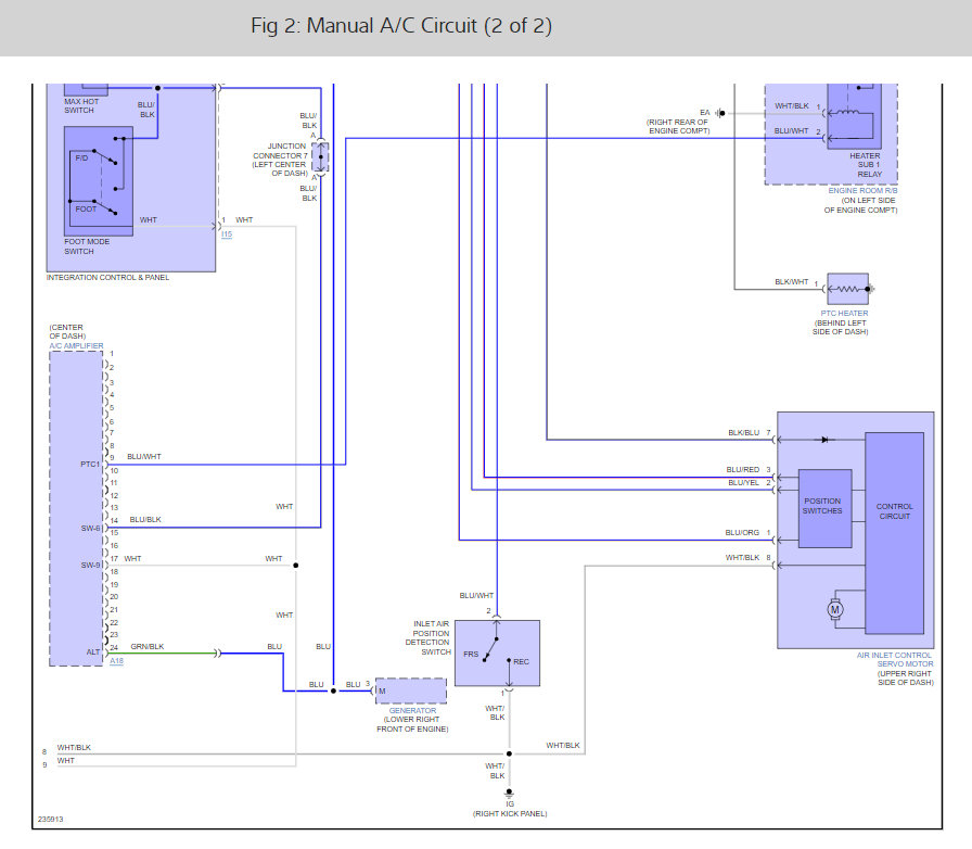
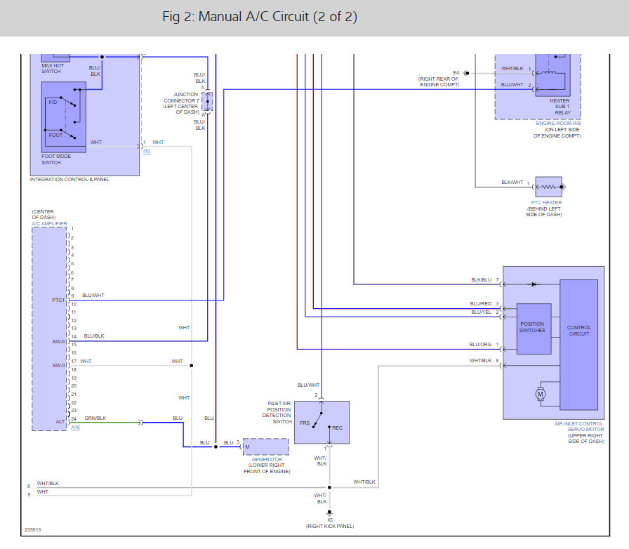
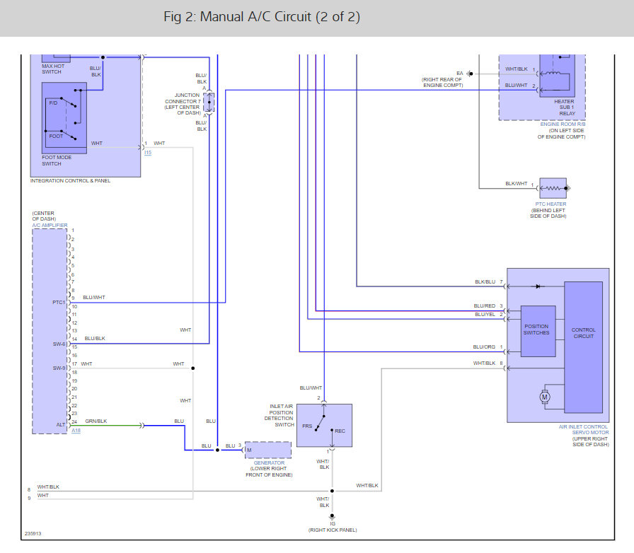
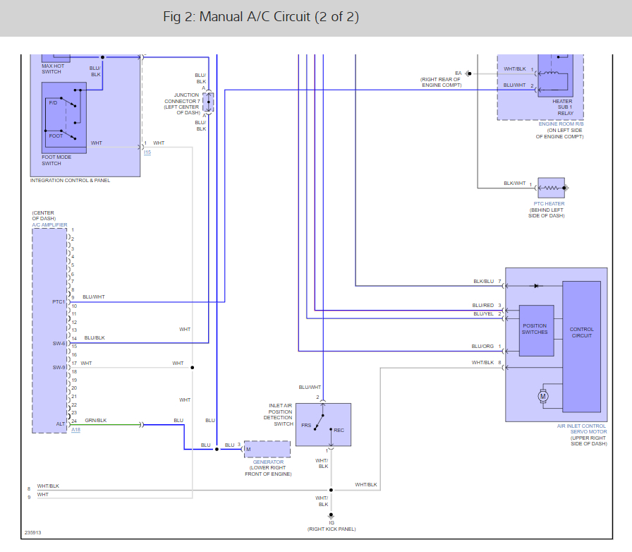
AC works some of the time. New AC amplifier hundreds. Yards not keeping xb’s. Toyota part number is 88650-52440. 2006 used two-part numbers. If the car was made in last 5 months of year, they used the part I just mentioned. Do you have pin out? Can it be bypassed? Is there a board inside that can easily be fixed, like a bad capacitor or something?







