Monday, June 14th, 2021 AT 9:53 PM
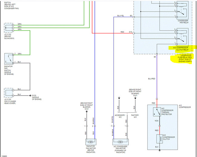
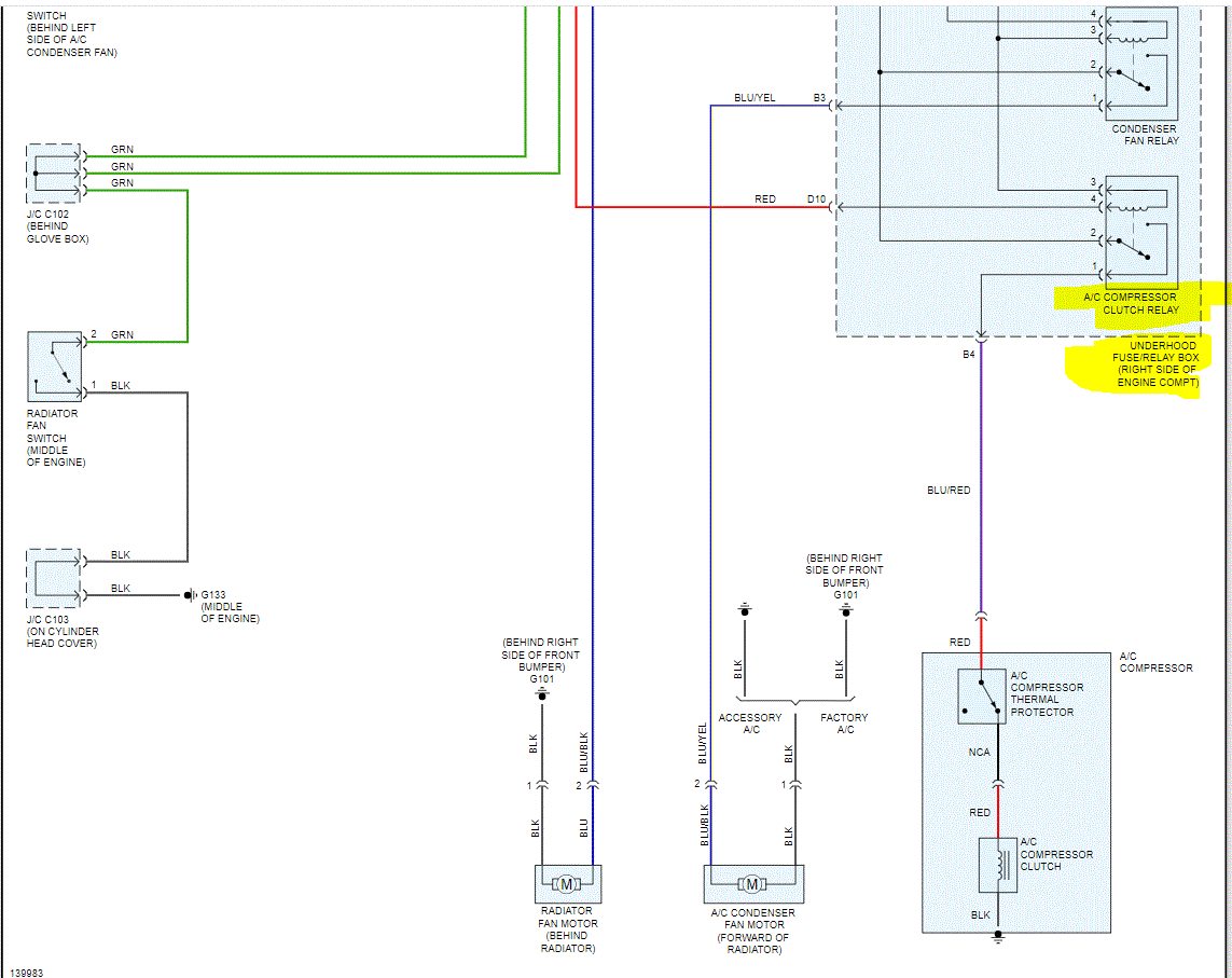
We added more refrigerant. The compressor and the fan works only when we manually jump the cable in the fuse box with a copper wire. The compressor clutch works. It holds pressure. The air comes out cold only when we manually jump the wires. What could the issue be? Thanks.





