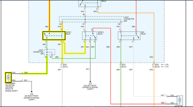
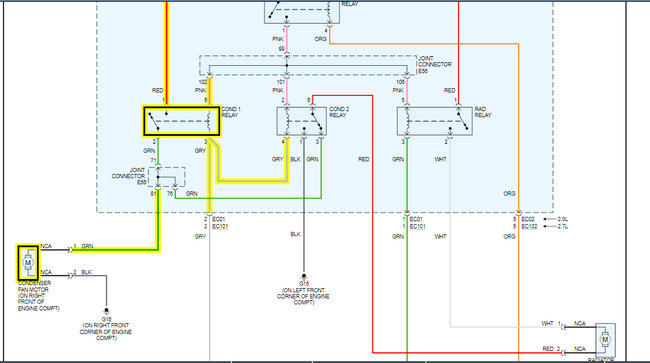
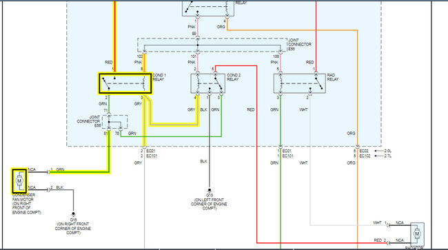
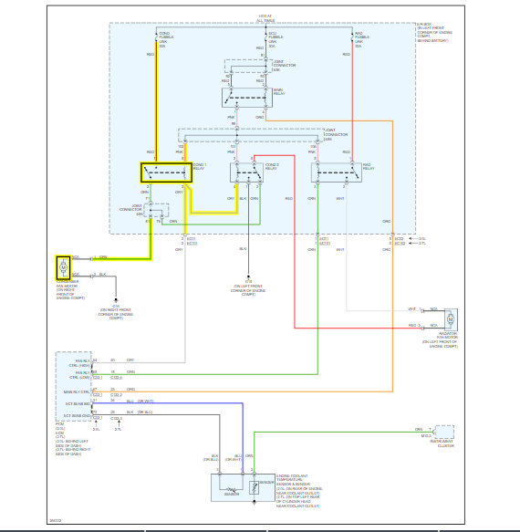
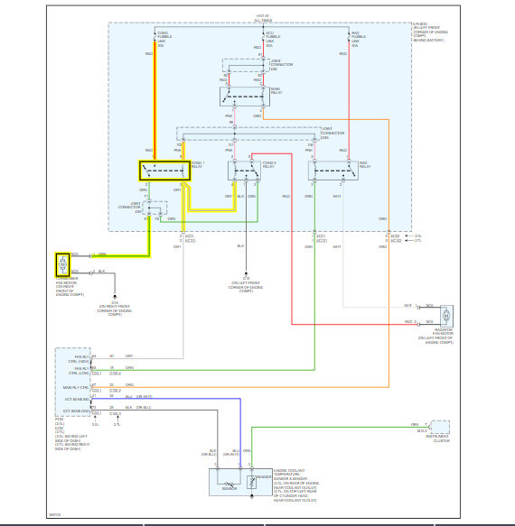
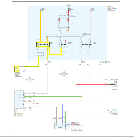
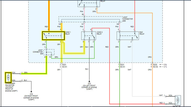
Friday, September 6th, 2019 AT 10:56 PM
Once moving again will eventually blow cold for a little while. Checked Freon is good. No apparent leaks. Clutch will disengage when it shouldn't making blow hot. All fans are working like they should. Car not overheating.



