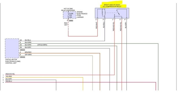
AC relay location

Tiny
PATRICK EVANS
  • MEMBER
  • 2004 BMW X3
  • 3.0L
  • 6 CYL
  • 190 MILES
Where is my AC relay location?
Monday, August 27th, 2018 AT 12:07 PM

1 Reply

Tiny
AL514
  • MECHANIC
  • 5,590 POSTS
Hello there and thanks for using 2CarPros. Com. Here is a wiring diagram of the A/C compressor relay located under the right side of the dashboard, assuming that is what you are looking for. Hope this helps. You can locate it by looking for the correct wire colors on the diagram.
Was this
answer
helpful?
Yes
No
+1
Monday, August 27th, 2018 AT 12:30 PM

Please login or register to post a reply.