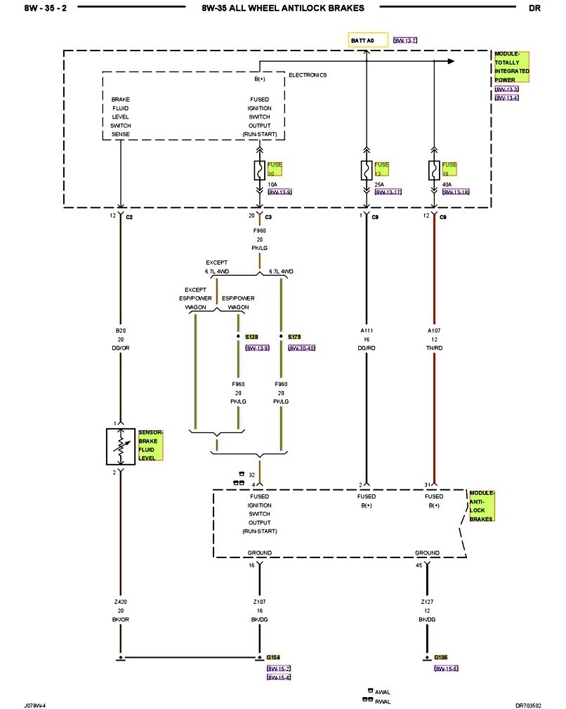
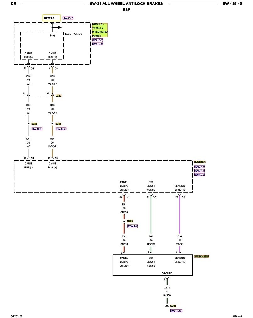
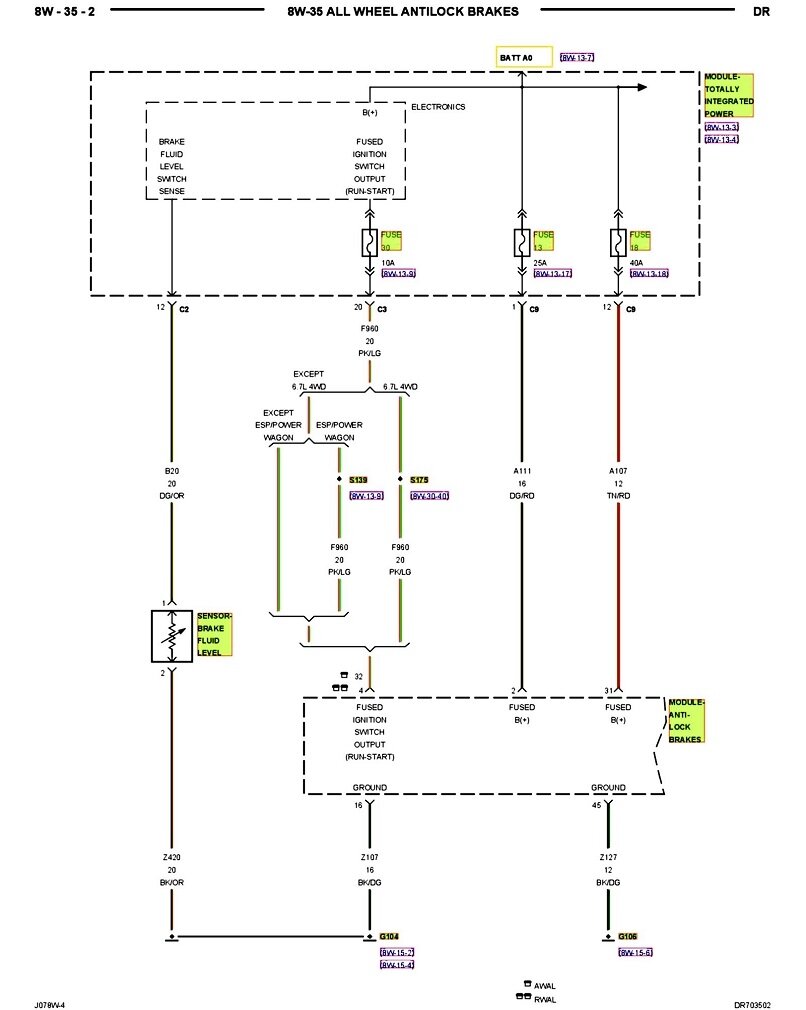
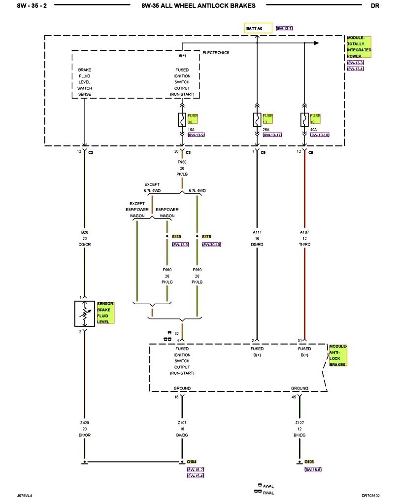
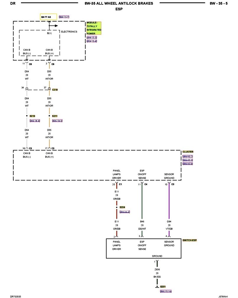
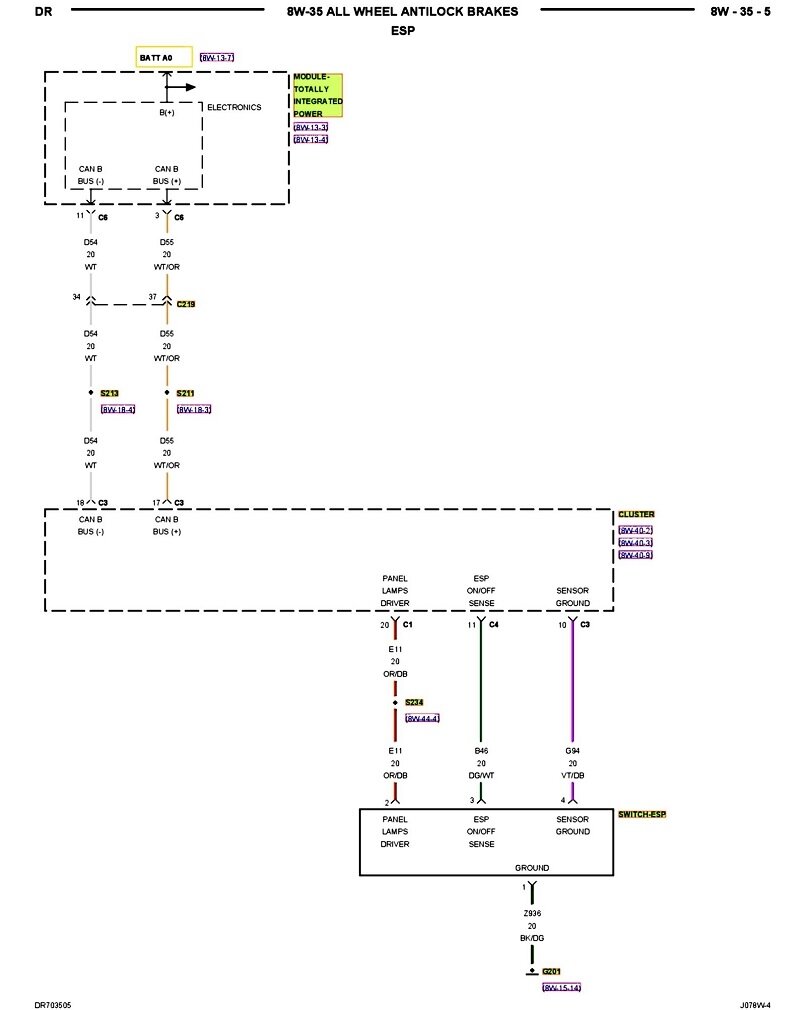
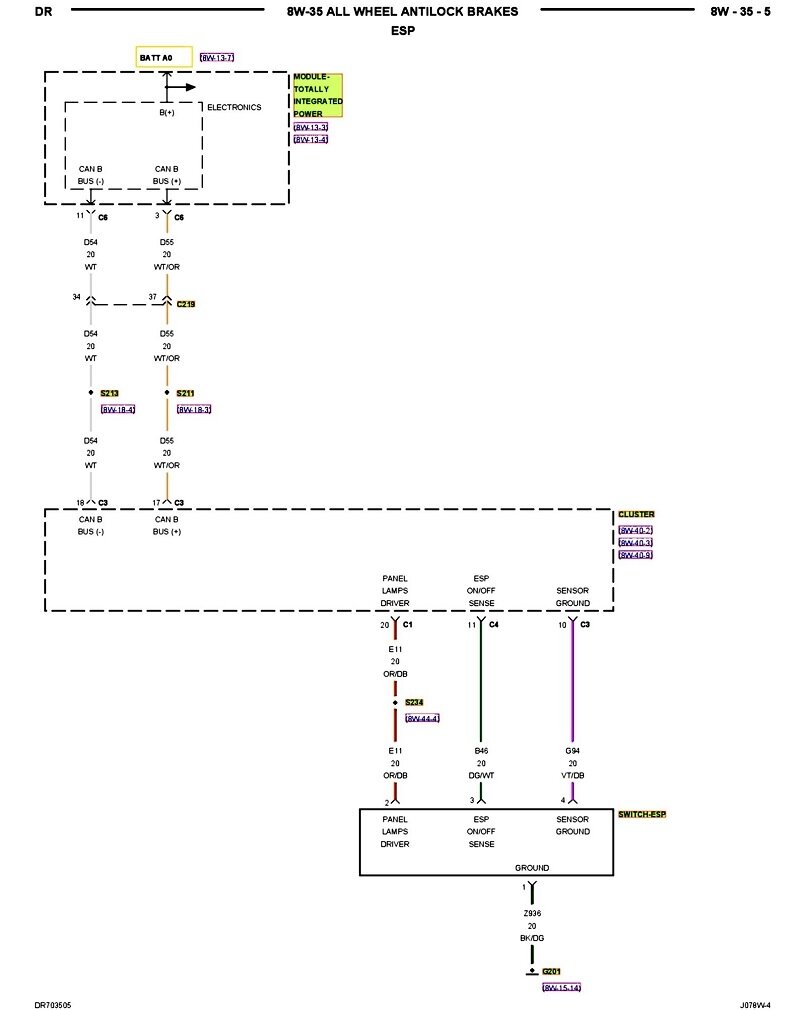
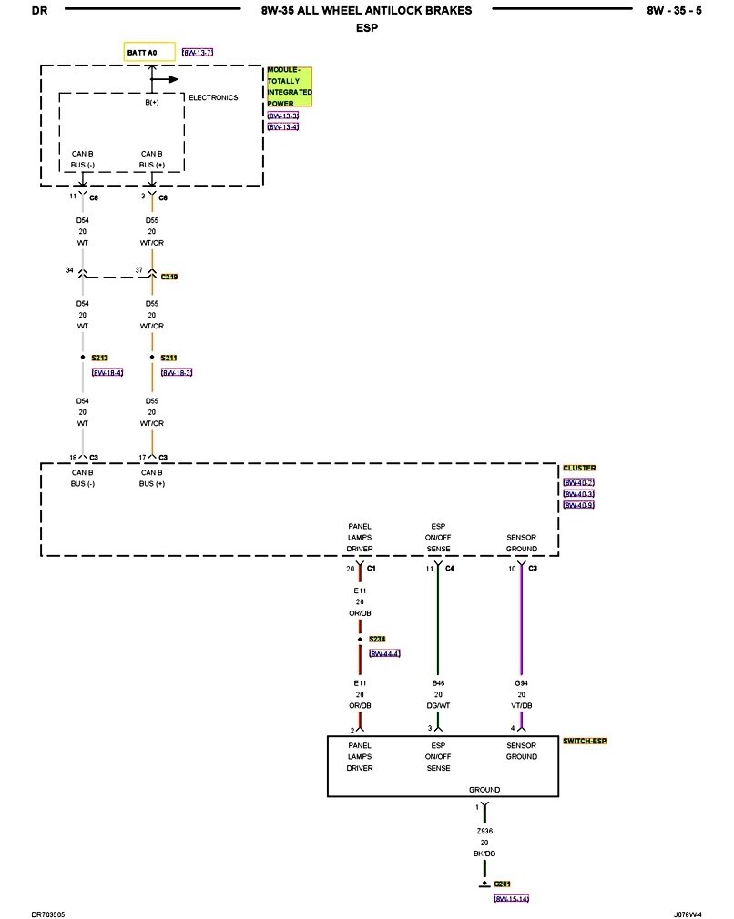
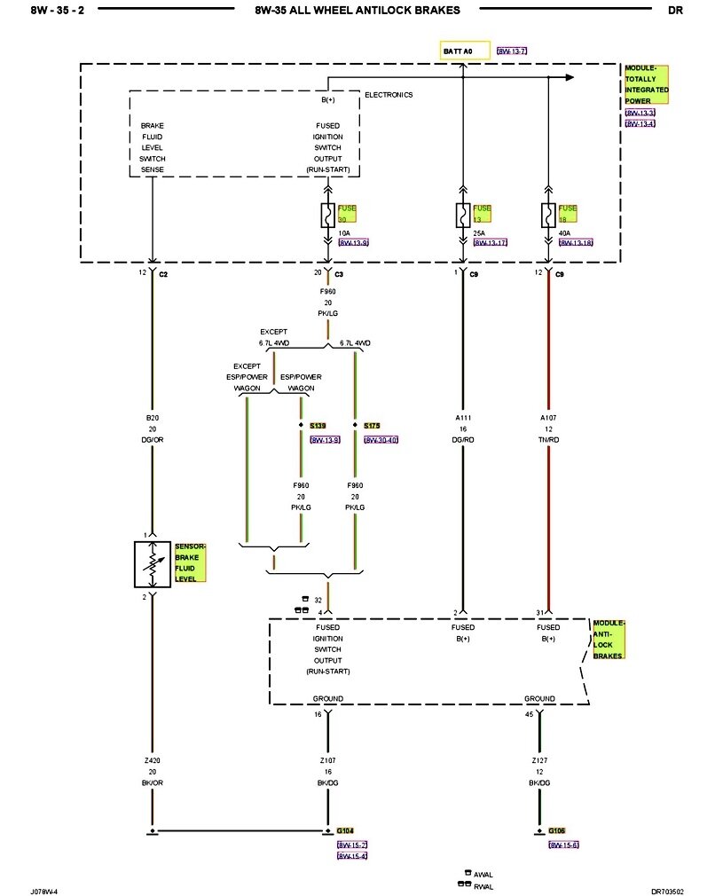
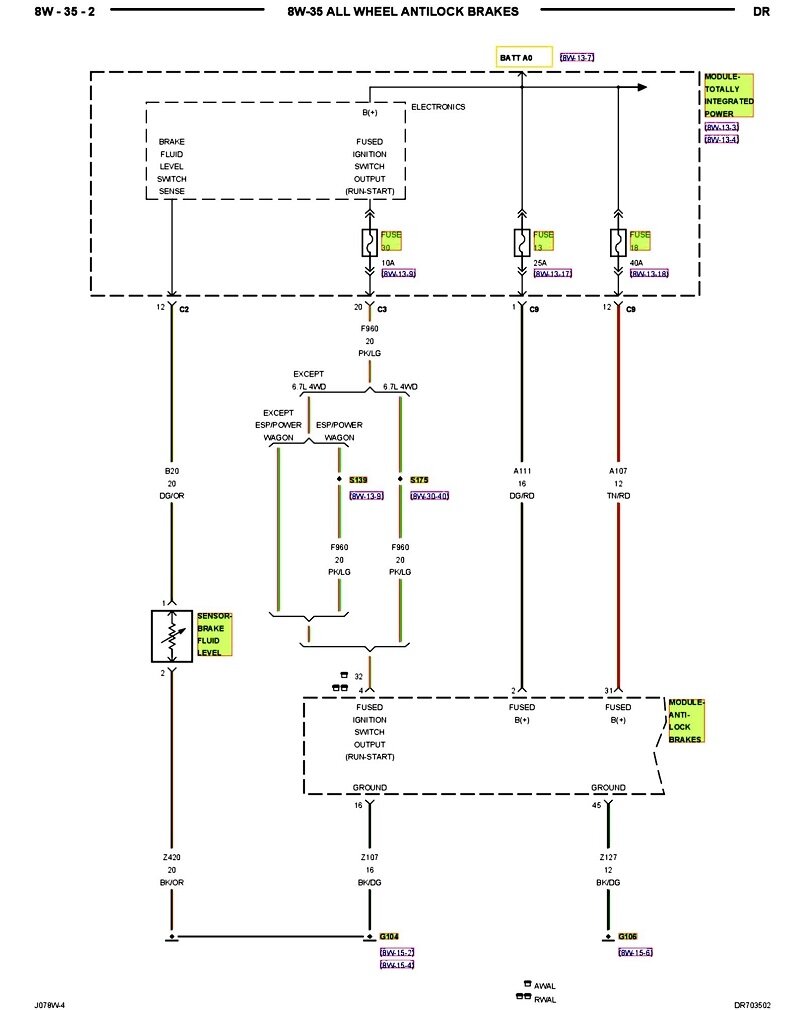
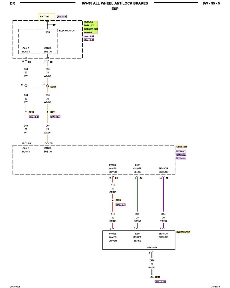
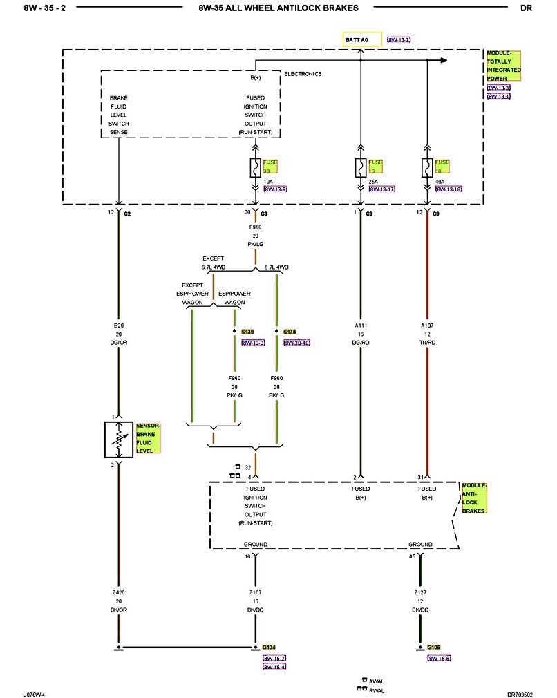
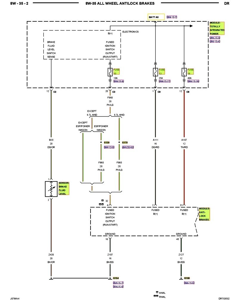
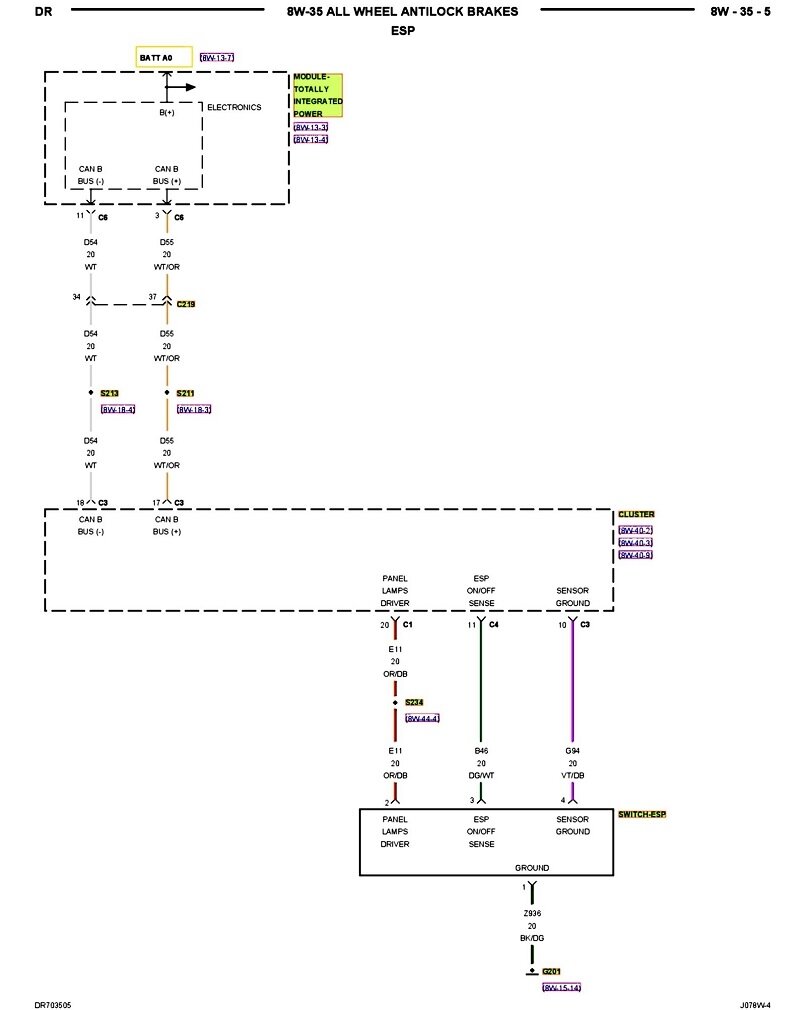
Having a problem locating the right passenger side abs sensor connector on the body side to the harness have the brand-new ABS sensor. I found the old one ripped out with no trace of the body side connector. What color wires are for that side ABS sensor? The ABS light is on and stays on. I'm thinking this would be my problem.
Mar 24, 2023 at 11:17 AM






