ABS module wiring Diagram?

Tiny
ANDRIN ATEM
  • MEMBER
  • 2017 HYUNDAI SANTA FE
  • 2.4L
  • 4 CYL
  • 4WD
  • AUTOMATIC
  • 14,576 MILES
SANTA FE SPORT / 2017/HYUN



5XYZTDLB4HG391081
Please can you provide me with the ABS pinout signals and Diagram?

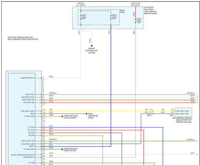
The wiring Diagram for the ABM unit module pump below I have attached the model for the exact ABS module.

Thank you!
Saturday, August 30th, 2025 AT 5:17 AM

3 Replies

Tiny
KEN L
  • MASTER CERTIFIED MECHANIC
  • 55,112 POSTS
We dont have the pin outs but do have the ABS wiring daigrams so you can see how it works and which wires to test. Check out the images (below). Let us know how it goes.
Was this
answer
helpful?
Yes
No
+1
Saturday, August 30th, 2025 AT 7:02 PM
Tiny
ANDRIN ATEM
  • MEMBER
  • 409 POSTS
Thank you Ken. Great job, let me check it out. Will let you know what’s next.
Was this
answer
helpful?
Yes
No
Sunday, August 31st, 2025 AT 12:36 AM
Tiny
KEN L
  • MASTER CERTIFIED MECHANIC
  • 55,112 POSTS
You are welcome Andrin, please let me know what you find.
Was this
answer
helpful?
Yes
No
Sunday, August 31st, 2025 AT 9:26 AM

Please login or register to post a reply.