ABS module removal

2002 CHEVROLET TAHOE
180,000 MILES • 5.3L • V8 • 4WD • AUTOMATIC
Avatar
JAN THORVILDSEN
  • MEMBER
  • 1 POST
How to take out the hole unit?
Aug 19, 2018 at 9:53 AM
Advertisement
Avatar
ASEMASTER6371
  • CAR REPAIR CONTRIBUTOR
  • 52,796 POSTS
Good afternoon.

Below is the procedure and attached are the pictures for you.

Roy

Removal Procedure

Important: After installation, calibrate the new EBCM to the tire size that is appropriate to the vehicle.

Caution: Refer to Battery Disconnect Caution in Service Precautions.

1. Disconnect the negative battery cable.
2. Raise and suitably support the vehicle. Refer to Vehicle Lifting.

Important: The area around the EHCU MUST be free from loose dirt to prevent contamination of disassembled ABS components.


imageZoom/Print


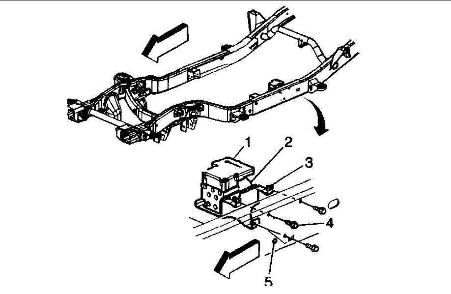
3. Thoroughly wash all contaminants from around the EHCU (1).
4. Disconnect the electrical connectors from the EBCM.
5. Loosen or remove 3 bolts (4) securing the EHCU mounting bracket (3) to the frame rail (5).


imageZoom/Print


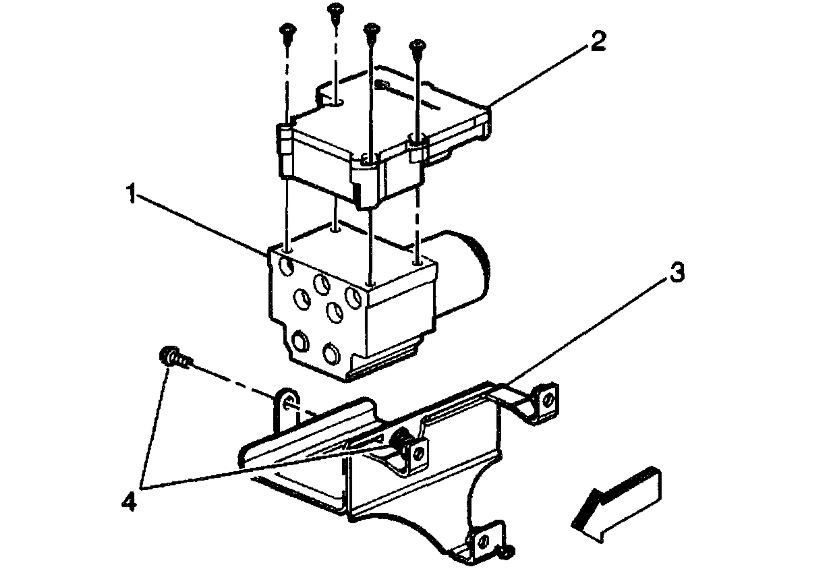
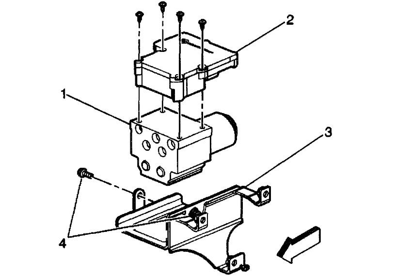
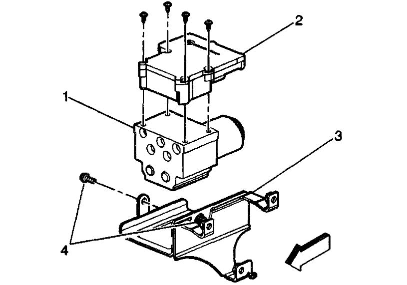
6. Gently move the EHCU down enough to remove the four mounting screws that fasten the EBCM(2) to the BPMV(1).
7. Remove the EBCM (2) from the BPMV (1). Removal may require a light amount of force.
8. Clean the BPMV to EBCM mounting surfaces with a clean cloth.
Mar 16, 2021 at 9:39 AM
Advertisement
Repair Safety Notice: This information is for general instructional purposes only. Vehicle repair can be dangerous. Verify all information, follow manufacturer service procedures, use proper tools and safety equipment, and consult a qualified repair shop when needed.