ABS light is on all the time

Tiny
PRISPIN
  • MEMBER
  • 2012 CHRYSLER 200
  • 2.6L
  • AUTOMATIC
  • 47,000 MILES
I spray the brakes with cleaner, it will go off for a while, then back on. I pushed the brakes and it made a terrible noise, then the light came back on. Help please
Sunday, December 29th, 2019 AT 6:33 AM

17 Replies

Tiny
ASEMASTER6371
  • MECHANIC
  • 52,796 POSTS
Good morning,

The ABS light comes on when there is an electronic failure in the control system.

When this happens, there is a fault code stored in the system that helps us narrow the area of failure.

I need that code. You can have a parts store check it for free.

As far as the noise, are the brake pads worn out? What did you spray and where?

Roy
Was this
answer
helpful?
Yes
No
Sunday, December 29th, 2019 AT 7:07 AM
Tiny
PRISPIN
  • MEMBER
  • 9 POSTS
I had new brakes put on 4 weeks ago. I sprayed the brakes with brake cleaner 2 days ago, sometimes the light will go out when I do that. I sprayed around the wheel, I can see the brakes through the hub caps. I'm a widow of 2 months, I absolutely don't know what to do on a limited income. What do I ask for at the parts store? I have to drive 15 miles.
Was this
answer
helpful?
Yes
No
Sunday, December 29th, 2019 AT 7:18 AM
Tiny
ASEMASTER6371
  • MECHANIC
  • 52,796 POSTS
Please do not use all caps. It looks like you are yelling.
Ask the parts store to read the codes for you. It is a free service for you. Do not let them sell you anything until you give me the code. Once I know the code we can do some diagnostics.

Do you have a voltmeter to do some checks?

Roy
Was this
answer
helpful?
Yes
No
Sunday, December 29th, 2019 AT 7:22 AM
Tiny
PRISPIN
  • MEMBER
  • 9 POSTS
I don't even know what a voltmeter is Roy, sorry.
Was this
answer
helpful?
Yes
No
Sunday, December 29th, 2019 AT 7:27 AM
Tiny
ASEMASTER6371
  • MECHANIC
  • 52,796 POSTS
Please drop the caps. It looks like you are yelling at me.
See if you can get me the code.

Roy
Was this
answer
helpful?
Yes
No
Sunday, December 29th, 2019 AT 7:29 AM
Tiny
PRISPIN
  • MEMBER
  • 9 POSTS
I will get the code, but what do you mean drop the caps?
Was this
answer
helpful?
Yes
No
Sunday, December 29th, 2019 AT 7:37 AM
Tiny
ASEMASTER6371
  • MECHANIC
  • 52,796 POSTS
The way you are typing. You have cap lock on and everything is capital letters. It looks like you are yelling at me. I do not like to be yelled at.

Roy
Was this
answer
helpful?
Yes
No
Sunday, December 29th, 2019 AT 7:39 AM
Tiny
PRISPIN
  • MEMBER
  • 9 POSTS
I'm sorry about the caps, my caps is are hung on my computer, I have tried to get it off, cannot. I would never hollow at you, i'm so sorry, I didn't know it appeared that way. Is the car safe to drive in the rain?
Was this
answer
helpful?
Yes
No
Sunday, December 29th, 2019 AT 7:42 AM
Tiny
ASEMASTER6371
  • MECHANIC
  • 52,796 POSTS
Okay, no worries.

Just have the code checked and we can continue to find out the failure.

Roy
Was this
answer
helpful?
Yes
No
Sunday, December 29th, 2019 AT 7:45 AM
Tiny
PRISPIN
  • MEMBER
  • 9 POSTS
Again, sorry. Thank you for your trouble and time. Hope you have a nice new year"s.
Was this
answer
helpful?
Yes
No
Sunday, December 29th, 2019 AT 7:53 AM
Tiny
ASEMASTER6371
  • MECHANIC
  • 52,796 POSTS
You are welcome.

Same to you and yours.

Roy
Was this
answer
helpful?
Yes
No
Sunday, December 29th, 2019 AT 7:57 AM
Tiny
PRISPIN
  • MEMBER
  • 9 POSTS
  • 2012 CHRYSLER 200
  • 2.6L
  • AUTOMATIC
  • 47,000 MILES
ABS light comes on often. I went to parts store, they gave me the codes that Roy had asked for earlier. They are: C101F, C1042 and C101C. Please help
Was this
answer
helpful?
Yes
No
Sunday, December 29th, 2019 AT 4:44 PM (Merged)
Tiny
ASEMASTER6371
  • MECHANIC
  • 52,796 POSTS
Hello again,

All the codes point right to the right front wheel.

Make sure all the tires are the same size as well as the tire pressures are correct.

The sensor look like the issue as it is common to all 3 codes.

Roy

REMOVAL

NOTE: Before proceeding, See: Brakes and Traction Control > Technician Safety Information > Warning See: Brakes and Traction Control > Technician Safety Information > Brakes - Caution.

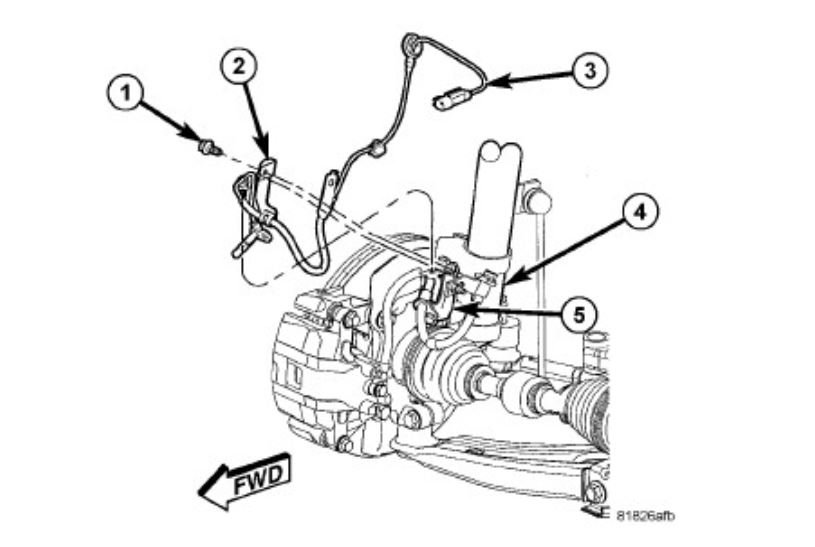
ImageOpen In New TabZoom/Print

1. Open the hood.
2. Disconnect the wheel speed sensor cable connector (2) from the wiring harness connector (3) on top of the frame rail (1) to the inside of the strut tower.
3. Raise and support the vehicle. See: Maintenance

imageOpen In New TabZoom/Print

4. Remove the grommet (1) from the hole in the body (7) and pull the wheel speed sensor cable out of the hole.
5. Remove the speed sensor cable routing clip (2) from the outside frame rail (6).
6. Remove the screw fastening the cable routing clamp (3) to the outside frame rail (6).

ImageOpen In New TabZoom/Print

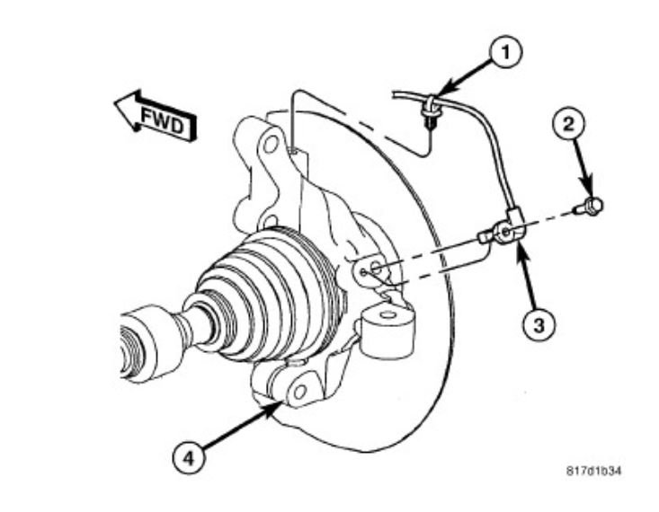
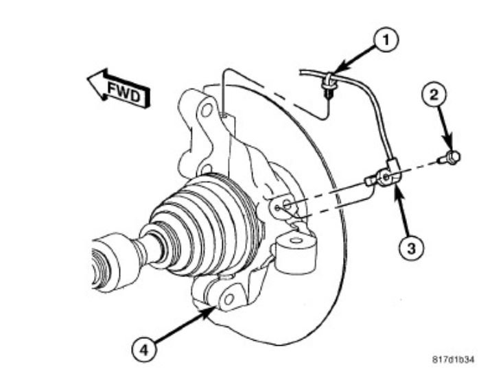
7. Remove the screw (1) securing the wheel speed sensor routing bracket (2) to the brake flex hose bracket (5).

ImageOpen In New TabZoom/Print

8. Remove the mounting screw (2) fastening the wheel speed sensor head (3) to the knuckle (4). Pull the sensor head out of the knuckle.

NOTE: In the following step, the routing clip can be easily removed without damaging it by rotating it (with entire sensor) counterclockwise.

9. Remove the routing clip (1) securing wheel speed sensor cable to the knuckle (4). Remove the sensor from the vehicle.
Was this
answer
helpful?
Yes
No
Sunday, December 29th, 2019 AT 4:44 PM (Merged)
Tiny
PRISPIN
  • MEMBER
  • 9 POSTS
Thank you again Roy, guess I need to take it to the dealership. How can I tell them I already know the codes, won't they still want to do the code checks and charge me a fortune?
Was this
answer
helpful?
Yes
No
Sunday, December 29th, 2019 AT 4:44 PM (Merged)
Tiny
ASEMASTER6371
  • MECHANIC
  • 52,796 POSTS
No, forget the dealer. They are way overpriced.

Find a local shop. They will do it for about 50% less than the dealer. I always believe in supporting small business that is locally owned and operated.

Roy
Was this
answer
helpful?
Yes
No
Sunday, December 29th, 2019 AT 4:44 PM (Merged)
Tiny
PRISPIN
  • MEMBER
  • 9 POSTS
I certainly will. Thank you again.
Was this
answer
helpful?
Yes
No
Sunday, December 29th, 2019 AT 4:44 PM (Merged)
Tiny
ASEMASTER6371
  • MECHANIC
  • 52,796 POSTS
You are welcome.

Roy
Was this
answer
helpful?
Yes
No
Sunday, December 29th, 2019 AT 4:44 PM (Merged)

Please login or register to post a reply.

Related ABS Light Content

How to Get ABS Codes Video
VIDEO