Saturday, March 12th, 2022 AT 5:09 AM
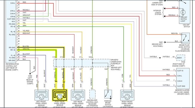
Rear ABS harness left side have power, but right side no power. Where should I check? The fuse looks good. Do they have relay on ABS system?







