ABS light

Tiny
WASHINGTON101
  • MEMBER
  • 1998 PLYMOUTH VOYAGER
  • 3.3L
  • 6 CYL
  • 2WD
  • AUTOMATIC
  • 210 MILES
My ABS light is on and when it comes on the speedometer cluster do not work. Do I need a new speedometer cluster of what?
Friday, December 15th, 2017 AT 10:07 PM

3 Replies

Tiny
STEVE W.
  • MECHANIC
  • 15,676 POSTS
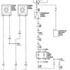
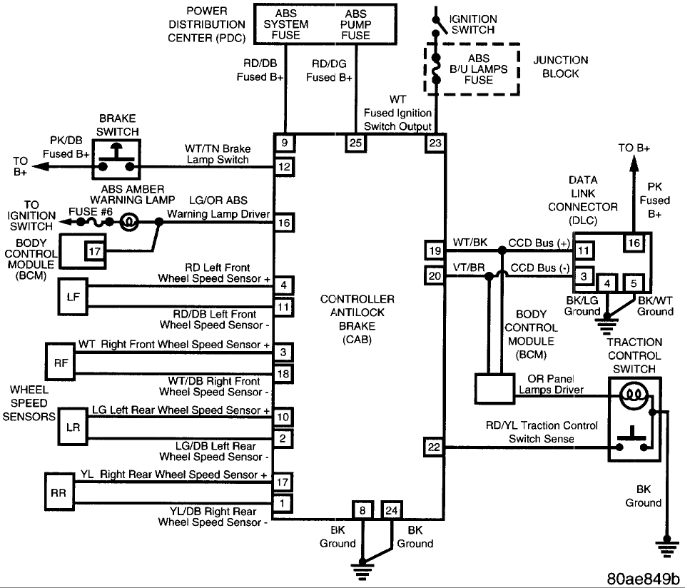
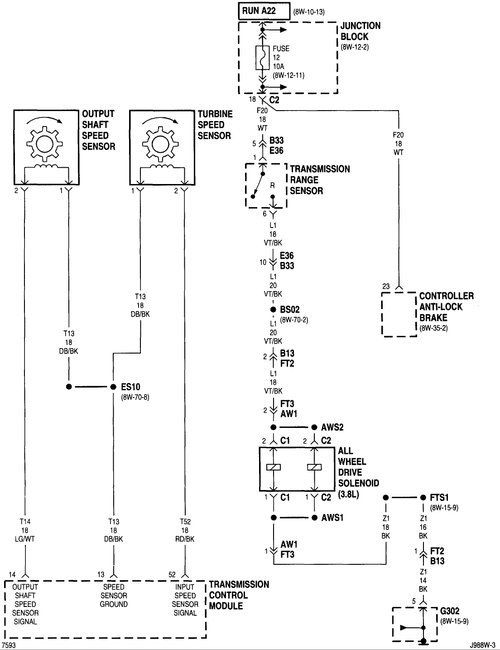
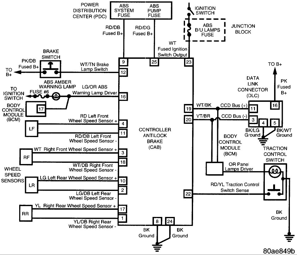
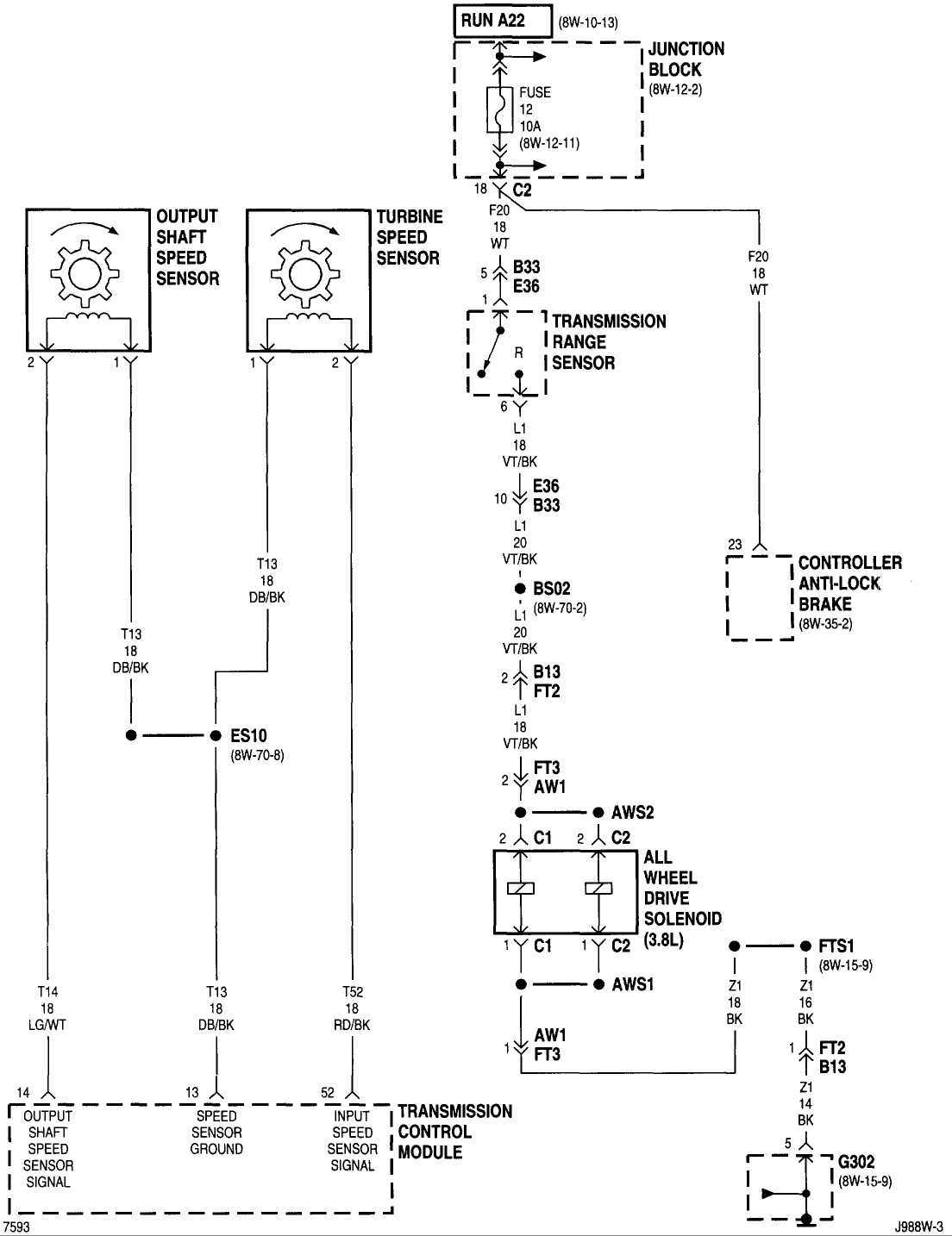
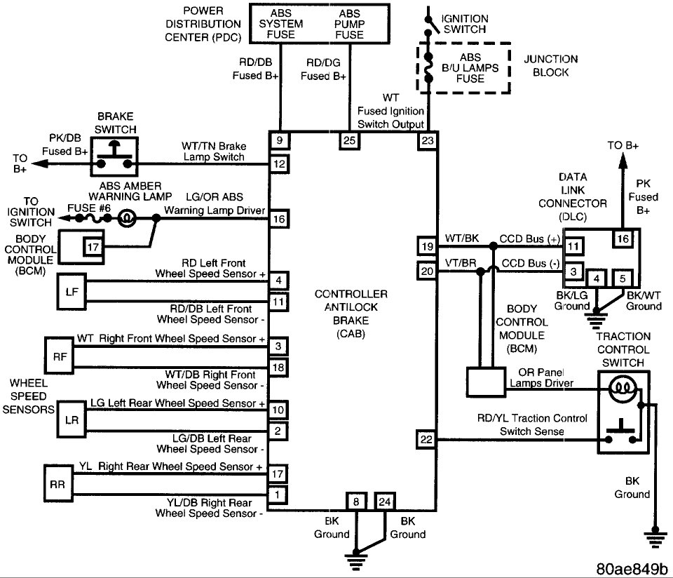
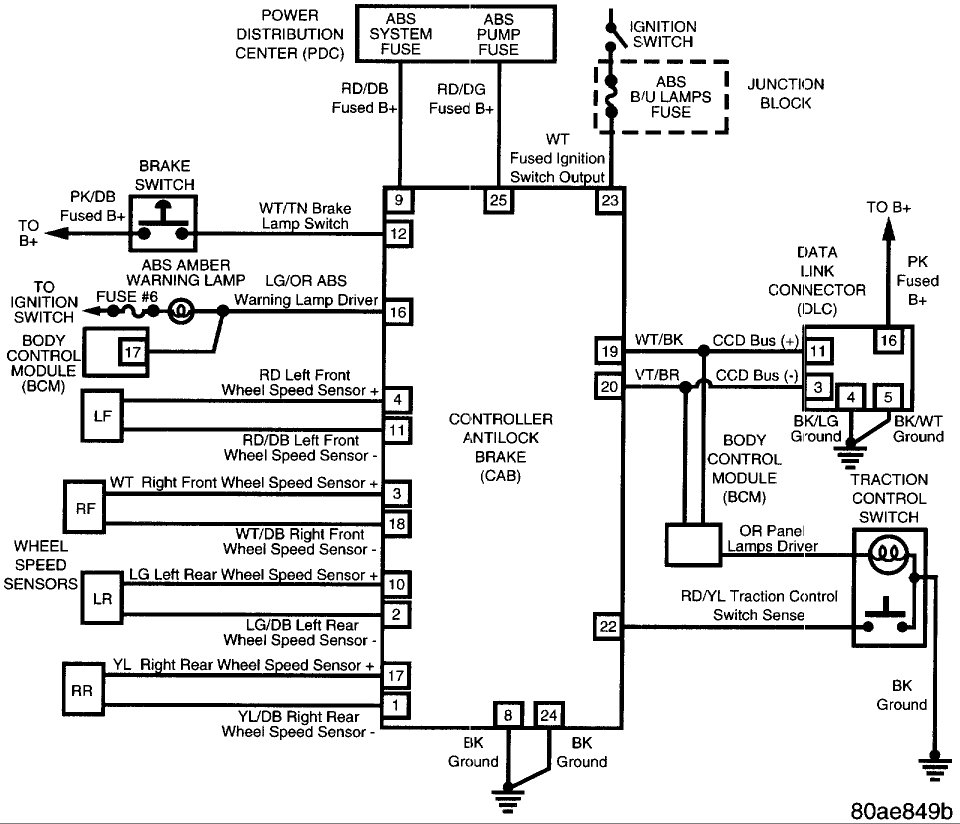
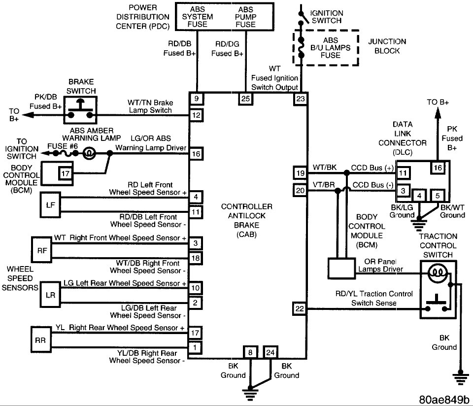
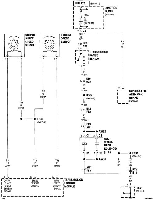
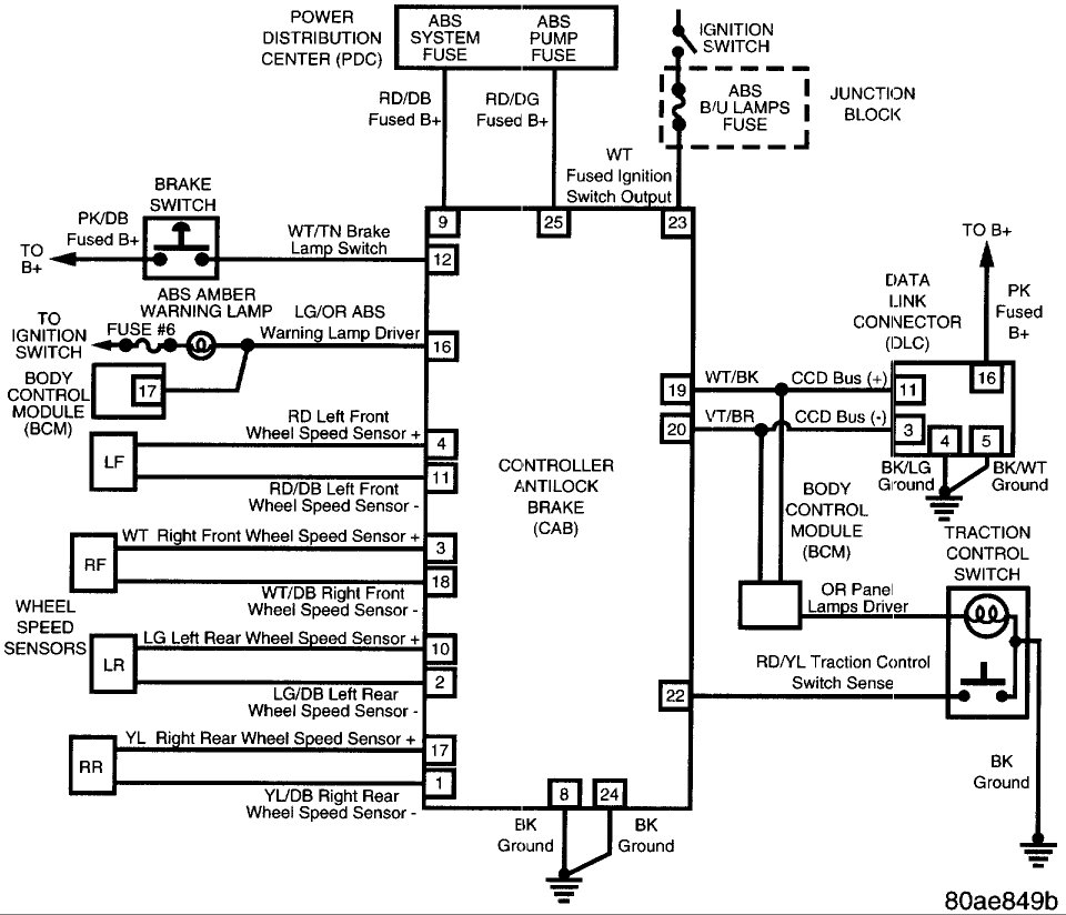
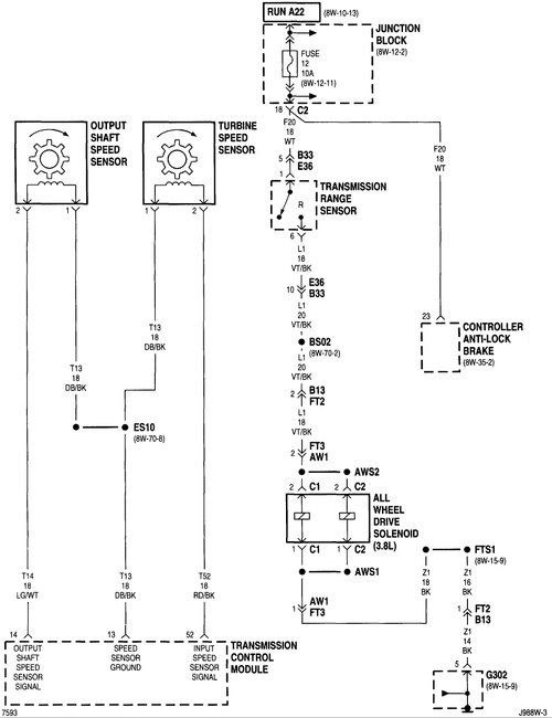
Most likely it is a bad speed sensor or wiring to it. The ABS unit uses sensors at each wheel to tell when a particular tire is locked or close to locking and activate the system. It also uses a speed signal from the body control module to verify the speeds it gets from those four sensors. If that signal goes away you get the ABS light coming on and the speedometer stops working. That signal comes from the output shaft speed sensor.

If you can get it scanned with a tool that can read the ABS system it will point you toward the issue and may give better clues if it is the sensor itself or the wiring. The sensor is nothing more than a coil of wire and a magnet, as the output shaft rotates it moves a tone wheel that looks like a bike chain sprocket. As the teeth pass the sensor they change the magnetic field and it generates a voltage and frequency.
Those are very small signals so it does not take much to make them stop. A bad connection or bad ground will do it.
Was this
answer
helpful?
Yes
No
+1
Friday, December 15th, 2017 AT 10:32 PM
Tiny
WASHINGTON101
  • MEMBER
  • 2 POSTS
Okay, I will get it checked. Thanks
Was this
answer
helpful?
Yes
No
Friday, December 15th, 2017 AT 10:41 PM
Tiny
STEVE W.
  • MECHANIC
  • 15,676 POSTS
You are welcome. You could look over the wiring yourself, it is out in the open. The sensor is also real easy to change, you take a wrench, remove the wire connector, unscrew the old sensor and screw the new one in. Price is around $ 20.00.
Was this
answer
helpful?
Yes
No
Friday, December 15th, 2017 AT 11:28 PM

Please login or register to post a reply.