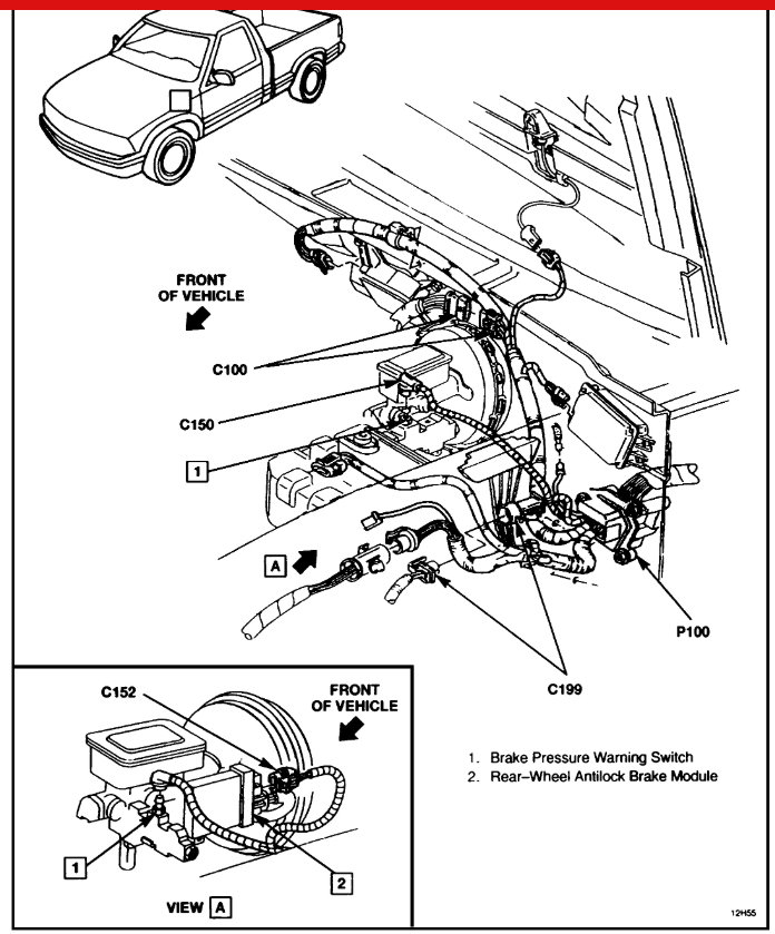
ABS Control Module location

Tiny
DAVID BAILEY
  • MEMBER
  • 1994 GMC SONOMA
  • 4.3L
  • V6
  • 4WD
  • AUTOMATIC
  • 212,000 MILES
Where is the ABS control module located?
Tuesday, October 1st, 2019 AT 5:27 AM

17 Replies

Tiny
KASEKENNY
  • MECHANIC
  • 18,907 POSTS
Hi,

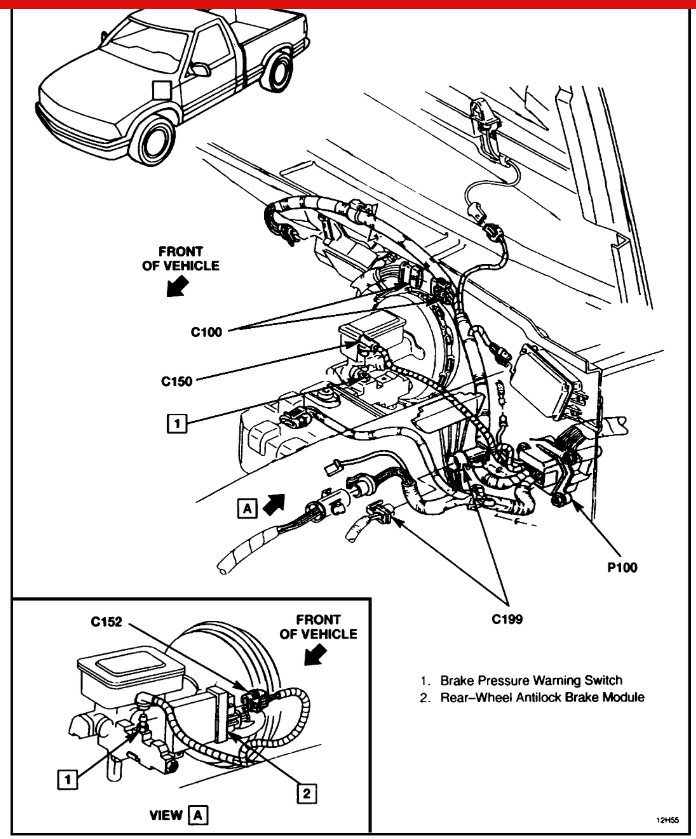
Please see the attached pictures. One is 4 wheel and the other is rear wheel.

Please let me know if you need more information.
Was this
answer
helpful?
Yes
No
Tuesday, October 1st, 2019 AT 4:23 PM
Tiny
DAVID BAILEY
  • MEMBER
  • 10 POSTS
Hi KASEKENNY.

Thank you for your reply. I see the 2WAL control module mounted adjacent to the master cylinder. The 4WAL pic shows the ABS module but what I need is the "Control module" location the 4WAL.[ Shown in pic I have included I have looked under hood and under the cab along the frame. The module is not a small box it is approx. 8"x6"x1 1/2". Also a picture of my ABS module. Thanks again for any help you can provide!
Was this
answer
helpful?
Yes
No
-3
Tuesday, October 1st, 2019 AT 5:35 PM
Tiny
DAVID BAILEY
  • MEMBER
  • 10 POSTS
I should have been a little more specific with my question. I know the ABS module HMV is on the left fender. I am looking for the control module. It is not in plain sight. [ Ref. Pics in previous post. Unlike the 2WAL it is not mounted by master cylinder Even if were partially blocked from sight I would have seen it. My best guess is it is behind the left kick panel The harness goes through the fire wall to right of the brake booster to see I have to take the bottom dash panel, door threshold and kick panel out. I am not looking to waste time pulling the truck apart unless I have no choice. I have spent hours looking at all the diagrams online and have not found anything addressing this control module. Still hope someone can help!
Was this
answer
helpful?
Yes
No
+2
Wednesday, October 2nd, 2019 AT 4:21 PM
Tiny
KASEKENNY
  • MECHANIC
  • 18,907 POSTS
Can you send me the part number for that module? Thanks
Was this
answer
helpful?
Yes
No
Wednesday, October 2nd, 2019 AT 6:47 PM
Tiny
DAVID BAILEY
  • MEMBER
  • 10 POSTS
The number on the box is ALB1599M. The number on the sticker on the part is ABS1599S. The case has 1599 stamped on it.
Was this
answer
helpful?
Yes
No
Wednesday, October 2nd, 2019 AT 7:55 PM
Tiny
DAVID BAILEY
  • MEMBER
  • 10 POSTS
A little more info. I have a INNOVA GM Code reader. I read the codes and got 15 codes. According to the book 13 of the codes are "Control Unit Fault". I started with inspecting wiring checking the connectors. The resistance of speed sensors checked okay. Did not find corroded or loose connection. Sprayed all with Elect. Spray and applied dielectric grease, plugged everything back in I only get "control unit fault" for 13 different codes. The book says it is a Kelsey Hayes 4WAL I decided to replace the control module to eliminate this nagging dash light. The diagnoses was about 2 years ago. The unit I bought was what all the part stores call for #1599. Chilton"s repair manual does not address Kelsey Hayes as the mfg. And only a picture of the EHCU. If I can provide any more information let me know.
Was this
answer
helpful?
Yes
No
Thursday, October 3rd, 2019 AT 6:41 AM
Tiny
KASEKENNY
  • MECHANIC
  • 18,907 POSTS
I am finding conflicting information and have not been able to sort it out yet. I looked up that part and it is available for your truck. However, I suspect that this because there are other options for your model year. Meaning not all 94 Sonoma's had the same system. This means the ABS control module does not apply to your vehicle. Please see the attachment and the highlighted portion.

I am asking one of my GM dealers to confirm this. I will let you know what I find.
Was this
answer
helpful?
Yes
No
+2
Thursday, October 3rd, 2019 AT 8:36 PM
Tiny
DAVID BAILEY
  • MEMBER
  • 10 POSTS
I am really disappointed in repair manuals lack of information. It looks like you have found the information. I could not. This makes a diagnosis of "Control Module Fault" a little more difficult.
Was this
answer
helpful?
Yes
No
+1
Friday, October 4th, 2019 AT 3:15 AM
Tiny
KASEKENNY
  • MECHANIC
  • 18,907 POSTS
I know you said you had a lot of codes. What were they? If they are pointing to an ABS Control module issue then on your vehicle it would be the engine and ABS module. Let me know the codes and we can go from there. Thanks
Was this
answer
helpful?
Yes
No
+1
Friday, October 4th, 2019 AT 4:03 PM
Tiny
DAVID BAILEY
  • MEMBER
  • 10 POSTS
First, I did not compare the codes in the Chilton"s against the codes in the code reader book. I know better! The book with code reader ID''s some codes as control module fault While Chilton ID"s same codes as ECBM control valve circuit open or shorted solenoid coil in the EHCU. It has been a while since I pulled the codes and there were 14 codes. Before I list them let me get current codes because I cleaned the connection after reading code last time some may not show up again!
Was this
answer
helpful?
Yes
No
Friday, October 4th, 2019 AT 5:34 PM
Tiny
KASEKENNY
  • MECHANIC
  • 18,907 POSTS
Good idea. On modern vehicles we want more codes but these older ones can set erroneous DTCs. Let me know what you find and we can go from there. Thanks
Was this
answer
helpful?
Yes
No
Friday, October 4th, 2019 AT 5:43 PM
Tiny
DAVID BAILEY
  • MEMBER
  • 10 POSTS
Here is a list of current codes. 64-41-42-51-52-14-35-36-63-45-65-67-46-53. I did not get a 12 [system diagnosis PASS] After retrieving codes I cut power for about 2 min. To erase codes but they did not erase and still no 12. Last time I pulled codes I did get a 12 code and the codes did clear.
Was this
answer
helpful?
Yes
No
Saturday, October 5th, 2019 AT 4:43 AM
Tiny
KASEKENNY
  • MECHANIC
  • 18,907 POSTS
Sorry for the delay. I haven't had enough time to go through all these. I am working on it tonight and will get back with you tomorrow.
Was this
answer
helpful?
Yes
No
+1
Sunday, October 6th, 2019 AT 7:14 PM
Tiny
DAVID BAILEY
  • MEMBER
  • 10 POSTS
I'm in no hurry. I cleared the codes key on light on for about 2 seconds then light goes out. Light came back on after driving about 50 ft. I cleared codes again and left the truck for a couple hours. When I came back I plugged the reader in to see if it flashed 12 or 14 system normal. It flashed the codes I thought were erased. I did not sit through the whole list at this point it was better for me to just walk away! I do have a good spare PCM. I installed it and drove the truck for a week with no problems but I wasn't working on the brakes then. I put the original back in. Do you think it would benefit me to swap them out and read codes again?
Was this
answer
helpful?
Yes
No
Monday, October 7th, 2019 AT 2:46 AM
Tiny
KASEKENNY
  • MECHANIC
  • 18,907 POSTS
64- VCM/4WAL System Voltage Low
41- Right Front Isolation Solenoid or circuit open
42- Right Front Pulse Width Modulated Solenoid or open circuit
51- Rear Isolation Solenoid or Circuit Open
52- Rear Pulse Width Circuit open
14- ECT Circuit low
35- Open vehicle speed sensor
36- Missing rear speed sensor signal
45- Left Front Isolation Solenoid or circuit open
65- Pump Motor Relay or circuit open
67- Open Motor Circuit or Shorted VCM output
46- Left Front Pulse Width Solenoid Circuit open
53 - Rear Isolation solenoid or circuit open

I attached a couple of the flow charts that we need to run through. I think you may have a VCM/ABS module issue. Let's run through the flow chart for code 67 first then 65. They are the last two.

When you changed out the module did any of these come back with that one in it?
Was this
answer
helpful?
Yes
No
+1
Monday, October 7th, 2019 AT 7:44 PM
Tiny
DAVID BAILEY
  • MEMBER
  • 10 POSTS
Got It! This will take a while. Where can I get access to the Flow Charts? I have looked for a Factory Service Manual and only found one site that is out of stock. If the charts are in the factory manual I could eliminate a lot of the back and forth here. I could contact you if I have a problem.
Was this
answer
helpful?
Yes
No
Wednesday, October 9th, 2019 AT 3:04 AM
Tiny
KASEKENNY
  • MECHANIC
  • 18,907 POSTS
Take a look at the attachments I posted in the last post. They are they flow charts but unfortunately I don't have the pin out charts for each connector. However, the pins should be labeled on the face of the connector.

First attachment is code 41, then 42, the 65, and finally 67.
Was this
answer
helpful?
Yes
No
Wednesday, October 9th, 2019 AT 6:39 PM

Please login or register to post a reply.