ABS code C2116

Tiny
MTH1973
  • MEMBER
  • 2008 JEEP PATRIOT
  • 2.4L
  • 4 CYL
  • 2WD
  • AUTOMATIC
  • 130 MILES
ABS light on.
Friday, July 19th, 2019 AT 7:12 PM

1 Reply

Tiny
JACOBANDNICKOLAS
  • MECHANIC
  • 110,192 POSTS
Welcome to 2CarPros.

That indicates low voltage to the ABS pump motor. Here are the diagnostics for it. Before going crazy, check and make sure there are no ground issues and check battery voltage. The attached pictures correlate with the directions.

_______________________________

2008 Jeep Truck Patriot 2WD L4-2.4L
ABS
Vehicle ALL Diagnostic Trouble Codes ( DTC ) Testing and Inspection C Code Charts C2116
C2116-ABS PUMP MOTOR SUPPLY LOW VOLTAGE

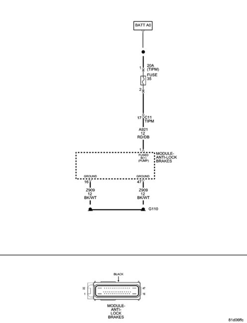
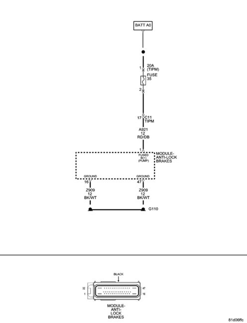
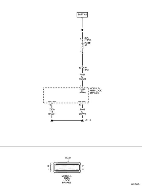
pic 1

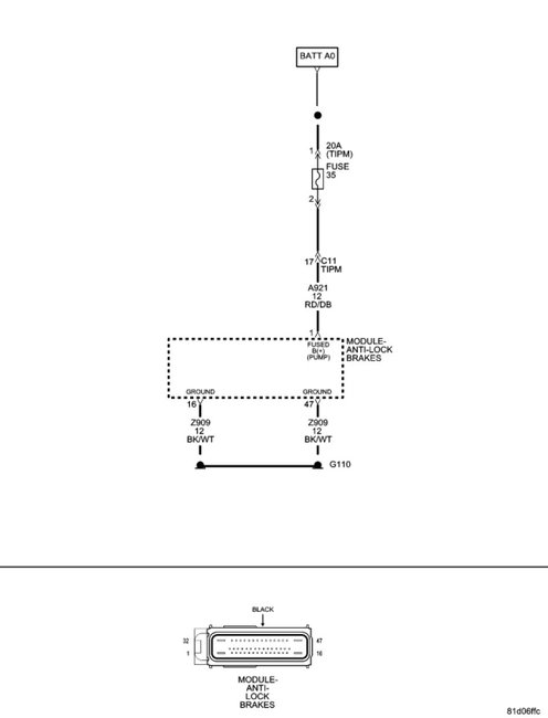
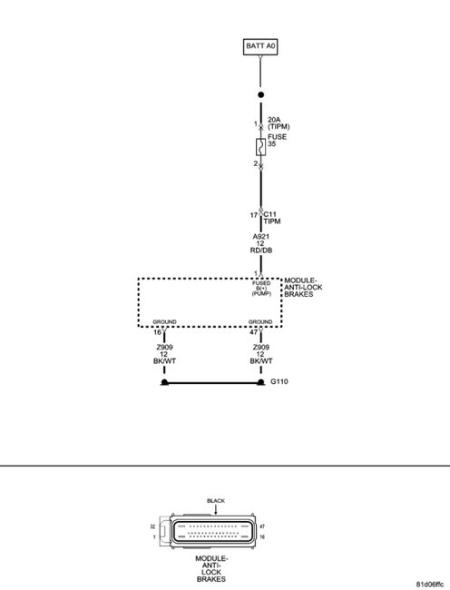
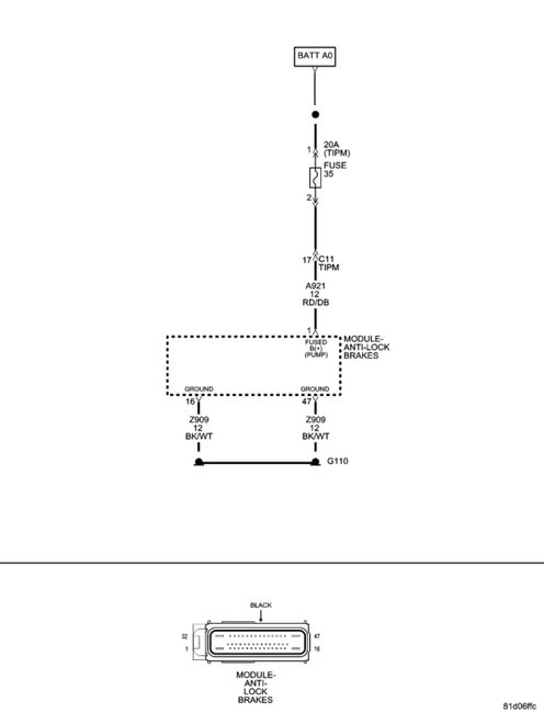
For a complete wiring diagram Consult Diagrams/Electrical.

- When Monitored:
With the ignition on and the ABS Pump Motor deactivated, but not if supply voltage faults are detected.

Or, if the control is switched off.

- Set Condition:
If the Anti-Lock Brakes Module detects either a low voltage condition when the ABS Pump Motor is activated or deactivated or a high voltage condition when the ABS Pump Motor is deactivated.

Pic 2

Diagnostic Test

1. CHECK FOR A DTC C2116-ABS PUMP MOTOR SUPPLY LOW VOLTAGE
NOTE: This DTC must be active for the results of this test to be valid.

Turn the ignition on.
With the scan tool, record and erase DTCs.
Cycle the ignition switch from off to on.
Road test the vehicle over 40 km/h (25 mph).

NOTE: Vehicle must be driven above 40 km/h (25 mph) for set conditions to be meet.

With the scan tool, read DTCs.
Does the scan tool display: C2116-ABS PUMP MOTOR SUPPLY LOW VOLTAGE active?

Yes

- Go To 2

No

- Refer to the ABS-INTERMITTENT CONDITION TEST. See: Antilock Brakes / Traction Control Systems > Component Tests and General Diagnostics > ABS Intermittent Condition Test

Diagnostic Test

2. INSPECT RELATED WIRING HARNESS, TERMINALS, & CONNECTORS
Turn the ignition off.
Visually inspect the Anti-Lock Brakes Module harness connector and wiring harness for damage.
Check all related wiring for pinched, chafed, pierced, and partially broken wires.
Check all related connectors for broken, bent, pushed out, and corroded terminals.
Were any problems found?

Yes

- Repair as necessary.
- Perform ABS VERIFICATION TEST. See: A L L Diagnostic Trouble Codes ( DTC ) > Verification Tests > ABS Verification Test.

No

- Go To 3

3. CHECK ABS PUMP MOTOR FUSE
Remove and visually inspect the ABS Pump Motor fuse.
Is the fuse open?

Yes

- Go To 4

No

- Go To 5

4. CHECK (A921) FUSED B(+) CIRCUIT FOR A SHORT TO GROUND

pic 3

Disconnect the Anti-Lock Brakes Module harness connector.
Measure the resistance of the (A921) Fused B(+) circuit between ground and the Anti-Lock Brakes Module harness connector.
Is the resistance below 10k ohms?

Yes

- Repair the (A921) Fused B(+) circuit for a short to ground.
- Perform ABS VERIFICATION TEST. See: A L L Diagnostic Trouble Codes ( DTC ) > Verification Tests > ABS Verification Test.

No

- Go To 5

5. CHECK (A921) FUSED B(+) CIRCUIT FOR AN OPEN OR HIGH RESISTANCE

pic 4

Replace the ABS Pump Motor fuse.
Using a 12-volt test light connected to ground, probe the (A921) Fused B(+) circuit.

NOTE: The test light should illuminate brightly. Compare the brightness to that of a direct connection to the battery.

Does the test light illuminate brightly?

Yes

- Go To 6

No

- Repair the (A921) Fused B(+) circuit for an open or high resistance.
- Perform ABS VERIFICATION TEST. See: A L L Diagnostic Trouble Codes ( DTC ) > Verification Tests > ABS Verification Test.

6. CHECK (Z909) GROUND CIRCUIT FOR AN OPEN OR HIGH RESISTANCE

pic 5

Using a 12-volt test light connected to 12 volts, probe the (Z909) Ground circuit.

NOTE: The test light should illuminate brightly. Compare the brightness to that of a direct connection to the battery.

Does the test light illuminate brightly on both circuits?

Yes

- Go To 7

No

- Repair (Z909) circuit for an open or high resistance.
- Perform ABS VERIFICATION TEST. See: A L L Diagnostic Trouble Codes ( DTC ) > Verification Tests > ABS Verification Test.

7. REPLACE ANTI-LOCK BRAKES MODULE & VERIFY IF DTC IS STILL ACTIVE
Replace the Anti-Lock Brakes Module.
Perform ABS VERIFICATION TEST. See: A L L Diagnostic Trouble Codes ( DTC ) > Verification Tests > ABS Verification Test.
Turn the ignition on.
With the scan tool, read ABS DTCs.
Does this DTC reset?

Yes

- Replace the Hydraulic Control Unit.
- Perform ABS VERIFICATION TEST. See: A L L Diagnostic Trouble Codes ( DTC ) > Verification Tests > ABS Verification Test.

No

- Refer to the ABS-INTERMITTENT CONDITION TEST. See: Antilock Brakes / Traction Control Systems > Component Tests and General Diagnostics > ABS Intermittent Condition Test
+++++++++++++++++++++++++++++++++++++++++++++

Let me know if that helps.

Take care,
Joe
Was this
answer
helpful?
Yes
No
+3
Friday, July 19th, 2019 AT 7:35 PM

Please login or register to post a reply.