ABS light is on, code C0035

Tiny
BUICK RANIER
  • MEMBER
  • 2005 BUICK RANIER
  • 4.2L
  • 6 CYL
  • 4WD
  • AUTOMATIC
  • 93,000 MILES
ABS light on code c0035 right rear wheel speed sensor open or shorted. Looked at right rear wheel cannot locate sensor.
Monday, March 11th, 2019 AT 9:20 AM

1 Reply

Tiny
SCGRANTURISMO
  • MECHANIC
  • 4,897 POSTS
Hello,

This is actually a problem with your vehicle's Left Front Wheel Speed Sensor, or it's associated electrical circuit. When you are driving, there is a wheel speed sensor that will produce an A/C electrical signal. The vehicle's PCM will use this signal to determine how fast the wheel is turning. Your vehicle's sensor could be going bad causing this DTC to set.

Check this video

https://youtu.be/rTtAnsOlZU4

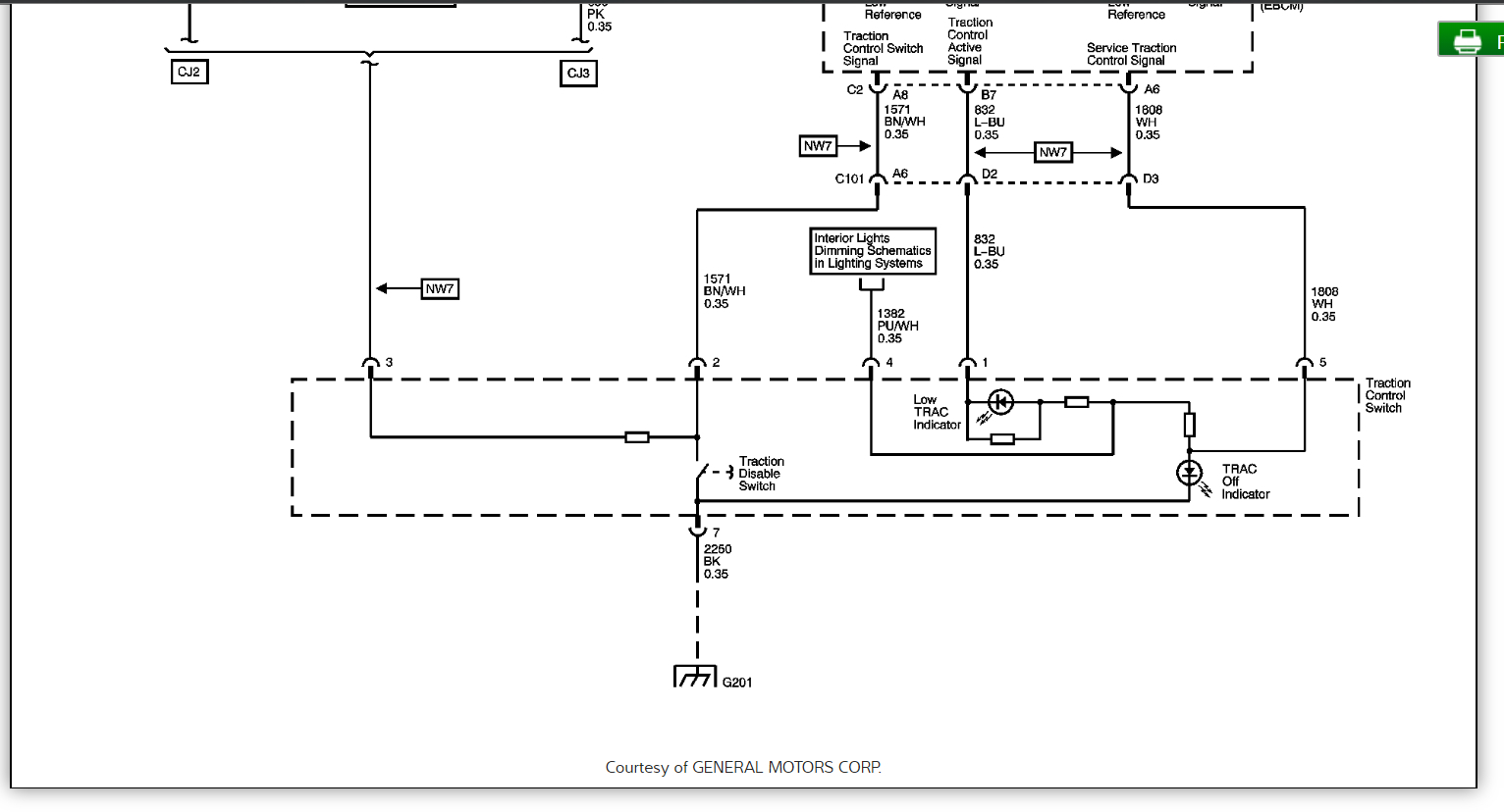
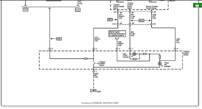
Since we are unsure if it's your vehicle's Wheel Speed Sensor, it's electrical connector, or a problem with the electrical circuit to the PCM, I have included in the diagrams below a vehicle manufacturer diagnostic troubleshooting guide to pinpoint where the fault lies. Please go through it and get back to us with what you find out.

Thanks,
Alex
2CarPros
Was this
answer
helpful?
Yes
No
Monday, March 11th, 2019 AT 10:33 PM

Please login or register to post a reply.