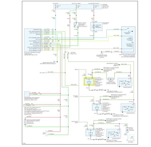
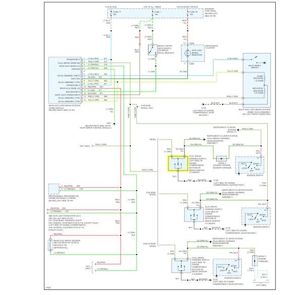
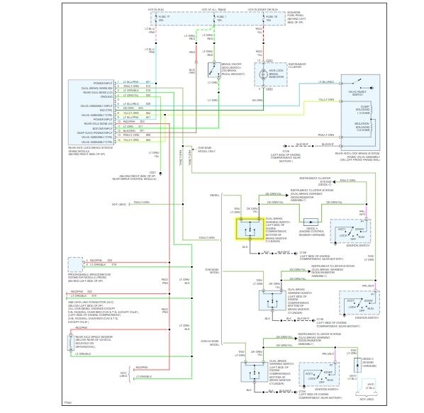
Connector under the dash to get the ABS codes location

Tiny
ITBROKE
  • MEMBER
  • 1996 FORD E-SERIES VAN
  • 5.8L
  • V8
  • 2WD
  • AUTOMATIC
  • 170,000 MILES
I believe it is black and yellow and connects to a red.
Wednesday, May 1st, 2019 AT 4:09 PM

5 Replies

Tiny
ASEMASTER6371
  • MECHANIC
  • 52,796 POSTS
Good evening,

The connector is under the right side of the dash.

I attached a picture of the area for you to view.

A description of the codes is below as well.

Roy

NOTE: Ford does not provide procedures other than those described to retrieve or clear trouble codes.

NOTE: Verify the ignition switch is in the RUN position (engine does not need to be running). Next, locate the black RABS II diagnostic connector. The diagnostic connector has two mating halves (one of which has a black/orange wire connected to it). Disconnect the two halves.

Attach one end of a jumper wire to the black with orange stripe wire side of the diagnostic connector. Momentarily ground the opposite end of the jumper wire by connecting it to a good chassis ground for 1-2 seconds. Grounding this wire should start the REAR ABS lamp flashing. If grounding this wire does not start the REAR ABS lamp flashing, Go to Diagnosis by Symptom.

CAUTION: Care must be taken to connect only the black/orange stripe wire to ground. Connecting the mating connector wire to ground will result in a blown fuse.

The code consists of a number of short flashes and ends with a long flash. Count the short flashes and include the following long flash in the count to obtain the code number. For example, three short flashes followed by one long flash indicates diagnostic trouble Code 4. The code will continue to repeat itself until the key is turned off. It is recommended that the code be verified by reading it several times. This code will be used later for system repair instructions. It should be written down for future use. A diagnostic trouble code of 16 will be obtained when the antilock electronic control unit detects normal system operation.
Was this
answer
helpful?
Yes
No
+1
Wednesday, May 1st, 2019 AT 5:09 PM
Tiny
ITBROKE
  • MEMBER
  • 64 POSTS
Thank you very much for your information. I just removed a small panel on the lower front of the dash and there was the connector. Sometimes it is that easy.
Was this
answer
helpful?
Yes
No
Wednesday, May 1st, 2019 AT 7:54 PM
Tiny
ASEMASTER6371
  • MECHANIC
  • 52,796 POSTS
Yes, it is.

You are welcome.

Always glad to help.

Roy
Was this
answer
helpful?
Yes
No
Thursday, May 2nd, 2019 AT 2:17 AM
Tiny
ITBROKE
  • MEMBER
  • 64 POSTS
Just for anyone else who may have a similar problem, when I grounded the black wire, I got the 16 flash code. Everything was normal. That left me in a quandary. Why was the ABS light on then if this was the case? I went on the hunt with good old Google and someone said to disconnect the battery for a few minutes and this would get rid of the ABS light that stayed on for no good reason. I reconnected the black grounding wire and thought I might try the ignition first and check the light again before disconnecting the battery. Well whadyaknow, the ABS light went out and stayed out even after a short drive.
Was this
answer
helpful?
Yes
No
-1
Thursday, May 2nd, 2019 AT 5:55 AM
Tiny
ASEMASTER6371
  • MECHANIC
  • 52,796 POSTS
As usual, Google was wrong.

Disconnecting the battery does nothing. If the ABS repair was correct, that light will go out by itself. No reset needed.

In most cases, the module is the issue with no codes and a hard light.

Verify your powers and grounds to the module.

Roy
Was this
answer
helpful?
Yes
No
Thursday, May 2nd, 2019 AT 6:30 AM

Please login or register to post a reply.