Abbreviation for back windshield wiper?

Tiny
JAV ROBL
  • MEMBER
  • 2005 CHEVROLET TRAILBLAZER
  • 4.2L
  • V6
  • TURBO
  • 4WD
  • AUTOMATIC
  • 130,000 MILES
Is there a fuse for the back windshield wiper and what is the abbreviation for it?
Saturday, April 15th, 2023 AT 4:52 PM

1 Reply

Tiny
JACOBANDNICKOLAS
  • MECHANIC
  • 110,192 POSTS
Hi,

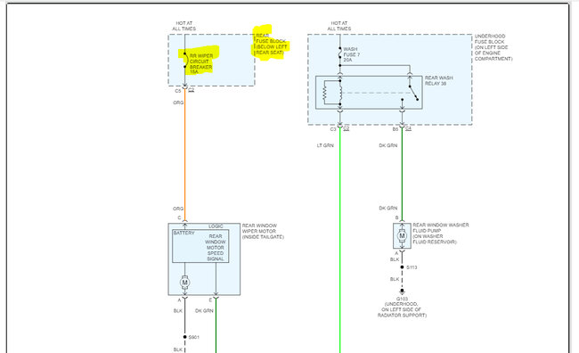
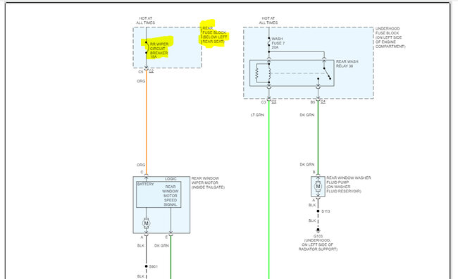
Actually, the rear wiper/washer is on its own circuit. And although there isn't a fuse, there is a circuit breaker. It is located in the rear fuse box, under the left rear seat.

I attached the wiring schematic, so you have it as a reference if needed. (Pics 1 and 2 below)

If you look at pic 3, it shows the fuse box. I highlighted the CB. Interestingly, the schematic indicates it as a 15-amp circuit breaker. The legend for the fuse box indicates a 15-amp circuit breaker. When I look at the fuse box pic, it shows a 10-amp fuse. LOL

Check it out and let me know your thoughts.

Take care,

Joe

See pics below.
Was this
answer
helpful?
Yes
No
Sunday, April 16th, 2023 AT 7:07 PM

Please login or register to post a reply.