A/C wiring diagram needed?

Tiny
GUNSHINE42089
  • MEMBER
  • 2006 CHEVROLET EXPRESS
  • 4.8L
  • V8
  • 2WD
  • AUTOMATIC
  • 164,000 MILES
I have the vehicle listed above RWD. A/C was rigged by jumping pin 85 on the relay and burned up the original. I removed the rigged wiring and I replaced everything besides evap core and lines which I flushed and did a proper a/c service and there is no ground to pin 85 still. Now if you jump 85 to ground the A/C comes on and blows ice cold. But I know this is not right and it's either a pressure switch or the control head or the PCM. I've tried jumping the low-pressure switch and nothing, I have a control head coming Tuesday to test that. Are there any other ways to test the control head or the PCM or maybe another switch? Thank you in advance.
Saturday, December 17th, 2022 AT 1:08 PM

7 Replies

Tiny
AL514
  • MECHANIC
  • 5,593 POSTS
Hello,

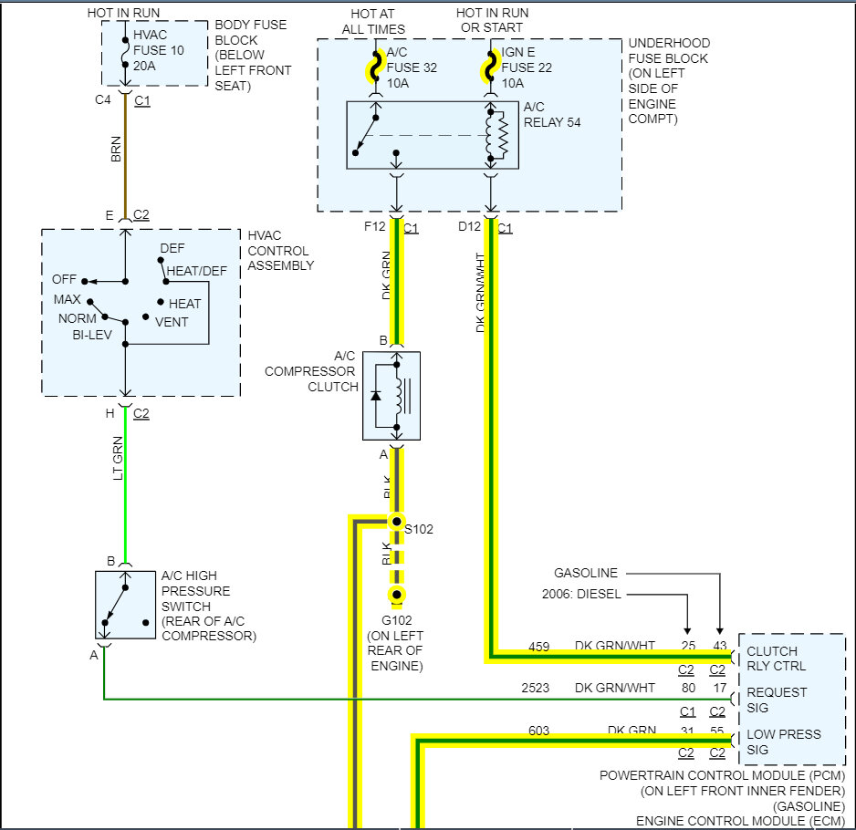
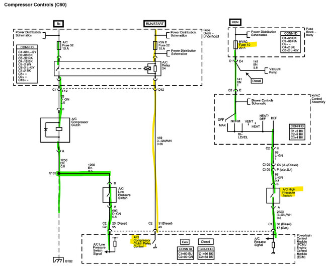
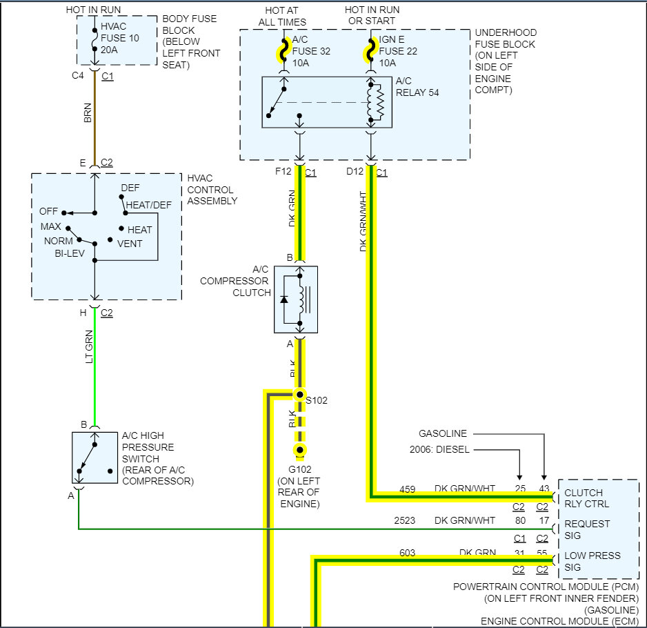
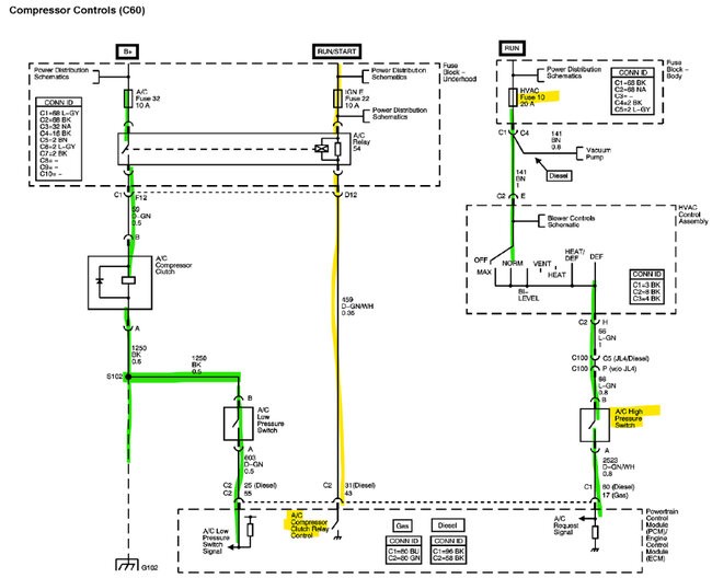
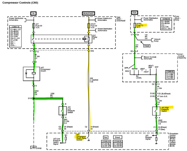
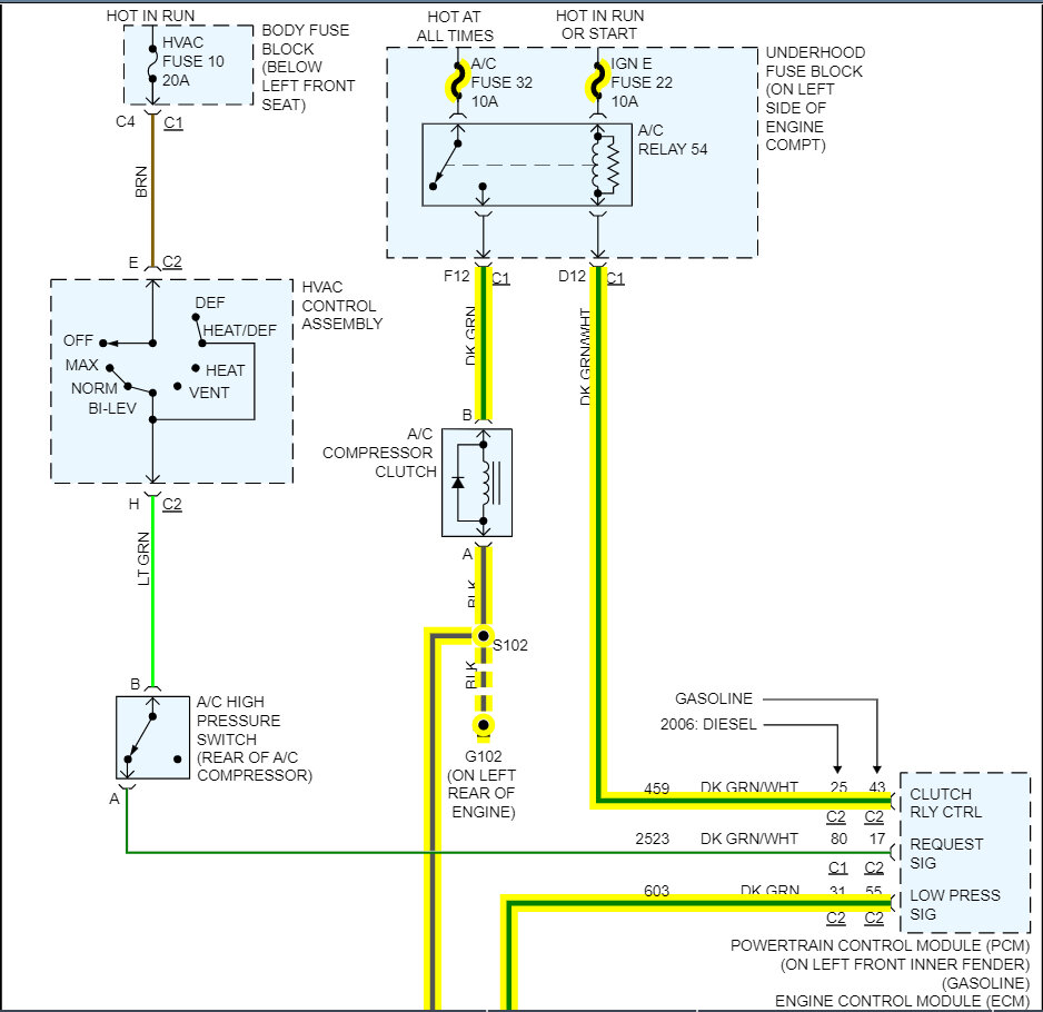
Unfortunately, when relays are jumped out and left that way, nothing good comes of it. I'll post the diagrams for the system. A/C should work in Defrost mode too. There should be 12volts going to the High-pressure switch (which is located on the back of the compressor) when the Control Unit is turned on and there is an AC request. The High-pressure switch in this case will toggle the AC request on and off as needed. So, when you turn on the AC you should have 12volts on one of the wires at the High pressure switch, which will tell you if the control unit is working. I'll post the connector diagram too shortly.
The Low-pressure switch should have a Reference voltage at it too, it just happens to Ground on the same circuit as the compressor does. You can see in the OEM diagram that there is an internal resistor and voltage source inside the ECM. When pressure is low that switch will toggle on and off to signal the ECM. But as for diagnosing the control unit, just looking for the 12volts on one side of the High-pressure switch should come and go as you turn the AC off or on. As long as the system is not over pressurized it should start by the ECM grounding the control relay. If you don't get a voltage signal through the High-pressure switch when its first turned on there is either too much pressure or the switch is stuck. Grounding pin 85 is just forcing the compressor on regardless of pressures.
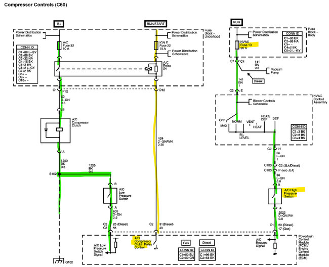
The High-pressure switch should be on the back of the compressor, I'm not 100% sure this is the correct connector, they have it labeled as the compressor clutch, except the wire coloring is for the high-pressure switch. The compressor clutch is Dark Green power feed and Black as Ground. Aftermarket diagrams are not always 100% correct. But I hope this helps. You may want to take a look at the connections on the underside of the fuse/relay panel, just to be sure there are no broken or burned-out wires where the relay sits.
You can check the ground also at the ECM on connector C2 pin 43, that's the relay control wire, Ill pull up the diagram for that if you want to check that the ECM is making ground for the relay or if the driver is burned out.

It looks like the ECM/PCM only has 2 connectors, C1 and C2, C1 looks blue and C2 should be green. Pin 43 is a dark green/white wire for compressor relay control.

https://www.2carpros.com/articles/car-air-conditioner-not-working-or-is-weak
Was this
answer
helpful?
Yes
No
+1
Saturday, December 17th, 2022 AT 2:10 PM
Tiny
GUNSHINE42089
  • MEMBER
  • 5 POSTS
Thank you very much for the information, I'll trouble shoot tomorrow and report back. Thank you
Was this
answer
helpful?
Yes
No
Monday, December 19th, 2022 AT 2:51 PM
Tiny
GUNSHINE42089
  • MEMBER
  • 5 POSTS
Also, I installed a new compressor and the only connector it had was for the clutch. Besides the lines of course. Is the high pressure switch built into the clutch wiring?
Was this
answer
helpful?
Yes
No
Monday, December 19th, 2022 AT 2:59 PM
Tiny
AL514
  • MECHANIC
  • 5,593 POSTS
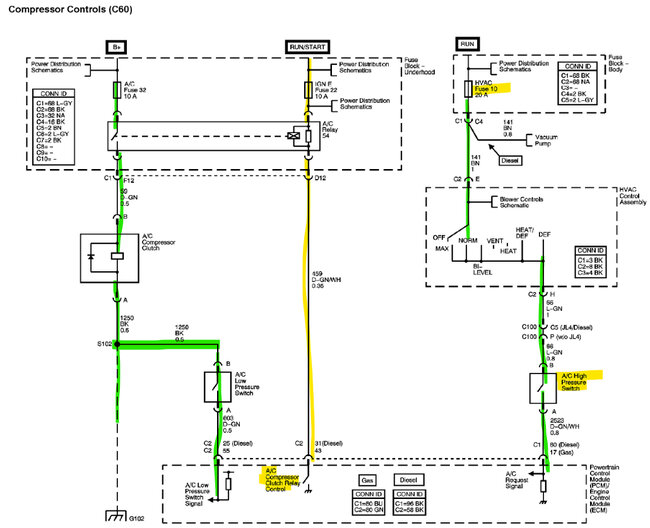
If there weren't two different connectors on the old compressor, it might be built into the clutch circuit. But on the wiring diagrams it lists the compressor clutch as being a dark green wire with black being the Ground for it and the AC high pressure switch as a light green wire and a dark green/white wire going to the ECM, and both OEM and aftermarket diagrams are the same. With the High-pressure switch located on the back of the compressor. What colors wires do you have on your compressor and were there any other wires to the old one?
It's strange also that the OEM connector on the compressor is listed as the compressor clutch but the wiring is for the high pressure switch, so something is wrong here. I'm going to look for some more information. If you can tell me the 2 wire colors on the compressor, we'll see if we can sort this out. This service info is very misleading.
I know this is the 2500 series, but is this a cargo van, with manual ac? Even with that the ac compressor clutch is showing a dark green wire and a black wire for its ground.
Was this
answer
helpful?
Yes
No
+1
Monday, December 19th, 2022 AT 3:28 PM
Tiny
AL514
  • MECHANIC
  • 5,593 POSTS
This is what they are showing for the pressure switches. I haven't seen any other locations for it so far. I'll post whatever is found.
Was this
answer
helpful?
Yes
No
+1
Monday, December 19th, 2022 AT 5:35 PM
Tiny
GUNSHINE42089
  • MEMBER
  • 5 POSTS
So, I took your information and advice and found a metal plug in the back of the old compressor where a sensor should have been. I then searched up and down the engine harness on that side and found the connector and wire tucked in behind the frame. Then I Searched AutoZone and found a pressure switch, put it in and voila everything works and cycles as it should. Thank you again so much.
Was this
answer
helpful?
Yes
No
Tuesday, December 20th, 2022 AT 12:21 PM
Tiny
AL514
  • MECHANIC
  • 5,593 POSTS
Ahh that's awesome, something just didn't look correct there. So glad you found it. Nice work. I'm glad to help and have a nice day.
Was this
answer
helpful?
Yes
No
+1
Tuesday, December 20th, 2022 AT 12:36 PM

Please login or register to post a reply.