Wednesday, September 4th, 2019 AT 4:06 PM
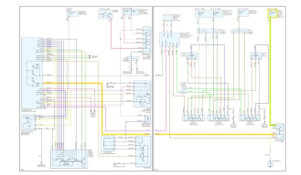
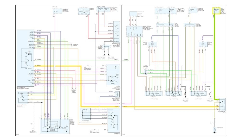
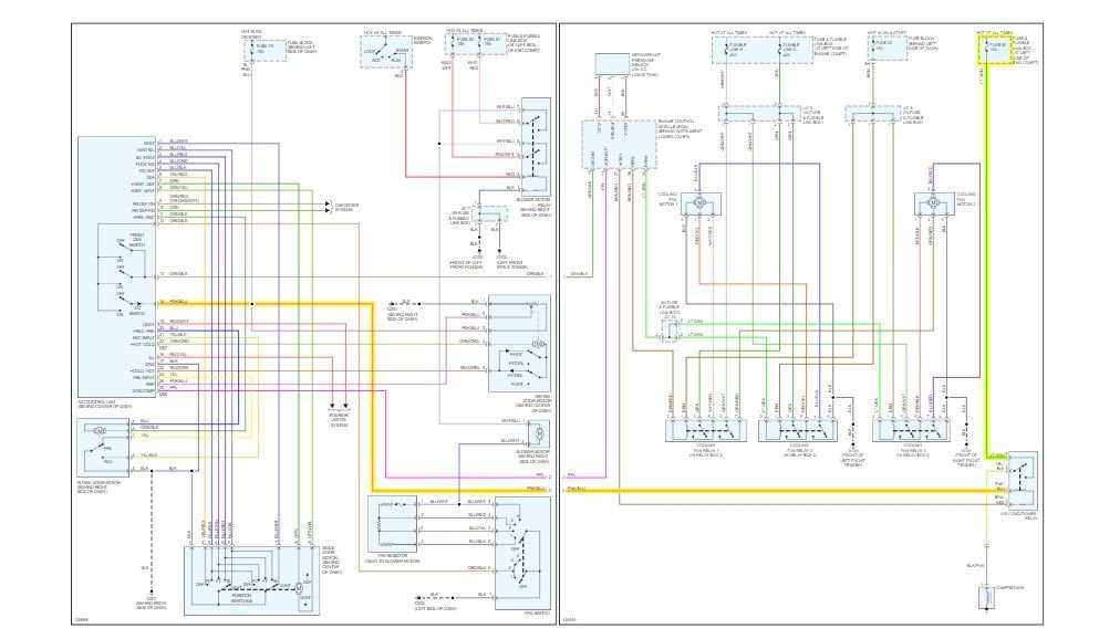
Hey all, so the A/C is just blowing hot air. I was going to recharge it and noticed the clutch not engaging at all. Checked all fuses and relay first. All is good could not figure out why but if I take a piece of wire and jump it at the relay it works clutch engages blows cold air. Changed out relay but still the same. Any ideas?







