Saturday, July 14th, 2018 AT 1:53 PM
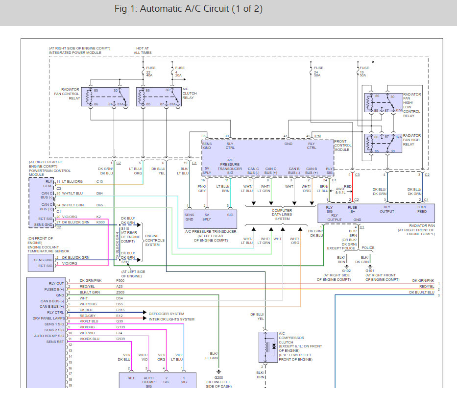
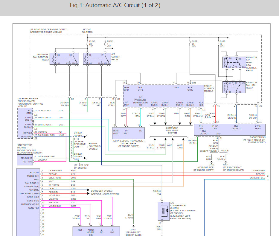
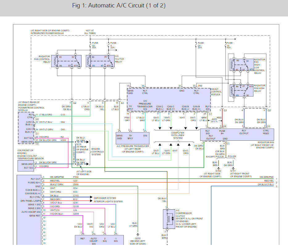
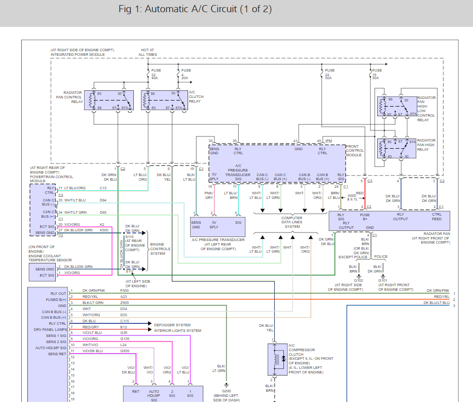
Started making a clicking noise every once in awhile. Then the A/C stopped working correctly. It blows cold up front and hot in the back. I changed the part for the blend door and it still doing the same thing. It did not change just a little. Need help trouble shooting my A/C problem. Thanks





