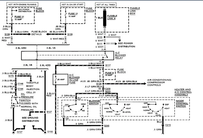
A/C blower not working, no power to the fuse, diagram needed

Tiny
RICHARD HEADRICK
  • MEMBER
  • 1991 ISUZU ADVENTURE
  • 137,000 MILES
The pickup listed above A/C blower motor will not work. I’ve tested the motor by straight wiring and it works. I have no power at the blower fuse. When straight wire the blower fuse it works. Does some one have the wiring schematics for this system? I know something in the ignition should give power to that fuse. What ideas do you have?

Thanks
Wednesday, May 27th, 2020 AT 7:44 PM

1 Reply

Tiny
JACOBANDNICKOLAS
  • MECHANIC
  • 110,194 POSTS
Hi,

The Adventure isn't offered in the US. However, I believe it is the same vehicle as the Trooper II.

I attached a pic of the wiring schematic related to the blower motor for the Trooper. Let me know if it helps.

Joe
Was this
answer
helpful?
Yes
No
Thursday, May 28th, 2020 AT 7:36 PM

Please login or register to post a reply.