Saturday, September 8th, 2018 AT 5:24 PM
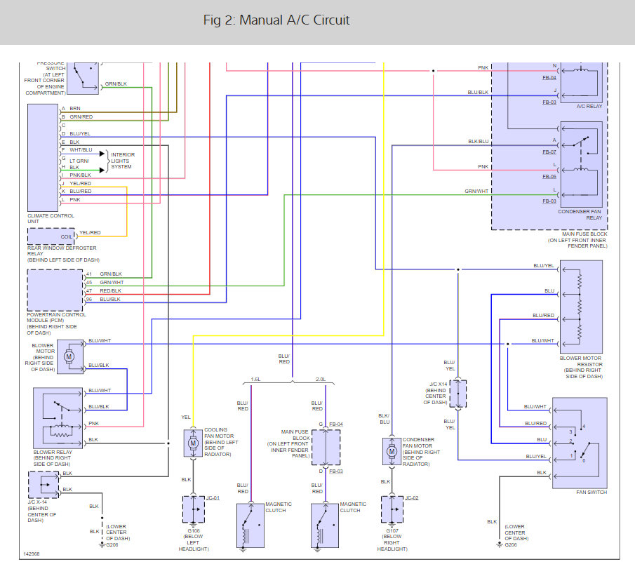
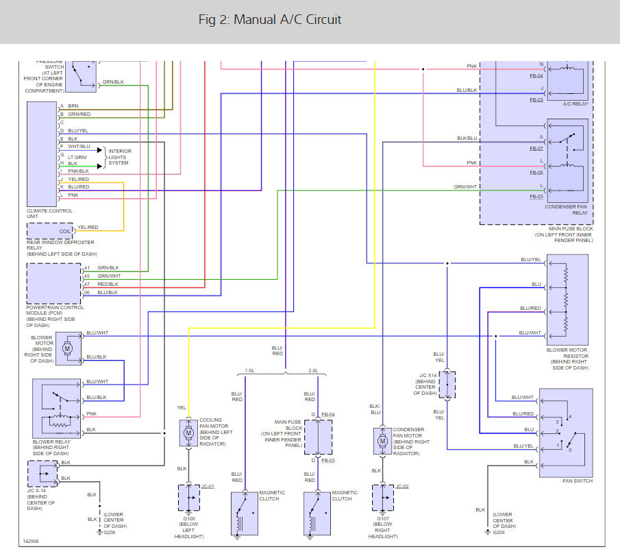
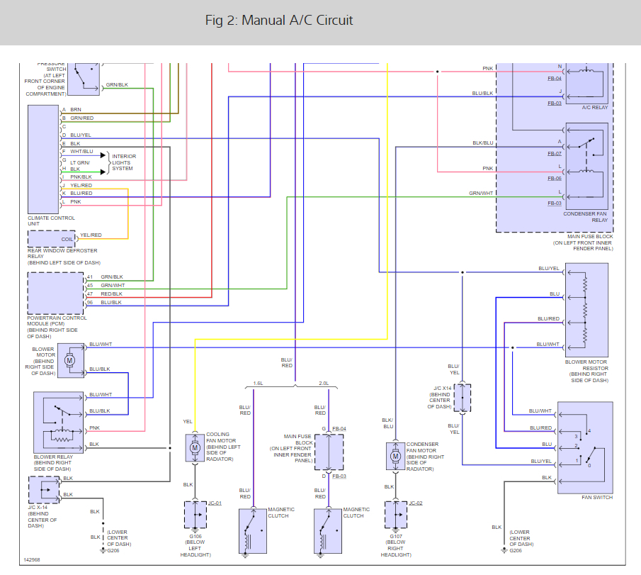
The A/C only works on 1, neither of the 2, 3 or 4 works, not even the fan turns on. I already changed the blower motor, the blower switch and the motor resistor. What can it be?




