A/C is intermittently works between 40-80 MPH and or when the front windows are cracked open

Tiny
CHIMELAK
  • MEMBER
  • 2002 CHEVROLET SILVERADO
  • 6.0L
  • V8
  • 2WD
  • AUTOMATIC
  • 200,000 MILES
Spent thousands. The A/C is always fully charged. It intermittently works between 40-80 MPH and or when the front windows are cracked. All ambient and cab sensors replaced all high- and low-pressure switches Replaced. HVAC controller replaced. Entire system replaced. Only thing not replaced is the computer.

My question, does the compressor get 12volts? Can I run a jumper switch from 12v to compressor out to low pressure then to ground to bypass the system? Everything else works.

Thanks in advance.
Wednesday, June 22nd, 2022 AT 11:09 AM

7 Replies

Tiny
JACOBANDNICKOLAS
  • MECHANIC
  • 110,194 POSTS
Hi,

You could run a jumper for testing, but I wouldn't use it like that. You are bypassing the system and the compressor will not cycle which will lead to other damage.

As far as the issue. Do you hear the compressor cycling when the engine is running? Also, has the air temperature actuator been checked or replaced? I know that sounds elementary, but you didn't mention it.

Also, you have me lost on opening the window. In my mind, there is no correlation between the two. The only thing I can think of is if the blower motor is not working and opening the window creates a vacuum drawing the AC through the system into the cab.

When you turn the AC on, I need to know if the compressor is engaging and if the blower motor in the vehicle works. Additionally, are you able to change from outside air temperature to the heater?

You mentioned Freon, pressure switches, and so on are all good, so I'm not focused on that.

Hang in there. One way or another we will get this fixed. We have one of the best HVAC people here. He owns the site, so we will call on him if I can't figure it out.

Take care,

Joe
Was this
answer
helpful?
Yes
No
Wednesday, June 22nd, 2022 AT 5:21 PM
Tiny
CHIMELAK
  • MEMBER
  • 13 POSTS
When the A/C is on the compressor stays on. The air actuator was replaced. All of the control module functions work. So, the compressor is 12v? The blower motor always works. 12v from toggle switch to compressor out to low pressure switch to ground. Will this work just for compressor?
Was this
answer
helpful?
Yes
No
Wednesday, June 22nd, 2022 AT 5:43 PM
Tiny
JACOBANDNICKOLAS
  • MECHANIC
  • 110,194 POSTS
No. Will it turn on the compressor, yes, but it already is staying on. I'm not sure what running power to it from a switch will change. And yes, it is 12v.

Can you do me a favor? I need to know what the high and low side pressure are when it's running. Something isn't adding up. If the compressor is charged, engaging, the pressures are within spec, the blend door actuator is working, then it should work. We are missing something simple.

Joe
Was this
answer
helpful?
Yes
No
Wednesday, June 22nd, 2022 AT 7:30 PM
Tiny
CHIMELAK
  • MEMBER
  • 13 POSTS
The compressor is not staying on. It intermittently works if driving 40-80mph. Most if the time it doesn't work at all regardless of speed.
Was this
answer
helpful?
Yes
No
Wednesday, June 22nd, 2022 AT 9:48 PM
Tiny
JACOBANDNICKOLAS
  • MECHANIC
  • 110,194 POSTS
Hi,

When that happens, I suspect you lose power to the compressor. To me, it sounds like a loose connection at some point, or the relay isn't staying closed which can be a faulty relay or the primary/secondary side of the relay is losing power or ground.

Try this. Start the engine, open the hood, and with the A/C on and not working, start wiggling wires, the relay, the fuse, and so on.

I am going to ask the owner for his input. He is excellent with A/C.

Let me know if you find anything.

Take care,

Joe
Was this
answer
helpful?
Yes
No
Thursday, June 23rd, 2022 AT 8:03 PM
Tiny
CHIMELAK
  • MEMBER
  • 13 POSTS
Will do, thanks.
Was this
answer
helpful?
Yes
No
Thursday, June 23rd, 2022 AT 8:15 PM
Tiny
KEN L
  • MASTER CERTIFIED MECHANIC
  • 55,499 POSTS
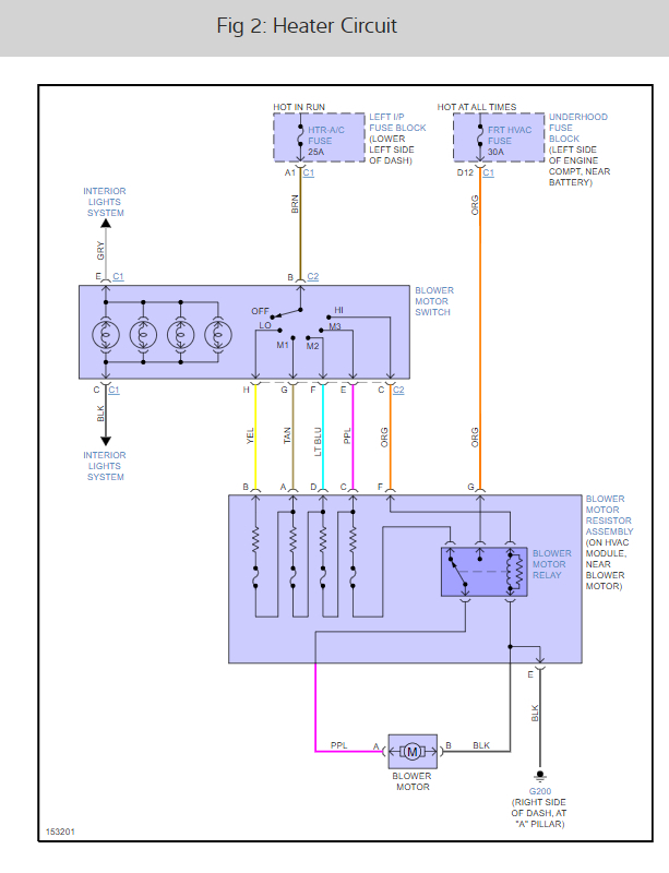
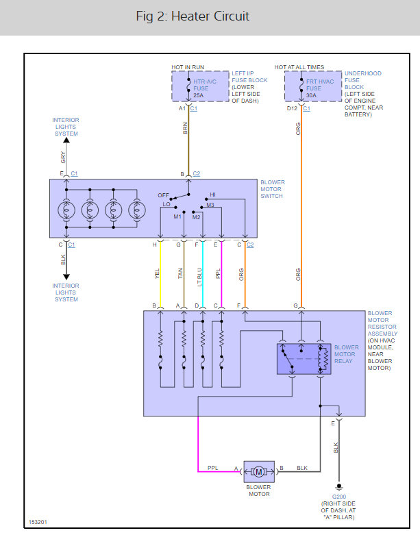
When the A/C stops working is the compressor engaged? Here are the HVAC wiring diagrams so you can see how the system works and a guide that can help us see what's going on:

https://www.2carpros.com/articles/car-air-conditioner-not-working-or-is-weak

Check out the diagrams (below). Let us know what happens and please upload pictures or videos of the problem.

Was this
answer
helpful?
Yes
No
Friday, June 24th, 2022 AT 8:44 AM

Please login or register to post a reply.