A/C - Heater blower not working.

Tiny
BORIS171
  • MEMBER
  • 2004 VOLVO XC70
  • 2.5L
  • 5 CYL
  • AWD
  • AUTOMATIC
  • 160,000 MILES
A/C - Heater blower stopped working. I have replaced the heater blower motor with a NEW one and I reused the Large resistor unit attached to the heater blower housing. Before I return the Heater blower motor to under the dashboard, I attempted to test the unit. The new heater blower motor still does not turn, I have checked the fuses, however I suspect there may be a heater blower relay switch somewhere that I cannot find. Any suggestions other than blown fuse or lose connection that may help me to get this A/C - Heater motor to move some air. Thank you for any assistance.
Boris171
Pensacola, Florida
Sunday, July 27th, 2014 AT 11:39 AM

1 Reply

Tiny
JIS001
  • MECHANIC
  • 3,412 POSTS
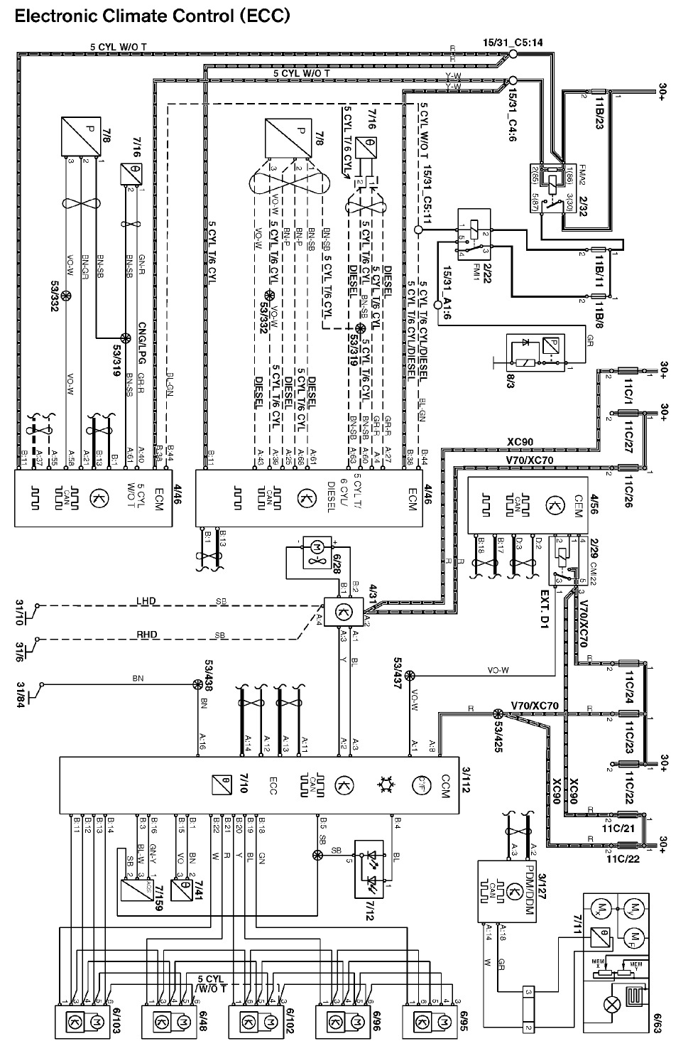
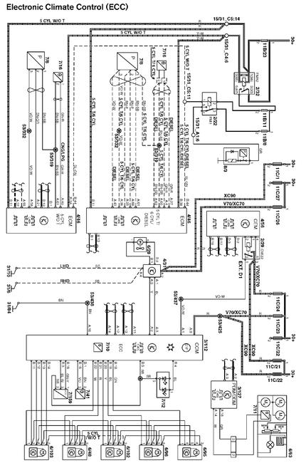
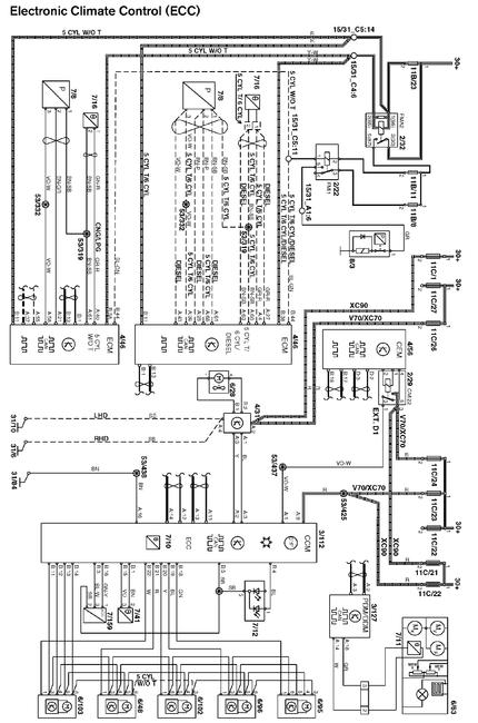
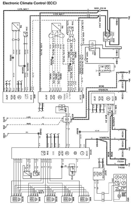
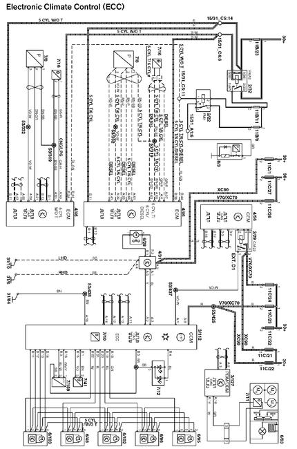
Sounds like the fan control module (resistor) has failed. Attached wiring diagrams hope it is clear enough? On pin A2 of the connector red wire check for battery voltage with key on. If no voltage check fuses. If ok check ground at pin #4 solid black wire to chassis ground. Check for continuity with a digital multi meter. A1 is the control signal from the climate control module head and has anywhere from 0-10 milli amps so you cant really measure it and A3 is the control signal. So if power and ground are good replace the resistor. Good luck to you.
Was this
answer
helpful?
Yes
No
Wednesday, July 30th, 2014 AT 3:53 PM

Please login or register to post a reply.