Monday, January 23rd, 2023 AT 4:15 PM
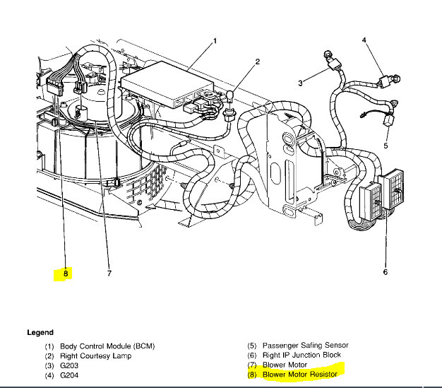
They do turn on in positions 4 and 5, and they work like normal in those two positions. Switching between A/C and heat, and also switching the positions where the air blows out (i.E. Blowing on your feet vs. In your face) does not cause the fans to kick on either in positions 1 - 3. When I turn the knob to position 1 - 3, I can still hear the A/C compressor kick on, so I know that the compressor still blows cold air. Yesterday this problem started with positions 1 - 2, tonight position 3 stopped working too. What could cause this issue, and what is the cheapest way to tackle this issue? Would replacing the whole climate control module possibly solve this? They are roughly $200.00 and I want to tackle the cheaper possibilities first. Thank you for your time and assistance.






