A/C does not work

Tiny
DEFLECTIONSS
  • MEMBER
  • 2002 MERCURY SABLE
  • 3.6L
  • V6
  • 2WD
  • AUTOMATIC
  • 97,000 MILES
It doesn't blow air.
Friday, August 2nd, 2019 AT 12:40 AM

1 Reply

Tiny
ASEMASTER6371
  • MECHANIC
  • 52,796 POSTS
Good morning,

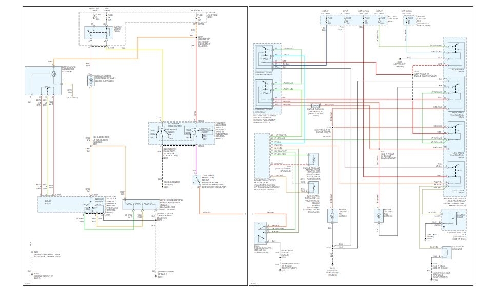
I attached a wiring diagram for you to view. Check both fuses listed for power to the blower relay. Then check for power to the blower motor itself.

In most cases, it is either the blower motor or the resistor that causes this issue.

Roy
Was this
answer
helpful?
Yes
No
Friday, August 2nd, 2019 AT 2:26 AM

Please login or register to post a reply.