Saturday, June 27th, 2020 AT 12:29 PM
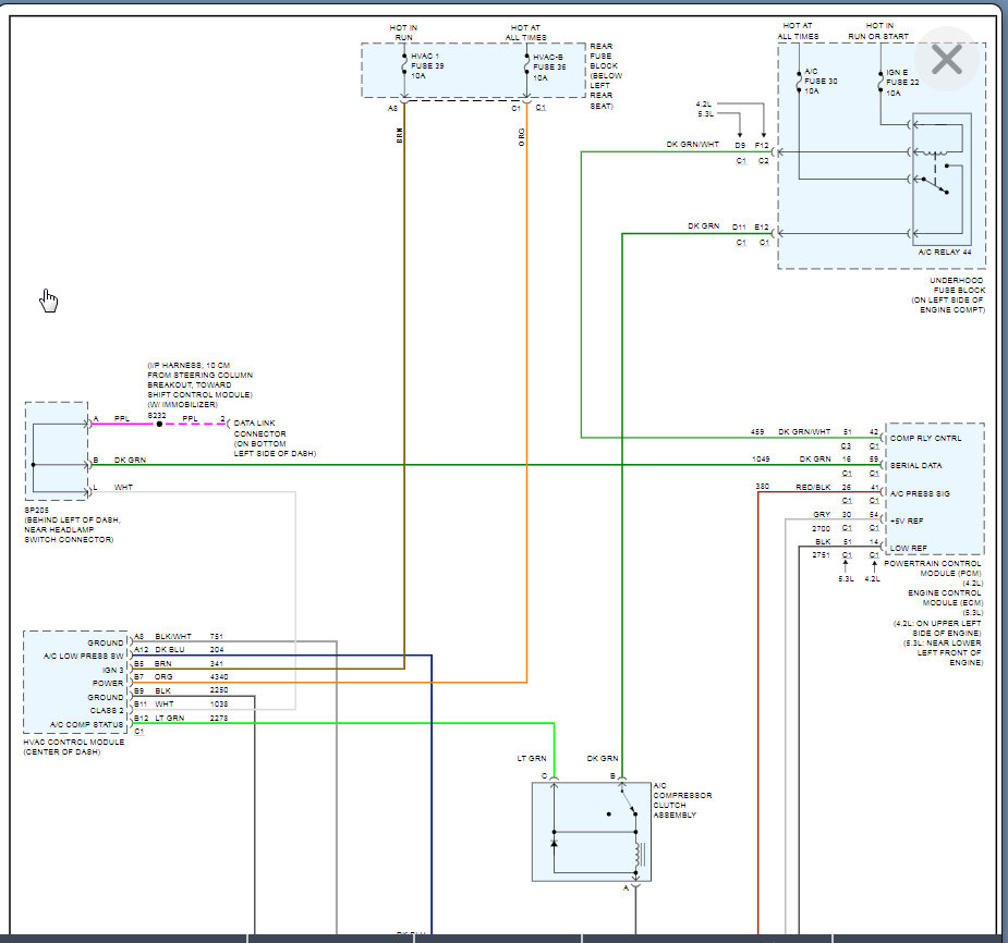
A/C quit cooling today. Did some investigation, compressor doesn't engage. Compressor Relay checks good. Fuse checks good. Jumpered compressor relay circuit at fuse block and compressor clutch engages and A/C will cool like normal. Get 5V at low pressure switch, and jumpered that. When jumpered it doesn't make compressor turn on so I'm guessing not the low pressure switch. Probed the relay sense/signal side of the fuse block and with engine running It reads 14V regardless of if A/C button is on/off on the interior HVAC control module. Guessing this means there is something wrong with the control module signal or the ground to the PCM through the relay? Anyway to diagnose those issues? Am I missing something in my diagnosis thus far?








