Wednesday, April 13th, 2022 AT 6:51 PM
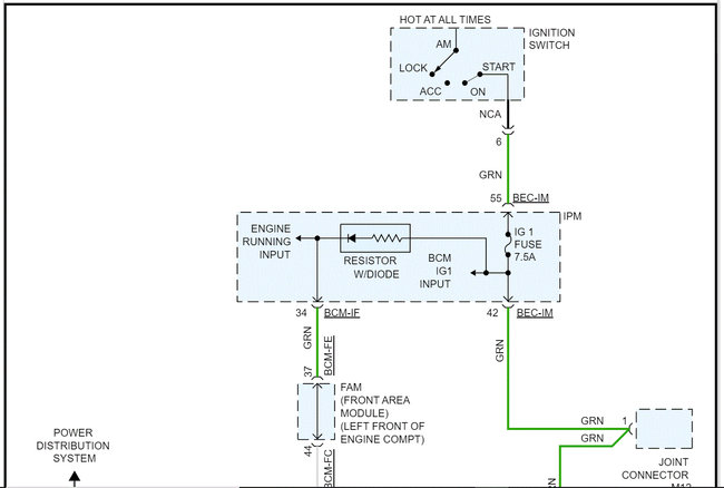
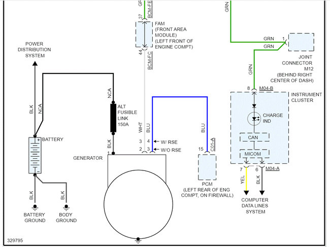
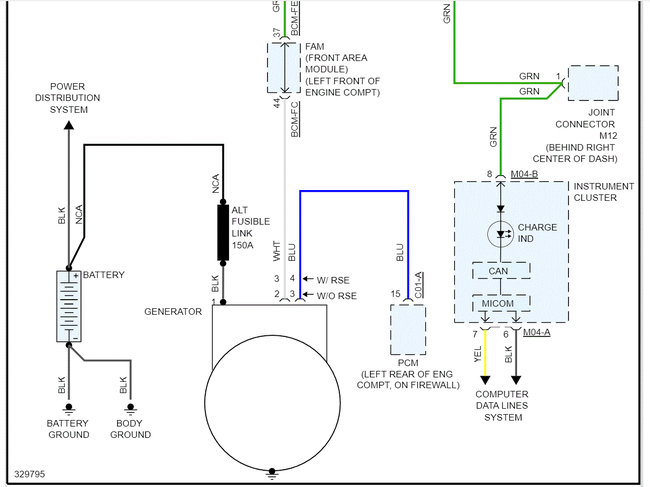
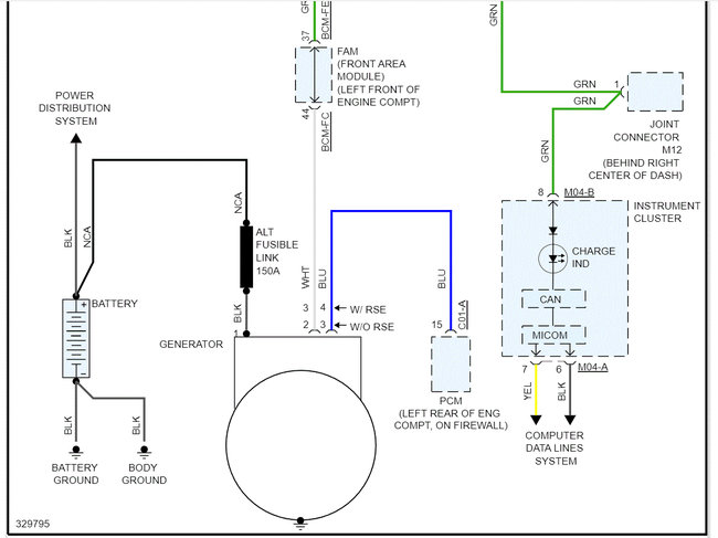
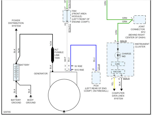
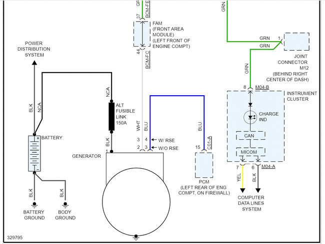
I broke the compressor connection wire. It is attached to the alternator wiring harness and connects to the compressor. This part is really expensive, $79.95. Do you have a diagram of this to make sure I am ordering the correct part? Thank you








