Wednesday, June 30th, 2021 AT 5:00 PM
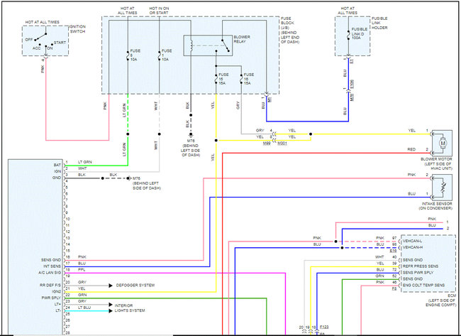
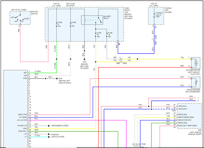
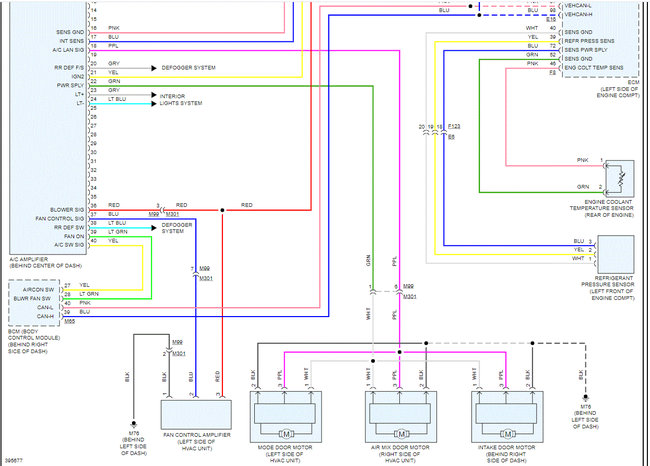
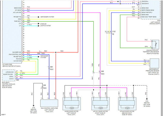
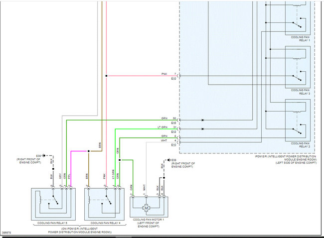
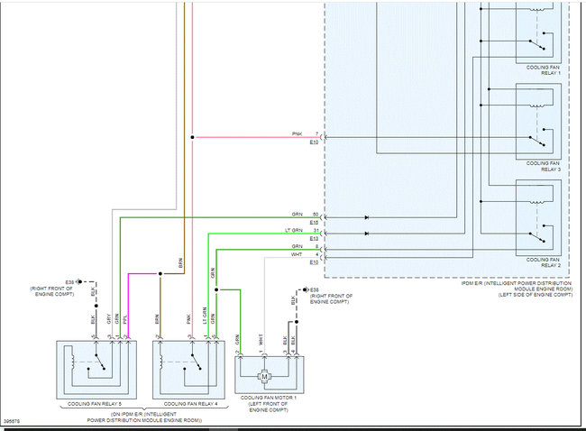
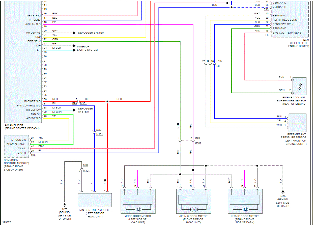
System blows hot air only. The compressor clutch is not engaging. There is no power to the compressor. The fuse is good and the relay is non serviceable. The interior switches light up and work fine. What is between the relay/fuse and the compressor that is not allowing power to get to the compressor?





